EasyManua.ls Logo

Sony STR-DE485 - Schematic Diagram - Video Section

Sony STR-DE485
54 pages
Print Icon
To Next Page IconTo Next Page
To Next Page IconTo Next Page
To Previous Page IconTo Previous Page
To Previous Page IconTo Previous Page
Loading...
STR-DE485/DE485E
29 29
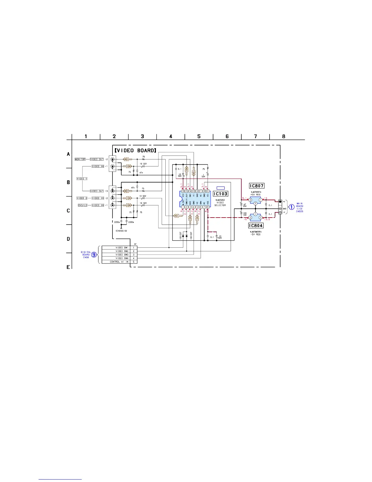
4-15. SCHEMATIC DIAGRAM VIDEO SECTION Refer to page 20 for Common Note on Schematic Diagram and page 34 for IC Block Diagrams.
IC B/D
C200
R220
R218R221
C214
C215
C248C249
R219
C827
D203
D204
J201
C201
J200
C825
C824
CNP156
3P
C213
C210
R200
C207
C206
R201
IC103
IC807
IC804
CNS150
C209
C809
C208
(Page 22)
(Page 27)

Other manuals for Sony STR-DE485

Related product manuals