EasyManua.ls Logo

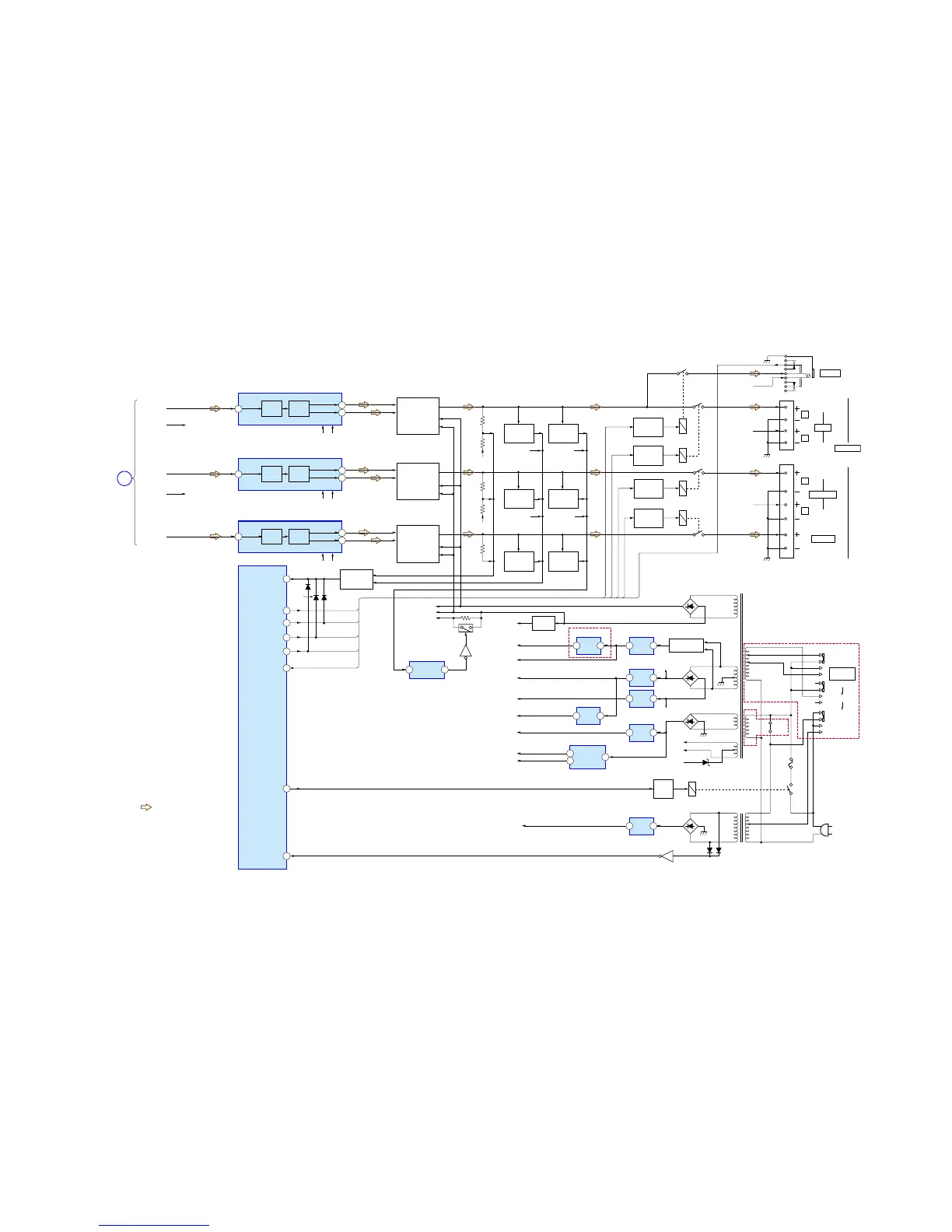
Sony STR-DE485E - Block Diagram - Power Section

Sony STR-DE485E
54 pages
Print Icon
To Next Page IconTo Next Page
To Next Page IconTo Next Page
To Previous Page IconTo Previous Page
To Previous Page IconTo Previous Page
Loading...
STR-DE485/DE485E
19 19
4-6. BLOCK DIAGRAM POWER SECTION
8
12
11
DRIVE
POWER AMP
Q701-704
CURRENT
DETECT
Q705,706
RY791
RY701
RY601
PRE DRIVER
IC701
IN 2
+VOUT2
-VOUT2
SPEAKERS
IMPEDANCE
USE 8-16
R
L
FRONT
L
SURROUND
CENTER
R
R-CH
R-CH
R-CH
FL-CH
FR-CH
SL-CH
C-CH
R-CH
SR-CH R-CH
TUNER/
AUDIO
SECTION
4
RY901
D804
F1
F2
-30V
+3.3V
(STBY)
+2.5V
+5V-1
-7V
+7V
TU+10V
TU+3.3V
-30V
F901
RECT
D910-913
T902
POWER
TRANSFORMER
D914
Q921
D915
JW905
D731
D734
D733
~
AC IN
OVERLOAD
DETECT
D740,Q740
1
67
6
5
DRIVE
POWER AMP
Q501-504
CURRENT
DETECT
Q505,506
-30V REG
Q801
RELAY
DRIVER
Q901
PRE DRIVER
IC501
IN+
+VOUT
-VOUT
OVERLOAD
DETECT
D540,Q540
DOUBLER
COMMUTATION
8
12
11
DRIVE
POWER AMP
Q651-654
CURRENT
DETECT
Q655,656
PRE DRIVER
IC702
IN 2
+VOUT2
-VOUT2
OVERLOAD
DETECT
D640,Q640
RELAY
DRIVER
Q790
RELAY
DRIVER
Q710
RELAY
DRIVER
Q610
RY501
RELAY
DRIVER
Q510
70
72
68
PROTECTOR
D721,722
Q722,723,725
25
66
48
71
OVERLOAD
DETECT AMP
72
IC601
Q692
Q691
+B
-B
-BB
+3.3V
REG
13
IC1905
BACK-UP
SWITCH
4
5
+3.3V
2
IC1901
+5V-2
+5V
REG
13
IC1503
+10V
REG
13
IC1902
-V
+V
+7V
REG
13
IC801
-7V
REG
23
IC802
+5V
REG
13
IC1903
+3.3V
REG
13
IC1904
R-CH
R-CH
R-CH
-BB +B
-BB +B
-BB +B
R-CH
R-CH R-CH
RECT
D802
RECT
D820-822
RECT
D902-905
T901
POWER
TRANSFORMER
D898,899
TM601
TM602
J791
PHONES
S901
VOLTAGE
SELECTOR
220V
240V
120V
HP-RY
FRONT-RY
REAR-RY
CENTER-RY
HP DETECT
HP-RY
HP DETECT
FRONT-RY
REAR-RY
CENTER-RY
HEADPHONE
RELAY
PREOUT/FRONT
RELAY
REAR RELAY
PROTECTOR
HP DETECT
POWER RELAY
STOP
CENTER RELAY
E M0DEL
AEP,UK M0DEL
EXCEPT
E
M0DEL
SYSTEM
CONTROL
IC1601 (4/4)
PRE
DRIVE
PRE
DRIVE
PRE
DRIVE
-1
-2
-3
Signal path
: TUNER (FM/AM)
R-ch is omitted due to
same as L-ch.
(Page 16)

Other manuals for Sony STR-DE485E

Related product manuals