EasyManua.ls Logo

Sony STR-DE635 - Schematic Diagram Digital Section(1;3)

Sony STR-DE635
58 pages
Print Icon
To Next Page IconTo Next Page
To Next Page IconTo Next Page
To Previous Page IconTo Previous Page
To Previous Page IconTo Previous Page
Loading...
STR-DE635
15 16
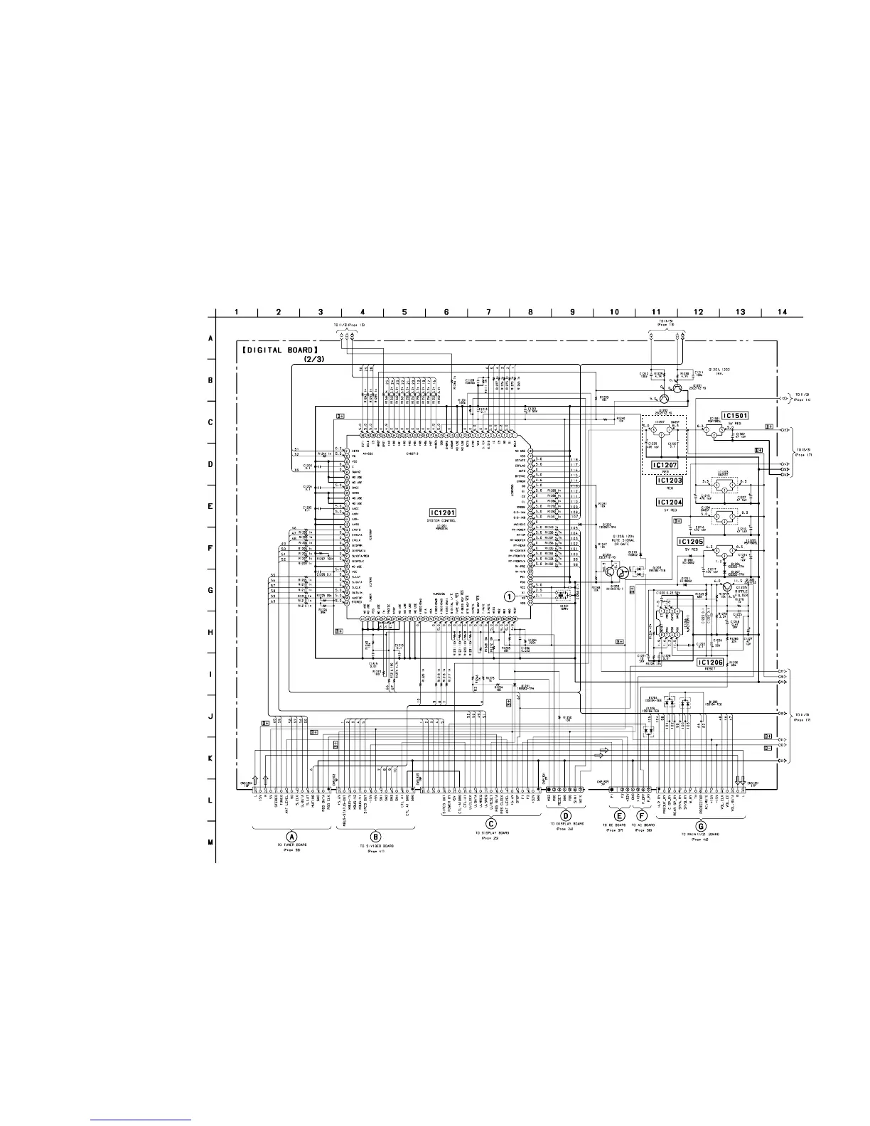
4-5. SCHEMATIC DIAGRAM DIGITAL SECTION(2/3) See page 19 for Printed Wiring Board. See page 12 for Waveforms. See page 51 for IC Pin Functions. See page 60 for IC Block Diagrams.
CXD9511Q
DIGITAL PWB
FROM SUFFIX-12
Ver 1.1 2002. 02

Other manuals for Sony STR-DE635

Related product manuals