EasyManua.ls Logo

Sony STR-DE635 - Schematic Diagram Main Section(2;2)

Sony STR-DE635
58 pages
Print Icon
To Next Page IconTo Next Page
To Next Page IconTo Next Page
To Previous Page IconTo Previous Page
To Previous Page IconTo Previous Page
Loading...
STR-DE635
—47 — — 48 —
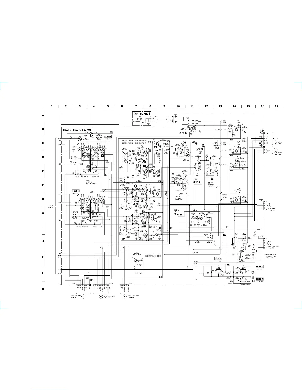
4-21. SCHEMATIC DIAGRAM MAIN SECTION (2/2) • See page 43 for Printed Wiring Board. • See page 61 for IC Block Diagrams.
The components identified by
mark ! or dotted line with mark
! are critical for safety.
Replace only with part number
specified.
Les composants identifiés par
une marque ! sont critiques
pour la sécurité.
Ne les remplacer que par une
pièce portant le numéro spécifié.

Other manuals for Sony STR-DE635

Related product manuals