EasyManua.ls Logo

Sony STR-DH720 - Page 110

Sony STR-DH720
128 pages
Print Icon
To Next Page IconTo Next Page
To Next Page IconTo Next Page
To Previous Page IconTo Previous Page
To Previous Page IconTo Previous Page
Loading...
STR-DH720/DH720HP
STR-DH720/DH720HP
2222
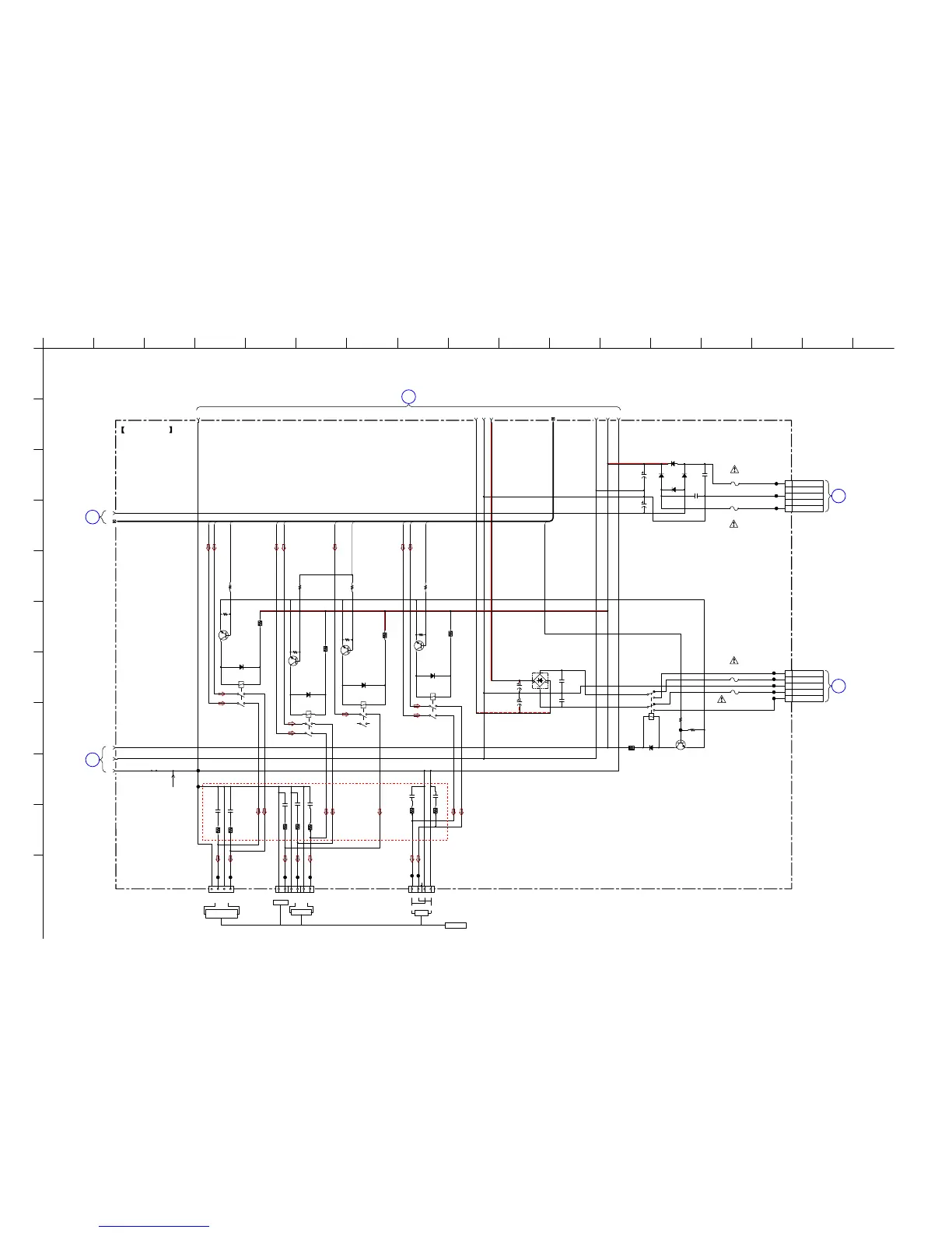
2-19. SCHEMATIC DIAGRAM – MAIN Board (4/4) –
1
A
B
C
D
E
F
G
H
I
J
K
2 3 4 5 6 7 8 9 10 11 12 13 14 15 16 17
MAIN BOARD (4/4)
2728 29 32
31
33 3430
36
35
37
39
38
1
2
3
4
5
SBL
SBR
SBL_R
SL_OUT
SR_OUT
C_SUR
C_OUT
LR
BRIDGE
FR_OUT
FL_OUT
C
SR
SL
FL
FR
RY920
1
2
3
5
6
8
4
7
2.2k
R921
Q920
RELAY DRIVER
2SC3052EF-T1-LEF
CNP920
5P
R1 (UPPER TAP)
R1 (LOWER TAP)
R1 GND
R1 (LOWER TAP)
R1 (UPPER TAP)
W001
Q360
RELAY DRIVER
2SC3052EF-T1-LEF
Q355
RELAY DRIVER
2SC3052EF-T1-LEF
Q365
RELAY DRIVER
2SC3052EF-T1-LEF
1k
R355
RR13
10
CC13
0.01
RR14
10
CC14
0.01
RR11
10
CC11
0.01
CC12
0.01
RR12
10
CC15
0.01
RR15
10
RR17
10
CC17
0.01
47k
R358
47k
R363
47k
R925
C911
0.1
C910
1SR154-400TE-25
D910 ~ D913
D912
D911
D910
D913
0.1
CL369
CL370
CL371
CL373
CL372
CL393
2.2k
R350
47k
R353
Q350
RELAY DRIVER
2SC3052EF-T1-LEF
F912
T6.3A 250V
F913
T6.3A 250V
47k
R366
1k
R367
RR18
10
CC18
0.01
CL356
CL357
CL358
CL359
CL360
CL361
CL355
JWH603
75
C912
2200
25V
C913
1000
25V
D921
D5SBA60-F
CL374
CL375
C932
0.1
C933
0.1
2.2k
R360
TB503
123456
TB502
1234
D350
DA2J10100L
D365
DA2J10100L
D355
DA2J10100L
D360
DA2J10100L
D920
DA2J10100L
2
3
4
5
CL366
CL367
CL368
F910
T2.5A 250V
F911
T2.5A 250V
CNP930
5P
NC
1
R2 AC
CENTER TAP
NC
R2 AC
C930
6800
71V
C931
6800
71V
R351
33
R365
33
R356
33
R361
33
R920
33
TB504
1
2345
RY360
12V
12
3
4
56
RY355
12V
12
3
4
56
RY365
12V
12
3
4
56
RY350
12V
12
3
4
56
SBR_OUT
SBL_OUT
++ - -+--++-
SURROUND
R
L
FRONT
CENTER
L
R
-+ +-
SURROUND BACK/
FRONT HIGH
L
R
SPEAKERS
I
POWER
TRANSFORMER
(MAIN)
T901
(Page 24)
J
POWER
TRANSFORMER
(MAIN)
T901
(Page 24)
9
MAIN BOARD
(3/4)
(Page 21)
7
MAIN BOARD (2/4)
(Page 20)
8
MAIN BOARD
(3/4)
(Page 21)
(ECE)

Table of Contents

Other manuals for Sony STR-DH720

Related product manuals