EasyManua.ls Logo

Sony STR-DN1040 - Page 33

Sony STR-DN1040
136 pages
Print Icon
To Next Page IconTo Next Page
To Next Page IconTo Next Page
To Previous Page IconTo Previous Page
To Previous Page IconTo Previous Page
Loading...
33
US
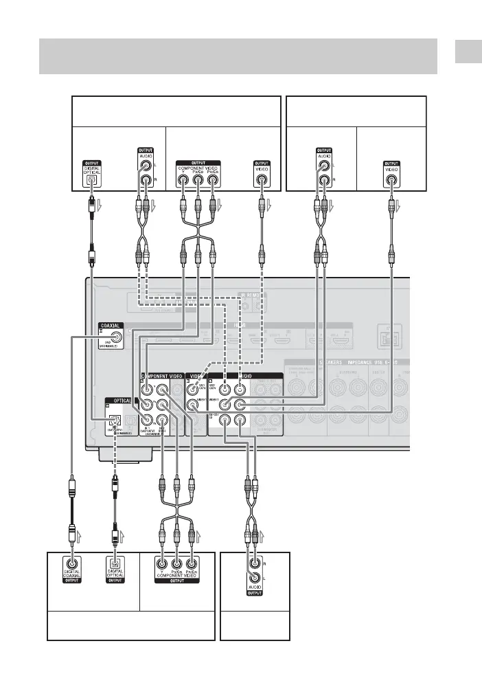
Connections
Connecting equipment with jacks other than HDMI
jacks
Satellite tuner, cable TV tuner
Audio signals
ABC D B D
VCR, DVD recorder, Camcorder,
Video game
Video signals Video signalsAudio signals
or
or
or
Audio signals Video signals
DVD player
EA C
*
Audio signals
Super Audio CD
player, CD player
B

Table of Contents

Other manuals for Sony STR-DN1040

Related product manuals