EasyManua.ls Logo

Sony STR-K9900P - Block Diagram - Tuner;Audio Section

Sony STR-K9900P
58 pages
Print Icon
To Next Page IconTo Next Page
To Next Page IconTo Next Page
To Previous Page IconTo Previous Page
To Previous Page IconTo Previous Page
Loading...
STR-K5900P/K9900P
13 13
STR-K5900P/K9900P
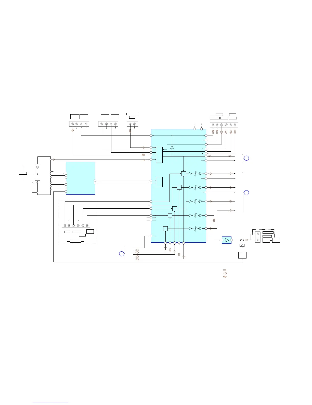
4-2. BLOCK DIAGRAM — TUNER/AUDIO SECTION —
76
75
78
74
73
70
SA-CD/CD
IN
MD/TAPE
OUT
MD/TAPE
IN
DVD AUDIO
IN
L
J403J402 J298(2/2) J404
R
R-CH
R-CH
R-CH
R-CH
LR
AM
TN1
FM/AM TUNER UNIT
SYSTEM
CONTROL
IC1101 (1/4)
LRLR
L
-3 -4 -5 -6
-1 -2
RL
VIDEO 2
VIDEO 3 INPUT
AUDIO OUT AUDIO INAUDIO IN
RLR
R-CH
S LATCH
SW RY
17
TUNER DATA
16
T SERIAL CLK
VOL DATA
VOL CLK
STEREO
TUNED
MUTE
DO
L-CH
R-CH
STEREO
TUNED
MUTING
CE
DO
DATA
CLOCK
VIDEO 1
AUDIO
OUT
SUB WOOFER
AUDIO OUT
SUB
WOOFER
RELAY
DRIVER
Q560
SUB WOOFER
AMP
IC402
J309
-2
-1
-1
-2
K9900P
RY560
SBL-CH
C-CH
SR-CH
FR-CH
SL-CH
FL-CH
R-CH
L-CH
17
11
14
28
27
FM 75
COAXIAL
44
45
24
25
68 66
32
28
30
34
38
60
59
46
SUB
WOOFER
LR
R-CH
R-CH
LR
FRONT
K9900P
SURROUND
CENTER
J401
MULTI CH IN
ANTENNA
10
13
12
41
42
88
87
85
84
86
81
83
5 7
54 56 51 52 49
SW
SEL
C
SEL
SL
SEL
L
SEL
R-CH
R-CH
26
27
R-CH
R-CH
R-CH
R-CH
R-CH
R-CH
DIR
FUNCTION SELECT
IC401
AVCCAVEE
+7V-7V
-1 -2 -3 -4
AUDIO
R-CH
LR
-2 -3-3 -4 -1 -2
-1 -2 -3 -4 -5 -6
SEL
SW
MCU
I/F
3.3V
(STBY)
SBL OUT
SBR OUT
SW OUT
C OUT
SL OUT
L OUT
R-CH
R-CH
R-CH
TU+10V
• Signal path
: TUNER (FM/AM)
: VIDEO (AUDIO)
: CD (ANALOG)
• R-ch is omitted due to
same as L-ch.
SBL
SEL
55
DIGITAL
SECTION
B
DIGITAL
SECTION
A
POWER
SECTION
C
(Page 14)
(Page 17)
(Page 14)

Related product manuals