EasyManua.ls Logo

Sony STR-K9900P - Schematic Diagram - Power Section

Sony STR-K9900P
58 pages
Print Icon
To Next Page IconTo Next Page
To Next Page IconTo Next Page
To Previous Page IconTo Previous Page
To Previous Page IconTo Previous Page
Loading...
STR-K5900P/K9900P
35 35
STR-K5900P/K9900P
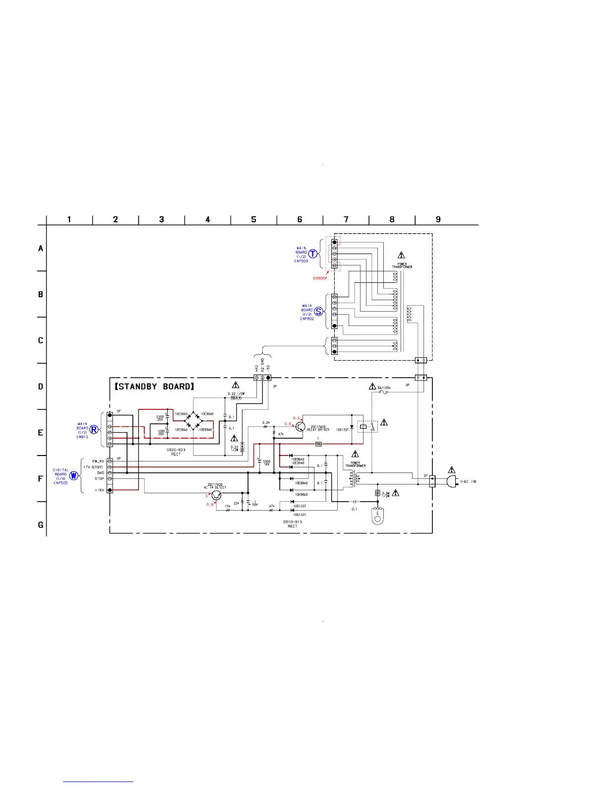
4-23. SCHEMATIC DIAGRAM — POWER SECTION —
(Page 20)
(Page 20)
(Page 24)
R902
D914
D915
R904
C922
C913
C914
R923
R922
R921
G901
R810
D910
D911
D912
D913
D920
D921 D922
D923
C915
C916
R903
CNP902
CNP801
CNP903
CNP804
CNP901
R811
C950
C920
C921
RY901
Q921
T902
R901
Q901
T901
C924
D901
F901
(Page 20)

Related product manuals