EasyManua.ls Logo

Sony STR-K995 - Schematic Diagram - MAIN Board (2;4)

Sony STR-K995
74 pages
Print Icon
To Next Page IconTo Next Page
To Next Page IconTo Next Page
To Previous Page IconTo Previous Page
To Previous Page IconTo Previous Page
Loading...
2727
STR-K995
STR-K995
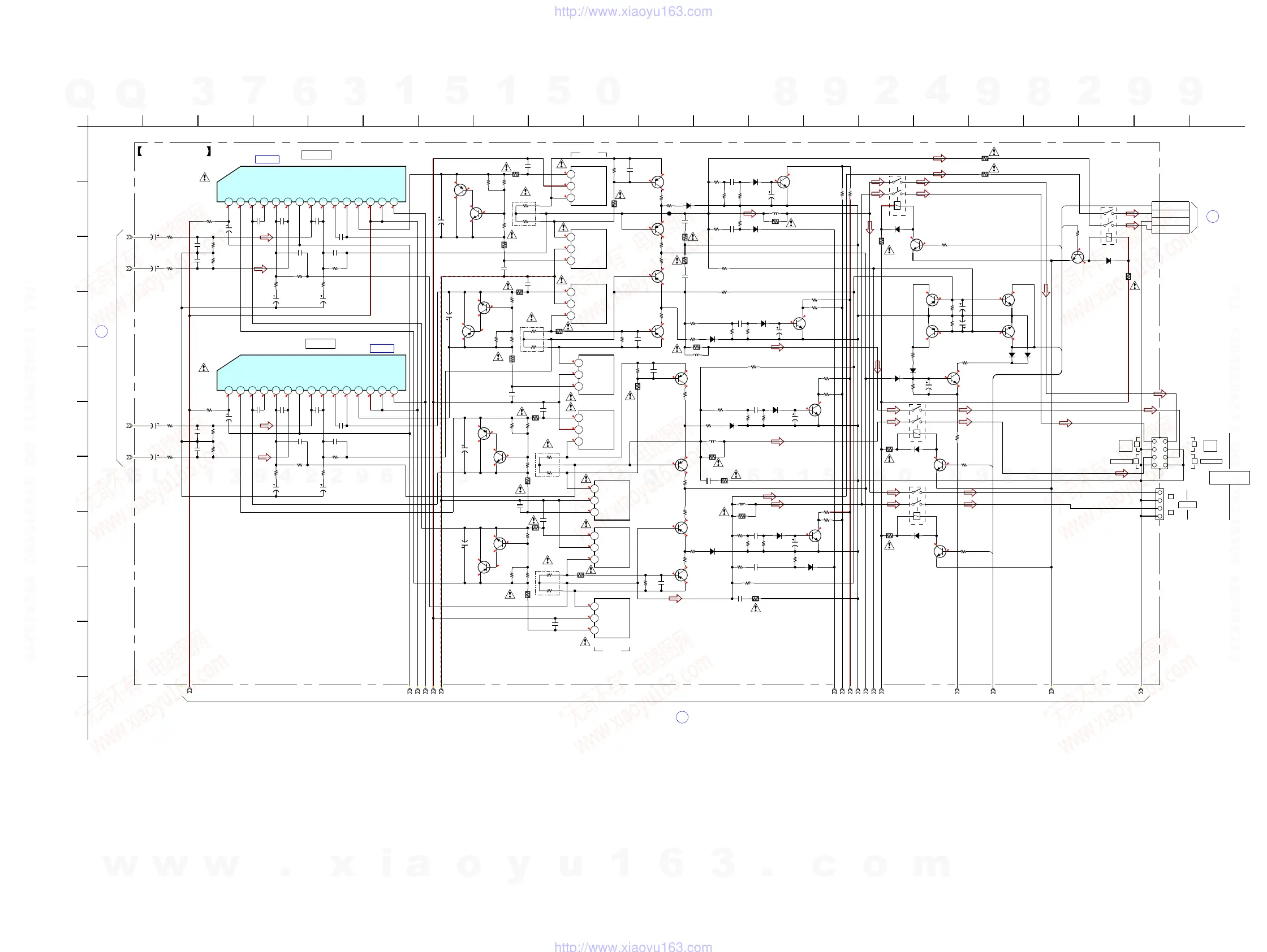
4-13. SCHEMATIC DIAGRAM – MAIN BOARD (2/4) –
• See page 43 for IC Block Diagrams.
IC B/D
IC B/D
I
HEADPHONE
BOARD
CNP790
(Page 37)
1
MAIN
BOARD
(1/4)
(Page 26)
4
MAIN BOARD
(3/4)
(Page 28)
3
1.2
-1
-45
0.2
-0.3
0.2
0.2
-45
-1
1.2
46
46
-46
-1
-0.9
-46
1.2
-45
0.2
3
46
0.2
46
0.2
-45
1.2
0.2
1.2
0.5
0.5
0
-1
-1
-1
-1
0.1
46
1.2
-1
-46
-0.1
-0.1
-46
0.1
-0.1
0.6
0.6
0.2
1.2
0.5
1.2
46
0.1
0.5
-0.6
-1
-1
0.1
46
1.2
-0.1
-46
-1
-1
-1
-0.1
-46
-1
0.1
46
-0.2
-0.5
0.5
1.1
0.5
-1
0.1
0
0
0
0.1
-45
-0.7
6.5
6.5
0
-1.2
0.1
0
0.1
0.1
0
1.2
-0.1
-46
6.5
0.3
0.1
-1.3
0.1
0
0
1.2
0
6.5
0
-45
0.2
-46
0.1
-45.7
0.8
0.1
3.3
3.3
-46
0.10.1
3.3
-46
0.8
0.2
0.2
16.5
0.8
0.2
No mark:FM
198765432 151413121110
µPC2581V-S
IC701
+VOUT1
-VOUT1
NF1
IN1
GND
IN2
NF2
-VOUT2
+VOUT2
VCC
VCC
VEE
500V
33p
C705
100p
C706
100p
C756
500V
3p
C704
500V
3p
C754
10V
100
C703
10V
100
C753
100p
C707
100p
C757
50V
4.7
C701
50V
4.7
C751
100V
2.2
C744
22k
R744
1k
R701
1k
R751
68k
R702
68k
R752
68k
R754
68k
R704
2.2k
R753
2.2k
R703
100V
2.2
C743
500V
33p
C605
50V
100p
C657
1k
R601
1k
R651
68k
R604
22k
R743
50V
4.7
C651
50V
100p
C607
10V
100
C603
500V
33p
C655
2.2k
R653
68k
R602
10V
100
C653
68k
R652
100p
C656
100p
C606
50V
4.7
C601
500V
3p
C654
2.2k
R603
198765432 151413121110
µPC2581V-S
IC601
+VOUT1
-VOUT1
NF1
IN1
GND
IN2
NF2
-VOUT2
+VOUT2
VCC
VCC
VEE
500V
3p
C604
2SA1115TP-EF
Q701
2SC3623ATP-LK
Q702
2SA1163L-TE85L
Q706
2SA1163L-TE85L
Q705
123
MN2488-OPY-MKQ703
B
C
E
123
MP1620-OPY-MKQ704
B
C
E
2.2k
R710
82k
R711
33
R714
4.7k
R719
6.2k
R721
0.22R716
33
R715
560
R713
25V
47
C710
500V
C717
47p
220p
C720
1.5k
R722
15k
R724
68k
R725
10
R717
47k
R723
0.022
C711
500V
47p
C716
25V
47
C660
2SA1163L-TE85L
Q656
2SC3623ATP-LK
Q652
2SA1163L-TE85L
Q655
123
MP1620-OPY-MK
Q654
B
C
E
33
R664
82k
R661
0.22R666
2.2k
R660
2SA1115TP-EF
Q651
10
R667
500V
C666
47p
220p
C670
1
23
MN2488-OPY-MKQ653
B
C
E
33
R665
4.7k
R669
0.022
C661
6.2k
R671
500V
47p
C669
47k
R673
560
R663
0.22R616
10
R617
33
R614
2SC3623ATP-LK
Q602
0.022
C611
220p
C619
2SA1115TP-EF
Q601
82k
R611
2SA1163L-TE85L
Q605
123
MP1620-OPY-MKQ604
B
C
E
68k
R625
500V
C621
47p
15k
R624
25V
47
C610
33
R615
6.2k
R621
2.2k
R610
1.5k
R622
500V
47p
C620
2SA1163L-TE85L
Q606
4.7k
R620
123
MN2488-OPY-MKQ603
B
C
E
0.22R766
68k
R775
2.2k
R760
500V
47p
C767
123
MP1620-OPY-MK
Q754
B
C
E
15k
R778
2SA1163L-TE85L
Q755
220p
C770
2SA1163L-TE85L
Q756
2SA1115TP-EF
Q751
4.7k
R769
47k
R773
25V
47
C760
33
R764
1.5k
R772
33
R765
123
MN2488-OPY-MKQ753
B
C
E
2SC3623ATP-LK
Q752
6.2k
R771
10
R767
0.022
C761
500V
C766
47p
560
R763
82k
R761
1SS355WTE-17
D705
15k
R748
15k
R747
0.01
C742
1SS355WTE-17
D740
50V
10
C740
2SC3052EF-T1-LEF
Q740
47k
R746
25V
0.01
C729
D729
0.01
C642
22k
R640
15k
R648
4.7k
R675
2SC3052EF-T1-LEF
Q640
50V
10
C640
1SS355WTE-17
D665
15k
R677
1SS355WTE-17
D640
1.7uHL701
4.7R718
2SA1163L-TE85L
Q795
2SA1163L-TE85L
Q725
2SC3052EF-T1-LEF
Q793
2SC3052EF-T1-LEF
Q723
2SC3052EF-T1-LEF
Q722
2SC3052EF-T1-LEF
Q710
RY701
100k
R790
100k
R770
10V
220
C791
10V
220
C721
50V
10
C722
10k
R780
6.8k
R735
39k
R737
1k
R736
1SS355WTE-17
D721
1SS355WTE-17
D722
1SS355WTE-17
D732
4.7R668
1.7uH
L651
22k
R680
0.01
C681
15k
R681
4.7k
R655
2SC3052EF-T1-LEF
Q680
47k
R656
50V
10
C680
1SS355WTE-17
D605
15k
R657
1SS355WTE-17
D680
4.7
R618
1.7uH
L601
47k
R623
0.01
C752
15k
R758
4.7k
R755
2SC3052EF-T1-LEF
Q750
50V
10
C750
1SS355WTE-17
D765
15k
R757
1SS355WTE-17
D750
D749
25V
0.01
C749
4.7
R768
1.7uH
L751
RY601
82
R634
2SC3052EF-T1-LEF
Q610
1SS355WTE-17
D610
RY791
82
R793
2SC3052EF-T1-LEF
Q790
1SS355WTE-17
D791
2.2k
R731
2.2k
R791
680
R794
680
R792
RED BLK BLKRED
TB001
L(+)
L(-)
SL(+)
SL(-)
R(+)
R(-)
SR(+)
SR(-)
1
3
4
5
CN792
HPHONE DET
R-CH
GND
L-CH
500V
33p
C755
560
R613
4.7k
R745
22k
R740
47kR676
47k
R756
68k
R638
68k
R654
82
R734
1SS355TE-17
D710
15k
R674
1.5k
R672
JL001
TM602
RY710
2SC3052EF-T1-LEF
Q611
1SS355WTE-17
D701
82
R738
22k
R750
100k
R759
100k
R739
10k
R729
10k
R749
1k
R631
1SS355WTE-17
D733
2.2k
R632
+V_L
62
66
55
64
68
-V_L
-V_SL
+V_SL
+V_SR
-V_SR
-V_R
+V_R
SR-CH
61
POWER AMP
POWER AMP
LIMITER
LIMITER
LIMITER
LIMITER
LIMITER
LIMITER
LIMITER
LIMITER
10
9
7
6
14
30292821 25 26 27242322 2015 181716 19
(2/4)
1SS355WTE-17
1SS355WTE-17
5P
8P
IC701
IC601
RELAY DRIVE
PROTECT SW
PROTECT SW
PROTECT SW
PROTECT SW
PROTECT SW
RELAY DRIVE
RELAY DRIVE
RELAY DRIVE
SPEAKERS
(IMPEDANCE USE6-16
)
FRONT B
MAIN BOARD
BOOSTER
BOOSTER
CURRENT DETECT
AF POWER PROTECT
AF POWER PROTECT
AF POWER PROTECT
AF POWER PROTECT
CURRENT DETECT
CURRENT DETECT
CURRENT DETECT
CURRENT DETECT
CURRENT DETECT
CURRENT DETECT
CURRENT DETECT
FRONT
A
FRONT
A
SURROUND
L
L
R
SURROUND
+
+
+
+
––
+
+
L
R
R
1W
1W
1 2 3 4 5 6 7 8 9 10 11 12 13 14 15 16 17 18 19 20 21
A
B
C
D
E
F
G
H
I
J
K
w
w
w
.
x
i
a
o
y
u
1
6
3
.
c
o
m
Q
Q
3
7
6
3
1
5
1
5
0
9
9
2
8
9
4
2
9
8
T
E
L
1
3
9
4
2
2
9
6
5
1
3
9
9
2
8
9
4
2
9
8
0
5
1
5
1
3
6
7
3
Q
Q
TEL 13942296513 QQ 376315150 892498299
TEL 13942296513 QQ 376315150 892498299
http://www.xiaoyu163.com
http://www.xiaoyu163.com

Related product manuals