EasyManua.ls Logo

Sony STR-KM3 - Block Diagram - TUNER;AUDIO Section

Sony STR-KM3
82 pages
Print Icon
To Next Page IconTo Next Page
To Next Page IconTo Next Page
To Previous Page IconTo Previous Page
To Previous Page IconTo Previous Page
Loading...
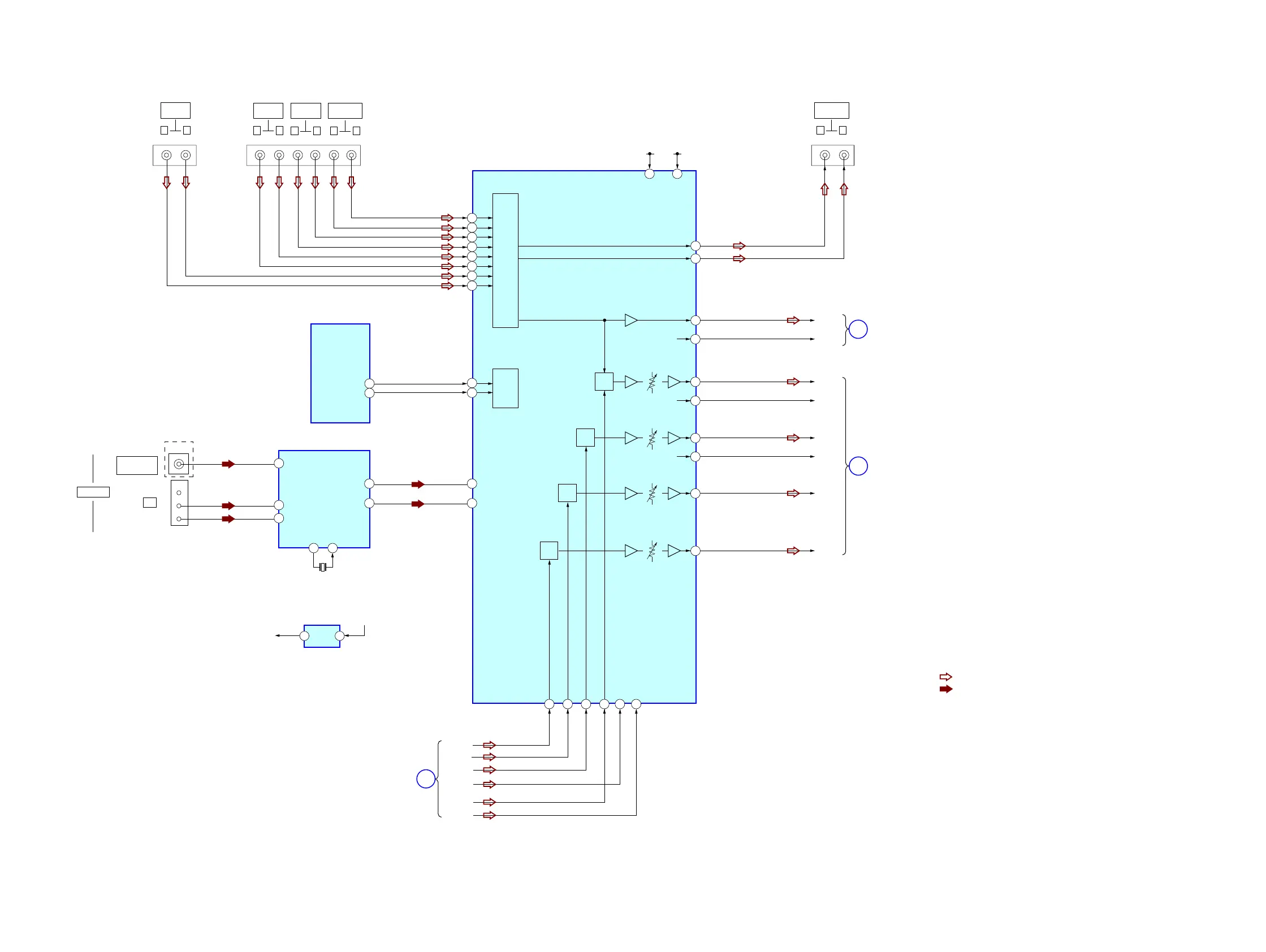
5-1. BLOCK DIAGRAM – TUNER/AUDIO Section –
C-CH
SR-CH
FR-CH
SL-CH
FL-CH
R-IN
L-IN
SW
SEL
C
SEL
SL
SEL
R-CH
INR2
INL2
ROUT
LOUT
R-CH
R-CH
DIR
FUNCTION SELECT
IC300
VCCVEE
+7V
SEL
SW
MCU
I/F
-7V
SW OUT
C OUT
SL OUT
FL OUT
SYSTEM
CONTROL
IC2105 (1/4)
FM RECEIVER
IC101
CN104
CN103
EVOL_DATA
EVOL_CLK
98
97
12 8
10
62
11
75
14
13
18
17
SW-CH
16
71 70 68 69
SR OUT
FR OUT
72 73
54
53
50
49
58
57
46
45
15
76
25
26
L
SEL
14
6115
FRF1
ARF1
4
6
ARF2
7
X101
32.768kHz
19
18
X2
X1
+3.3V
+5V
+3.3V
REG
43
IC102
J302(1/2)
J300
-1 -2 -4 -5
-4 -5
J302 (2/2)
-1 -2
SA-CD/CD
AUDIO IN
L R
TV
AUDIO IN
L R
-7 -8
PORTABLE
AUDIO IN
L R
L R
VIDEO
AUDIO IN
L R
VIDEO
AUDIO OUT
FM
AM
AM
&2$;,$/
FM
AM
ANTENNA
6LJQDOSDWK
: TUNER (FM/AM)
: TUNER
5FKLVRPLWWHGGXHWR
VDPHDV/FK
DIGITAL
SECTION
(Page 14)
DIGITAL
SECTION
(Page 14)
POWER KEY
SECTION
(Page 17)
A
B
C
MX
STR-KM2/KM3
STR-KM2/KM3
1313

Table of Contents

Related product manuals