EasyManua.ls Logo

Sony STR-KM3 - Schematic Diagram - POWER AVIDEO Board

Sony STR-KM3
82 pages
Print Icon
To Next Page IconTo Next Page
To Next Page IconTo Next Page
To Previous Page IconTo Previous Page
To Previous Page IconTo Previous Page
Loading...
STR-KM2/KM3
STR-KM2/KM3
3535
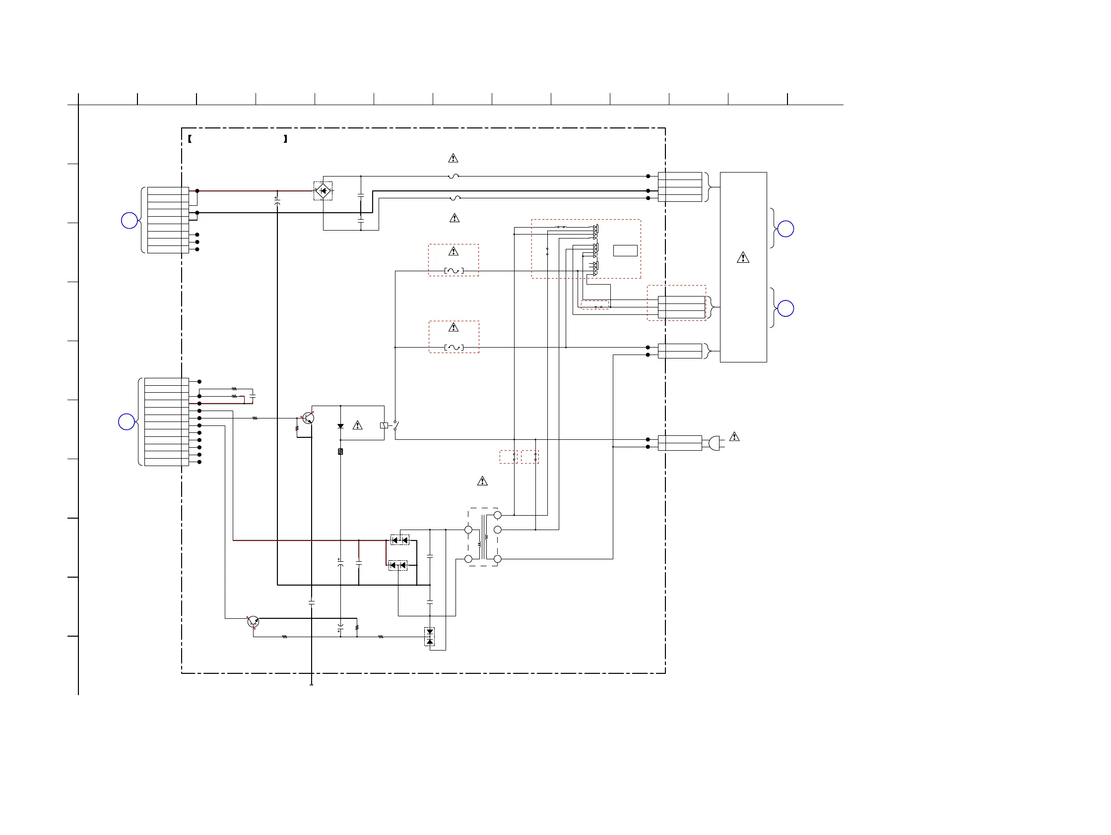
5-22. SCHEMATIC DIAGRAM – POWER AVIDEO Board –
1
A
B
C
D
E
F
G
H
I
J
2 3 4 5 6 7 8 9 10 11 12 13
POWER AVIDEO BOARD
0.7
0
0.5
0
1
4
C905
1
50V
FH901
RY901
5V, TV-8
F901
*2
Q902
STOP SWITCH
2SC3052EF-T1-LEF
Q901
RELAY DRIVER
2SC3052EF-T1-LEF
C904
3300
16V
CL904
CL905
CL906
CL907
D904
MC2838-T112-1
CL912
CL911
CL211
CL212
CL213
CL214
CL215
CL216
CL217
CL218
CL219
CL220
CL221
D903
MC2840-T112-1
D902
MC2840-T112-1
CNP901
3P
LIVE
NEUTRAL
F911
3.15A 250V
CL913
F912
3.15A 250V
D901
DA2J10100L
C205
0.1
C903
0.1
C902
0.1
C901
0.1
R902
33
C906
0.1
C911
0.047
C912
0.047
CN911
4P
R3 AC (Yellow)
NC
CENTER
R3 AC (Green)
CN271
12P
FAN_CTRL
NC
VERSION
+3.3V STBY
STBY_SUPPLY
POWER_RY
STOP
FAN_BLK
VSEL2
VSEL1
V-MUTE
COMP-SW2
240V
220V
120
S901
2
3
4
5
6
7
8
9
10
11
12
1
FH904
FH903
F902
D912
D3SBA60-7101
2.2k
R903
47k
R904
*4
*3
R203
6.8k
R905
15k
R906
10k
R907
CNP902
4P
LIVE
NEUTRAL
R201
1
2
3
4
5
6
7
8
9
CL914
CL915
CN912
9P
+13V
NC
+13V
R3_GND
R3_GND
S_FAN-
S_FAN+
B_FAN-
B_FAN+
JL280
JL282
JL281
CNP903
5P
220v(E51)/NC(BR)
120V(E51)/127V(BR)
240V(E51)/220V(BR)
C916
1000
35V
*1
1
3
1
2
3
4
1
2
3
4
5
6
7
8
9
10
11
12
1
3
4
8
6
1
3
5
B902
(CHASSIS)
POWER
TRANSFORMER
(SUB)
T902
~ AC IN
POWER
TRANSFORMER
(MAIN)
T901
K
MAIN BOARD
(4/4)
CN950
(Page 29)
M
DCDC
BOARD
CN1500
(Page 39)
B
DIGITAL
AUDIO
BOARD
(2/4)
CN2103
(Page 22)
J
MAIN BOARD
(4/4)
CN951
(Page 29)
*3 R201
2.2K (RU)
4.7K (TH, AUS)
10K (SP)
22K (SAF)
47K (KM2: E51, AR/
KM3: AR, E51, EA, MX)
*4 R203
2.2K (MX)
4.7K (AR)
22K (E51)
47K (SAF, RU, EA, TH, AUS, SP)
*1 F902
T5AL 250V (E51, EA)
T6.3AL 250V (MX)
*2 F901
T3.15AL 250V (EXCEPT RU, MX)
KM2: E51
KM3: E51, EA, MX
MX
KM2: E51
KM3: E51, EA
KM2: E51
KM3: E51, EA, MX
R
R
VOLTAGE
SELECTOR
KM2: EXCEPT E51
KM3: EXCEPT MX
FH902
JS901
7.5
JS902
7.5
SAF, AR,
TH, AUS,
SP
MX
JS903
7.5
JS905 7.5
JS907 10
Ver. 1.1

Table of Contents

Related product manuals