EasyManua.ls Logo

Sony STR-KM3 - Schematic Diagram - MAIN Board (4;4)

Sony STR-KM3
82 pages
Print Icon
To Next Page IconTo Next Page
To Next Page IconTo Next Page
To Previous Page IconTo Previous Page
To Previous Page IconTo Previous Page
Loading...
STR-KM2/KM3
STR-KM2/KM3
2929
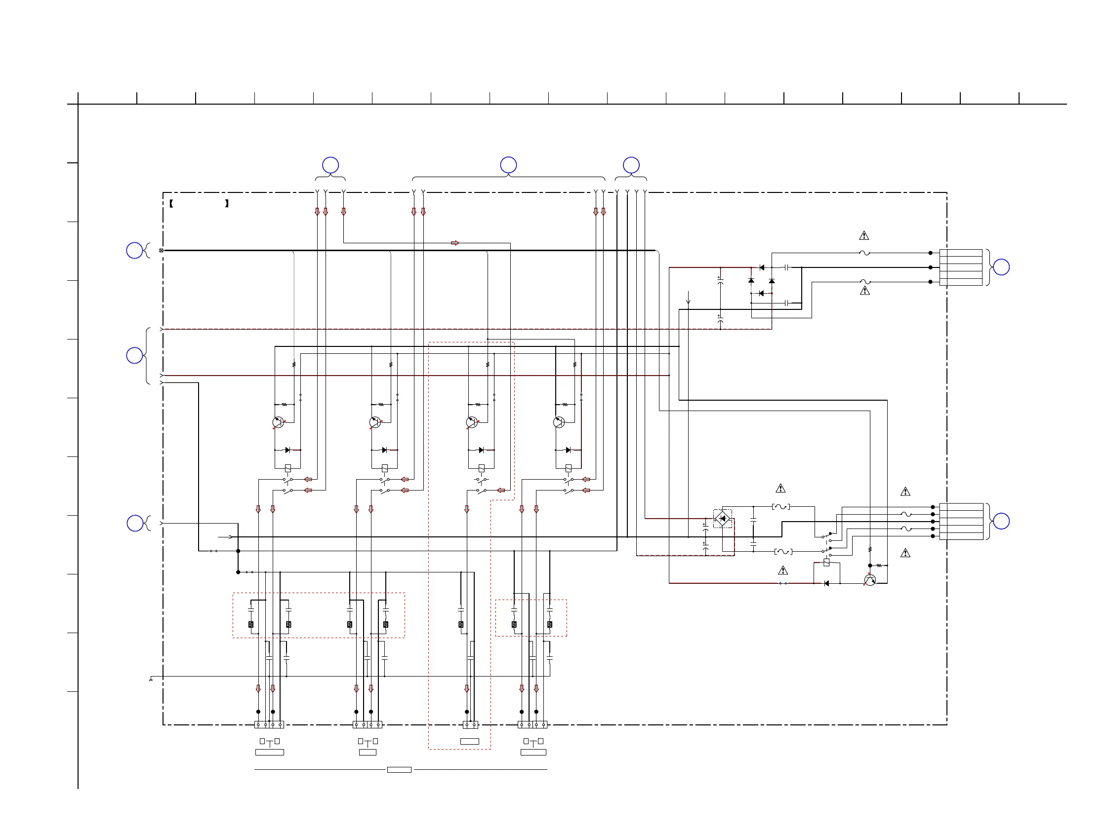
5-16. SCHEMATIC DIAGRAM – MAIN Board (4/4) –
1
A
B
C
D
E
F
G
H
I
J
K
2 3 4 5 6 7 8 9 10 11 12 13 14 15 16 17
MAIN BOARD (4/4)
25
3
1
22
23
2
24
35
33 3234 31
36
37
18
38
0.7
0.1
0.7
0.1
0.7
0.1
0.7
0.2
KM3
EXCEPT MX
EXCEPT MX
LR_RLY
C_SLR_RLY
BRIDGE
SLSRCFLFRSW1 SW2
RY950
1
2
3
5
6
8
7
4
2.2k
R951
Q950
RELAY DRIVER
2SC3052EF-T1-LEF
W001
2SC3052EF-T1-LEF
47k
R952
D954
C964
D956
0.1
D955
C963
0.1
D953 ~ D956
1SR154-400TE-25
D953
CL954
CL955
CL956
CL958
CL957
F952
6.3A 250V
F953
6.3A 250V
CL354
CL355
CL356
CL357
CL358
CL359
CL353
D952
D5SBA60
CL374
CL375
C961
0.1
C962
0.1
D957
DA2J10100L
CL952
CL950
CL951
CL953
F950
2.5A 250V
F951
2.5A 250V
CN950
5P
R2 AC
NC2
1
CENTER TAP3
NC4
R2 AC5
TB355
4P
TB354
2P
TB353
4P
CC357
0.01
RR356
10
CC360
0.01
RR361
4.7
CC359
0.01
RR359
10
CC362
0.01
RR365
4.7
CC363
0.01
RR366
10
CC365
0.01
RR370
10
CC367
0.01
RR373
10
JWH603
5
JS951
W003
C957
1000
25V
C958
470
25V
5P
CN951
1
R1 (UPPER TAP)
2
R1 (LOWER TAP)
3
R1 GND
4 R1 (LOWER TAP)
5 R1 (UPPER TAP)
C955
6800
71V
C956
6800
71V
TB352
4P
CC364
470p
CC358 470p
CC369 470p
CC361 680p
CC370 680p
CC366 470p
CC371 470p
JS950
5
SW_RLY
DA2J10100L
2.2k
R357
47k
R358
Q352
RELAY DRIVER
D353
RY352
1
2
34
56
2SC3052EF-T1-LEF
DA2J10100L
2.2k
R362
47k
R363
Q353
RELAY DRIVER
D354
RY353
1
2
34
56
2SC3052EF-T1-LEF
DA2J10100L
1k
R367
47k
R368
Q354
RELAY DRIVER
D355
RY354
1
2
34
56
2SC3052EF-T1-LEF
DA2J10100L
1k
R371
47k
R372
Q355
RELAY DRIVER
D356
RY355
1
2
34
56
JS374
5
JS369
5
JS364
5
JS360
5
FH954
F954
FH953
FH956
F955
FH955
+
-
+
-
+
-
+
-
-
+
+
-
+
-
T8AL 250V
T8AL 250V
B351
(CHASSIS)
R
L
FRONT
CENTER
R L
SURROUND
2 1
SUBWOOFER
SPEAKERS
1
MAIN BOARD (1/4)
(Page 26)
11
MAIN BOARD (2/4)
(Page 27)
13
MAIN BOARD
(3/4)
(Page 28)
12
MAIN BOARD
(3/4)
(Page 28)
6
MAIN BOARD
(1/4)
(Page 26)
8
MAIN BOARD (2/4)
(Page 27)
J
POWER
TRANSFORMER
(MAIN)
T901
(Page 35)
K
POWER
TRANSFORMER
(MAIN)
T901
(Page 35)

Table of Contents

Related product manuals