EasyManua.ls Logo

Sony TA-FA3ES - Page 11

Sony TA-FA3ES
22 pages
Print Icon
To Next Page IconTo Next Page
To Next Page IconTo Next Page
To Previous Page IconTo Previous Page
To Previous Page IconTo Previous Page
Loading...
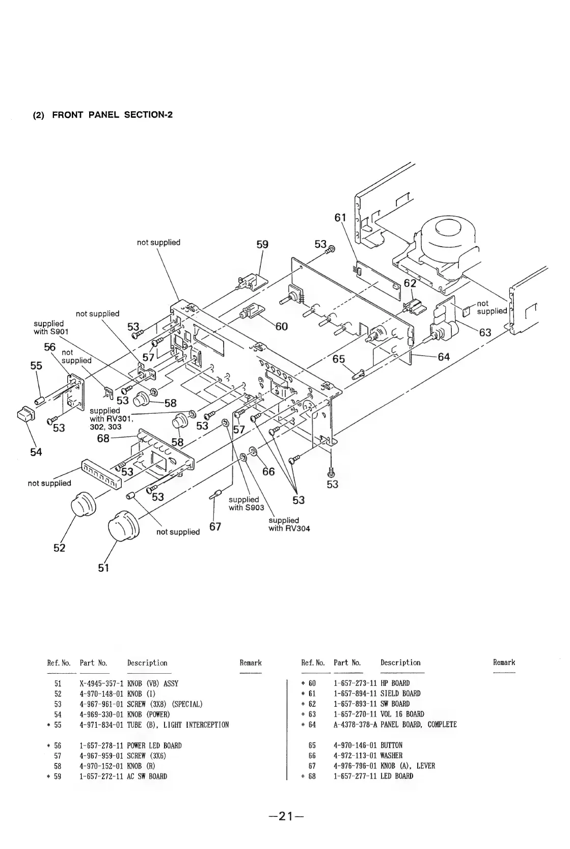
(2)
FRONT
PANEL
SECTION-2
not
supplied
een
~
63
SU
not
supplied
supplied
with
$901
supplied
with
RV3
54
not
su
supplied
with
S903
67
supplied
not
supplied
with
RV304
52
51
Ref.
No.
Part
No.
Description
Remark
Ref.
No.
Part
No.
Description
Remark
51
X-4945-357-1
KNOB
(VB)
ASSY
*
60
1-657-273-11
HP
BOARD
52
4~970-148-01
KNOB
(1)
*
61
1-657-894-11
SIELD
BOARD
53
4-967-961-01
SCREW
(3X8)
(SPECIAL)
*
§2
1-657-893-11
SW
BOARD
54
4-969-330-01
KNOB
(POWER)
*
63
1-657-270-11
VOL
16
BOARD
*
55
4-971-834-01
TUBE
(B),
LIGHT
INTERCEPTION
*
64
A-4378-378-A
PANEL
BOARD,
COMPLETE
*
56
1-657-278-11
POWER
LED
BOARD
65
4-§70-146-01
BUTTON
57
4-967-959-01
SCREW
(3X6)
66
4-$72-113-01
WASHER
58
4-970-152-01
KNOB
(R)
67
4-976-796-01
KNOB
(A),
LEVER
*
59
1-657-272-11
AC
SW
BOARD
*
68
1-657-277-11
LED
BOARD

Related product manuals