EasyManua.ls Logo

Sony TA-WR2 - IC Block Diagrams

Sony TA-WR2
26 pages
Print Icon
To Next Page IconTo Next Page
To Next Page IconTo Next Page
To Previous Page IconTo Previous Page
To Previous Page IconTo Previous Page
Loading...
11
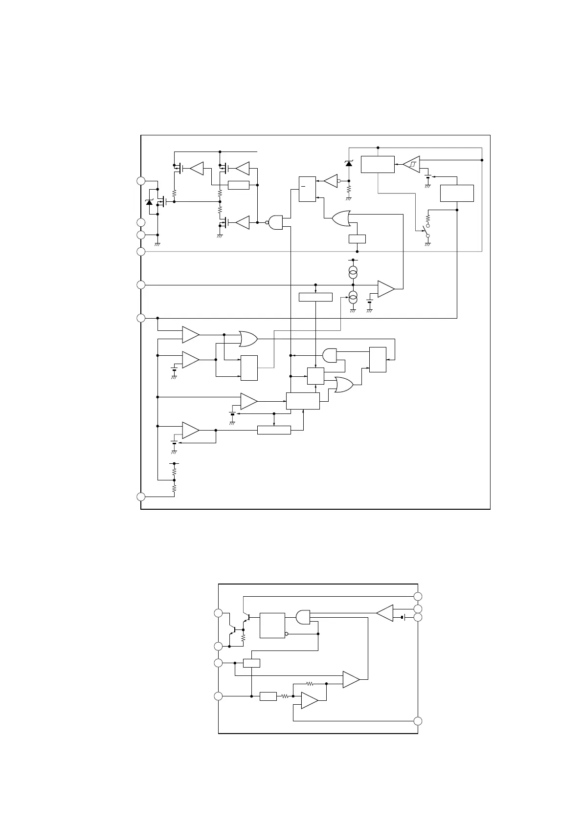
TA-WR2
IC Block Diagrams
– DIAT POWER Board –
IC901 STR-W6765N (AEP, UK, RU)
IC904 NJM2374AE (TE2)
D 1
NC 2
S/GND
3
VCC
4
SS/OLP
5
FB
6
OCP/BD
7
DELAY
Q
R
S
+
+
+
Q
S
R
+
BOTTOM
SELECTOR
COUNTER
OSC
R
Q
S
SOFT START
+
OVP
REGULATOR
& ICONST
+
BURST
CONTROL
START/STOP
BURST
PROTECTION
LATCH
DRIVE
REGULATOR
OLP
BSD
BD
OCP
FB
CS 1
ES 2
CT
3
IN+5
QS
R
PWM
LOGIC
OSC
GND
4
V+6
VREF
+
+
+
ERROR AMP
PWM
COMPARATOR
SI7
CD8
IPK SENSE

Related product manuals