EasyManua.ls Logo

Sony Trinitron KV-29F3A - Page 37

Sony Trinitron KV-29F3A
58 pages
Print Icon
To Next Page IconTo Next Page
To Next Page IconTo Next Page
To Previous Page IconTo Previous Page
To Previous Page IconTo Previous Page
Loading...
KV-29F3
KV-29F3
KV-29F3
KV-29F3
KV-29F3
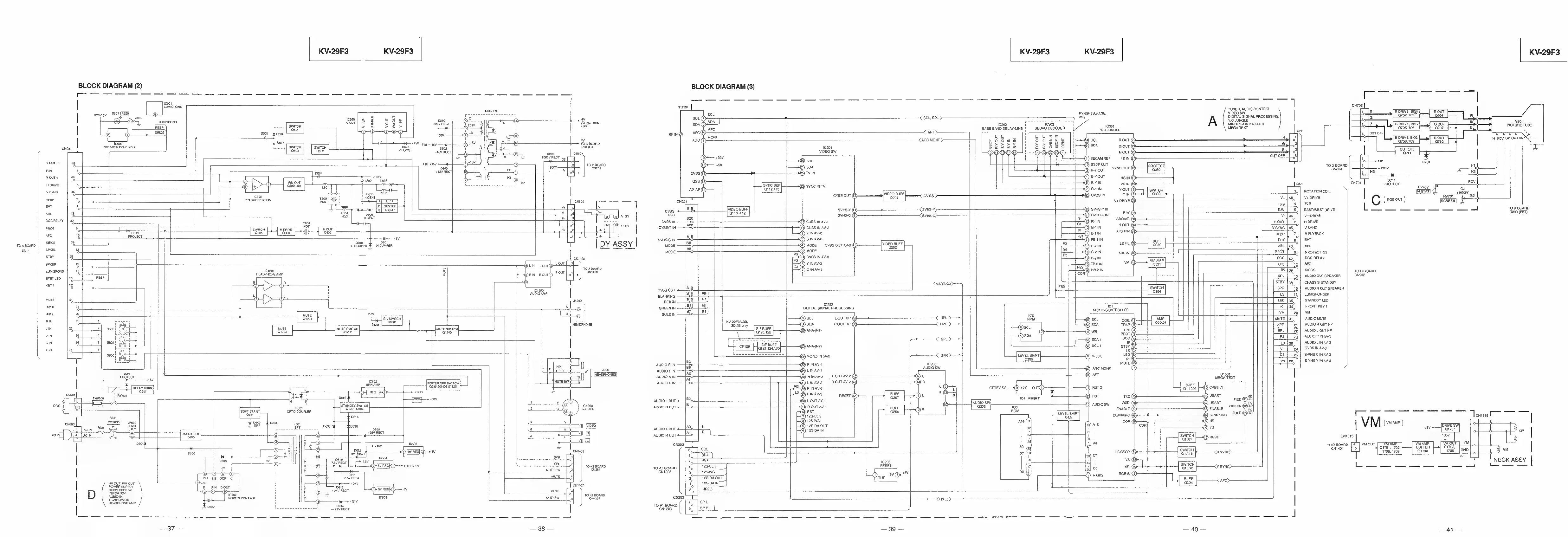
BLOCK
DIAGRAM
(2)
BLOCK
DIAGRAM
(3)
=
Ce,
pale
ea! Soe
=a
.
a,
a
ae
a
ae
i
ee
ees
ate
—_—-
—_—
EE
TT
TS
Er
er
ee
er
er
er
ee
ee
ee
er
errr
err
srs
con70s
|
tira
sairisose
a
\
—f-p$
EH
:
one
|
saree
se
BigHAL
SIGNAL
PROCESSING
Rae
:
ee
-
steysv
i
q
+
:
=
Yi
JUNGLE
i
ae
ee
Fer
[PS
aI
8
gous
wane
|
es
A
|
etre
LEE
Ha
rent
ee
]
E
SwTCH
bbl
eo
i
|
Tee
BASE
BAND
DELAY-UINE
|
YiC
JUNGLE
SET
ens
pape
:
sy
oat
;
a
t
8
|
ame
fem
ae
es
one
5
cr)
LPS}
(aa
|
H
FV
2
ae
FF]
2
:
;
po
a
De09
ON
6a)
Be
STG
SwiTcH
O60
1
ares
video
sw
3
ort
cona0e
‘508
see
veoesr
eer
A
|
oe
co
Len
3:
iat
ce
one
@SECAMREE
KIN
ea
rd
ess
Onn
=
aS
ee
efa
1
.
i
+
@
ssce
our
roosoar
|
|p
vor—
|
|
ear
ove}
5
7,
|
rocsoano
sync
our
@
{PROTECT
BBR8F°
|__|.
ssov
i
0503
‘eed
0
ileal
GN70t
S)
RY
OUT
le.
[He
2
en
5
Eis
[—
veer
seve
é
°
>
Devour
si
cat
vours
|
46
{
Rael
©
L—@
5
T
+48)
BY
IN
Veit
[ont
on7o1
pReneor
a
ee
coer.
PINOUT
en
ISYNC
SEP)
e:
G2
wen
‘i
&
ae,
|
Sars
3)
SYNCINTV
YIN
your
G2
[Saree
3,]
ROTATION
co
4
(1000)
|
[vibEO
BUFF
5
coves
IN
YIN
ie
avro1
ven
|
4s
;
cves
out
(——_-_—-»
|__-~<
evs
Te
[ae
ilcks
DANE
10
ea
ve
rive
bese
(Resour)
(Bonen)
pa
7
PIN
CORRECTION
[_oneco
==]
onzot
uz)
L
I
TOD
BOARD
EMT
a
|
GENTAE
|—4
wf
v.
ang,
eco
our
avis
@
SVHS-Y)
SVHS-Y
IN
Ew
|
5,
EASTWEST
DRIVE
SS
7203
(FBT)
—+
t
aiGHT
|
vee
ovas
‘anio-412
aneee
ees
€}
SvHS-CIN
id
ve
[a]
v-pRive
DGC
RELAY
|
42
a
Blenders
CVBS
IN
27)
CUBS
IN
AV-1
HOUT
ot
H
oy
ABD
43
6-1
IN
vsyne
[45
|
vsyne
re
bef]
evasiy
|
AgC
PIN
swe
PROT
pao
HORIVE
alle
2
t
i
4
4)
B-1
IN
HFLYBACK
es
eas"
"9
fe
ae
=
a
sv
:
soar
|
eves.c
iw
—158
®
roam
ung—|
SE
eu
[3]
ser
|
5
VIDEO
BUFF
392
sinc
ae
ae
1
|
DY
ASSY
woos
—|®%
}
3———|oeg
a
|
@
raw
ot
[5,°]
AB
TO
ABOARD
}
HOUMPER
nae
AB
i
if
RROT
3
PROTECTION
coun
|
SPRL
8
a
MODE
.
|
|
+-@
een
ABLIN
@
:
7
=
U
J
|
|
| :
occ
GC
RELAY
|
S
cour
|
|
te
FB
IN
oat
|
arc
|
2]
AFC
|
ra
-
5
T
2)
Pal
cen
TOs
BOARD
|
|
|
EEG
Hein
Ll
IR
[ag
|
sincs
|
tooBoaRD
i
|
icrz01
5
rout|
+
‘cNt208
COR
Trl
L
‘AUDIO
OUT
SPEAKER
oneo2
LUMISPOND.
|
|
HEADS
Ap:
2)
|RIN
ROUTE
|
f
1
|
|
a
;
SSIS
aioe
|
seven.
||
ag
nes
|
B
+
ial
3,
|
chassis
er
|g
|
aa
i
|
eas
re
evrion
Thy
TTP
PEEL
ts]
sooncursrencn
|
|
|
|
vo1200
ves
OUT
«Fe
7
:
-——
Lee]
|
|
ts
[16
|
Lumisponoer
|
|
|
‘AUDIO
AMP
Fe
|
|
|
|
|
|
BLANKING
ra
|
[_
[ize
fas,
‘STANDBY
LED
wre
fy
Ee,
FED
—B
1c202
ia
imal
Tocects®
|
eronrners
|
HPR
Ea
|
i
|
o
GREEN
IN
5
|
DIGITAL
SIGNAL
PROCESSING
|
MICRO-CONTROLLER
Ha
|
vm
|
20|
vm
3
1
t
aD
|
|
wee
2
15
7
URe
BULEIN
HPL
|
[
[wore
[az
|
auolomute
3.
suircn
Ly
KV-29F9A.28,
T
fuer
|
er}
AUDIOR
OUTHP
AW
=
|
Gra
i
wars
38
ea
un
i
ute
fwuTe
wire]
I
BURE
|
[Bec]
gg
|
i
|
Gis)
eG
i200
a
|
(TR
[Tg
|
avoir
wavs
}ovm
r
|
=
ne
|
(Te)
avoiot
nave
1
1
‘SIF
BUFF
Sie?
CVBS
IN
A\
me
i
|
F120
[-laiat,
124,130]
vs
|
as
v3
A
r
|
|<
spr
>
l
even
Sarr
@)
v-BLK
3
|
ees
va
[25,
|
SVHSY
INA
Ls
10203
MUTE
@
=
esapee
AUDIO
Bint
Be
AUDIO
SW
AGC
MONIT
:
.
00
AUDIO
LIN
et
ic1001
nis
jet
-
[HEADPHONES]
AIG
RIN
Seon
LOUTAV.2
@-=
=
ee
MEGATEXT
pagrect
a
A
ev
resee
|
AUDIO
LIN
a
@DLINave
ROUT
AV2G
BUFF
.
ERAN
—{"Ge05
eae
0st
7608"
RINAVS
sToey
sv-—+@)
+5V_
ou
TLat-to02
FE)
eves
IN
BRINE
ha
al
Gear
;
——
ORES
HC
96v
&
Linava
As
BUFF
69)
USART
re
et
inc
|
me
ete
i
|
Se
oer
neo
2)
|
ac
sigton
<
;
{
eS
ov
AUDIO
L
OUT
3)
LOUT
AV-1
|
[AUDIO
SW
USART
nee
eee
ce
J
“T25
es
tl
BM
auoion
out
+t!
@
nour
av
|
au
|
Gans
@euse
ee
-——
Aes"
sort
stan
onrdSinen
|
spars
|
ete
@aranang
PUG
|
ontrie
|
801
si
|
vesN
|
vs
|
VM
(oman)
ee
mee
ees
OWE
sps00
Fee
pow
te
|
ag
FS
eal:
ie
oneu?
|
es
|
ov
—oPRVES
2
row
FOOL
ft,
YFOO
7
a
|
AUDI
re
5
G6)
125-DA
IN.
|
|
Sag
aut
<7
T
‘cal
ie
ten
MAIN
RECT
a
|
AUDIO
R
OUT
+—|"
Sey
|
aor
RESET
4
oy
“il
7
-
—Pser}
|
|
|
l
rogeowo
fo
won
wm
ame
clear
wl
|
a
|
‘Sins
cnave
noe
of
arz01.
1702,
BUFFER
Sf
pees
ini
os
|
|
|
scl
rs
‘SWITCH
s
1708,
1708
‘Ov704
1706
1
=a
aa
5
og
fo"
Srna
+
|
eS
CAC
min
Gat
ae
aT
‘0606
|
|
|
b
Wher
DURES}
|
[Sa
)
1
CA
NECK
ASSY
|
vcs08
|
AST
|
|
|
De]
|
ey
7S:
ies.
‘Swiron
re
[tes
oe
Men
an.
ere
a
eo
See
Sp
uu
|
3
pa
Sareea
h—
sroey
sv
a
TOK
BOARD
yoateoann
|
|
4,_|
125-6lK
15.16
|
H
H
[ee
Se
tate
Rear
=
UTES
ALE
Sea
Gnt202
3
|
2sws
sv
eet
©—-D-O-4.
H
|
an
T
ot
*
Ly
|
eres
|
b+
|e
Se
een
eS
ae
|
/
sou
eaoer
ee
a
Uo
‘a
=
|
/
POWEE
"
1
oe
=<
D
(
Riesese
2
gu
!
anes
BVREG}O—+
sv
ra
6,
=
|
iNoicaron
=a
'
nt et
nasa
—T
AUDIOIN
}
'
.
16508
muresw
|g
Raa
TERDEHONE
Aur
i
pail
|
/
F
coor
teesece
ee
|
pte
oo
[sen
4
—37—
38
—39—
a
=
—41—

Related product manuals