EasyManua.ls Logo

Sony Trinitron KV-29F3A - Diagrams

Sony Trinitron KV-29F3A
58 pages
Print Icon
To Next Page IconTo Next Page
To Next Page IconTo Next Page
To Previous Page IconTo Previous Page
To Previous Page IconTo Previous Page
Loading...
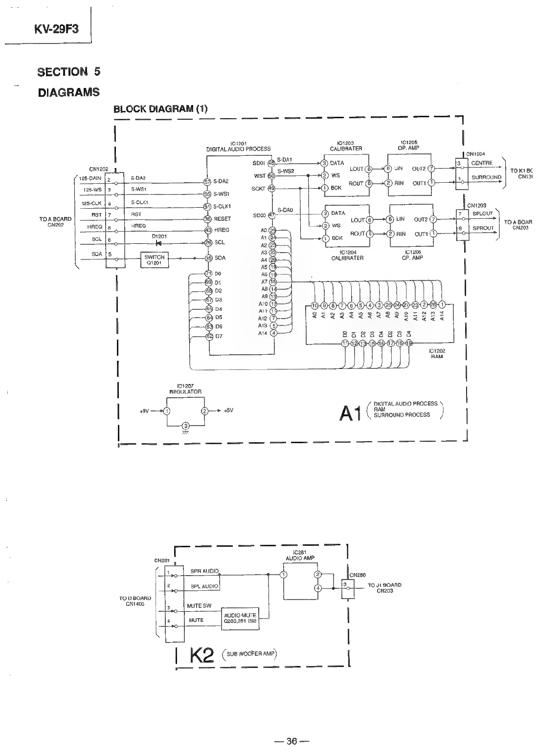
KV-29F3
SECTION
5
DIAGRAMS
TOA
BOARD
cn202
BLOCK
DIAGRAM
(1)
oes
_
i
|
DIGITAL
AUDIO
PROCESS
CcAMTBRATER
oP
Ae
enreoe
DATA
[3
|
CENTRE
ont20g
|
CONTE:
L
LouT@—+@)
uN
ure
wee
‘125-DAIN
|
2
S-DA2
4
|
SURROUND
CN13¢
O—+@)
AN
1
|
SURROUND
125-ws
|
3
S.WwSt
Gy
ack
ROUT
om
ascix|4
|
s-ctxs
cnt208
ast
|7__|_ast
3
DATA
ae
uN
UTE
|
SPLonr
HREQ
|
HREQ
ws
tour
sch
TOABOAR
Pee
J
6,
|
sprour,
|"
cnzns
mal
ca
ae
D—+@
an
ours
|
SPROT
soa
[5
icra
C1206,
SwiTon
aizot
CALIBRATER
oP
ale
|
\o1207
REGULATOR
|
DIGITAL
AUDIO
PROCESS
“sv
—>
sv
RAM
‘SURROUND
PROCESS
|
[it
Res
eta
See
et
ai
al
icoet
cnest
AUSIOAMP
7,
|_sPR
AUDIO,
2
‘SPL
AUDIO)
‘TO
J1
BOARD
0
one
To
BOARO
‘entaas
MUTE
SW
Api
MUTE
|
mure
|
Gesozer
200
|
K2
(sua
wooren
au)
=36—

Related product manuals