EasyManua.ls Logo

Sony Trinitron KV-29FS13 - Page 36

Sony Trinitron KV-29FS13
123 pages
Print Icon
To Next Page IconTo Next Page
To Next Page IconTo Next Page
To Previous Page IconTo Previous Page
To Previous Page IconTo Previous Page
Loading...
— 36 —
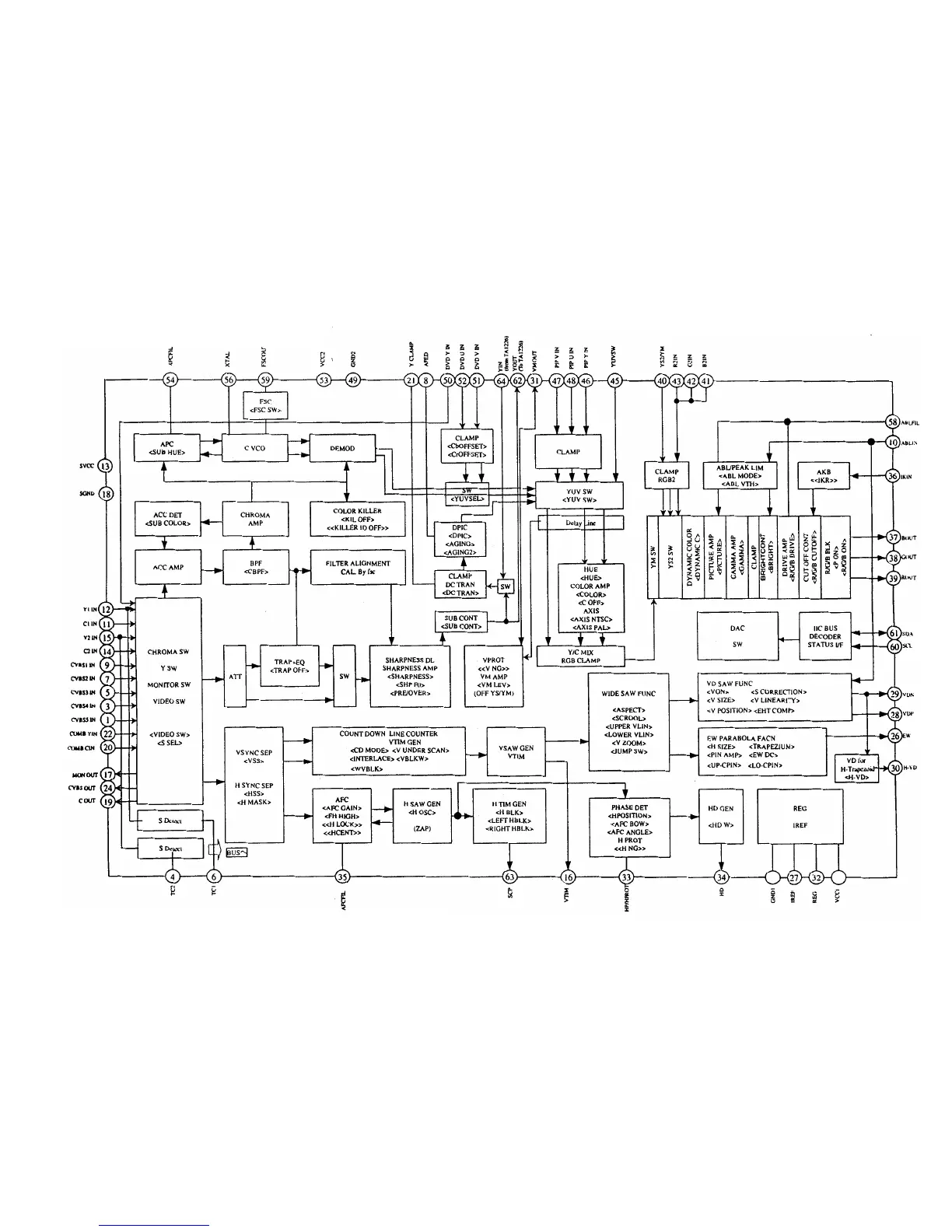
KV-29FS13 / 29FS13C
MA BOARD IC BLOCK DIAGRAM
IC301 CXA2154AS

Table of Contents

Related product manuals