EasyManua.ls Logo

Sony TRINITRON PVM-14L1 - Page 60

Sony TRINITRON PVM-14L1
76 pages
Print Icon
To Next Page IconTo Next Page
To Next Page IconTo Next Page
To Previous Page IconTo Previous Page
To Previous Page IconTo Previous Page
Loading...
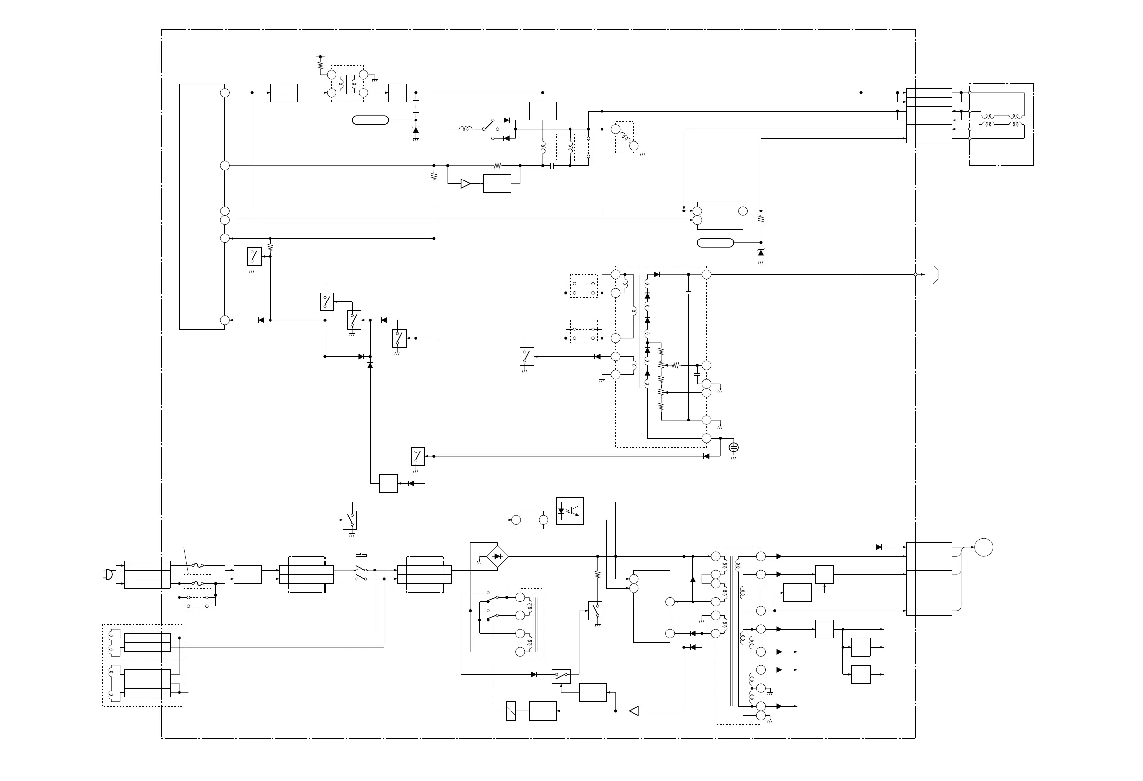
6-2
PVM-14L1/14L1MDE/20L1
SSM-14L1/20L1
6-2
A (2/2), DYA (2/2), DY
4
2
1
HV
F
12
T501 FBT
5
11
SC
C BOARD
PICTURE TUBE
HV
IC001(2/2)
µCOM
24
H OUT
17
EWD
H OUT
Q501
-VIN
1
IC551
V OUT
+VIN
7
5OUT
1
H DY+
CN501
2
H DY+
3
H DY-
4
H DY-
5
V DY-
6
V DY+
DY
1
2
IC651
H DRIVE
Q502
31
IC552
PIN AMP
4
3
2
1
T502
HDT
+B
DUMPER
D501,502
ERROR
AMP
PIN OUT
Q551
A
(2/2)
µCOM,DY
REG
H PULSE
L504
+B
S504
L551
L501
JW503
14L1
MODEL
20L1
MODEL
1
L502
PMC
4
18
VD-
19
VD+
V PULSE
JW501
6
JW502
+B
JW505
JW506
+B
EXCEPT
20L1
20L1
MODEL
13
NL501
Q102
Q301
Q314
+B
Q317
Q315
26
EHDT OCP
54
ABL
Q316
JW601
JW602
SW
Q606
+B
Q601
LIVE
1
NEUTRAL 2
AC IN
CN601
CN602
LINE
FILTER
CN604
(2/2)
RY603
P CONT
Q608
RELAY
DRIVE
Q603
3
1
15
13
12
T601
SRT
L601
1DGC
11
10
8
9
8
3
RED
ORG
8
3
1
6
WHT
BLK
1
6
CN603
(2/2)
CN603
(1/2)
2
DGC
4
6
18
17
CN602
1DGC
2DGC
S601
T603
3DGC
F602
F601
EXCEPT
14L1 MD
14L1 MD
ONLY
14L1/14L1 MD MODEL
20L1MODEL
CN604
(1/2)
D601
AC RECT
1
3
4
6
Q607
Q609
Q611
IC602
COMP
VCC
4
3
D
IC601
REG 6SC
PH601
+B
FEED BACK
OCP/FB
1
+B
2S
16
P CONT
Q610
REG
Q604
D614
D619
+8V
REG
D618
IC654
14
D617
-15V
D615
+B
D616
+15V
+5V
REG
IC652
+3.3V
REG
IC653
+8V
+3.3V
+5V
CN502
200V
H1
3
7
G2
1
H2
8
D591
A
A(1/2)BOARD
CN710
CN730
)(

Table of Contents

Related product manuals