EasyManua.ls Logo

Sony Trinitron PVM-2950QM - Page 40

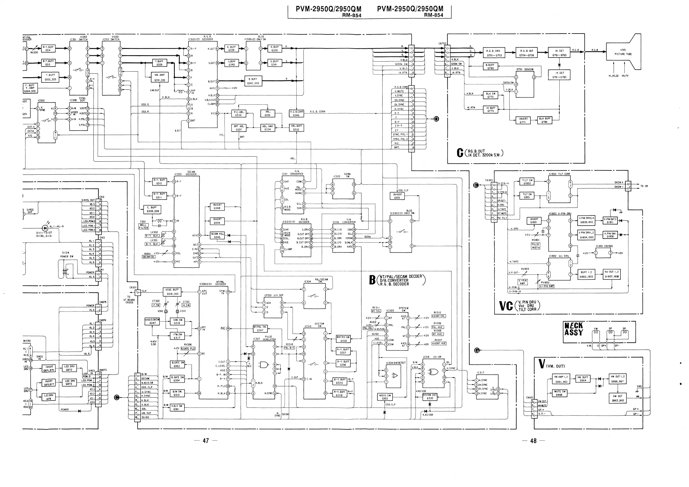
Sony Trinitron PVM-2950QM
104 pages
Print Icon
To Next Page IconTo Next Page
To Next Page IconTo Next Page
To Previous Page IconTo Previous Page
To Previous Page IconTo Previous Page
Loading...
---------
SIRCS
OUT
I,;
KL I -KL-6
Dlll!-01127
01130, DII31
S1124
---------
--------
MICRO
RV301 +12Y
!SECAM COLI
Kl4
B.R.T
SECAM
DECODER
1(306(2/21
PIC,
NT/PAL
DECODER
BRT
PAL 1aa'\..-----l-e----
- 47 -
ABL.
svic
50160
PVM-2950Q/2950QM
PVM-2950Q/2950QM
RM-854
RM-854
R.G. 8. OUT
0704-0706
H.BLK
3200k SW
V. BLK
32005W
IK.RTN
1K.RTN
15
R.G,B.CORR
V,MUTE
V.SYNC
H.BLK
2H.SYNC
2V. SYNC
H.SYNC
IK.RTN
R.G. B, CORR
R·Y
8-Y
2R-Y
12
2Y
13
SYNC.POL. I
15
SYNC. POL.2
16
P!C. 7
BAT.
18
I
~
(RG.B.OUT )
~K- DET. 3200k S.~_· ---
AGING
SW
~+-----~·11
OSD. CLP
B
(
NT/PAL/SECAM DECDER)
DIA.CONVERTER
R.G. 8. DECODER
+12V
+l2V
+\2V
+12V
050.CLP
RV310
l4.43NT.COL,I
RV309
!PAL.HUE.I
RV308
INT. HUE.I
RV307
l4.43NT.HUEI
---------------
H.DRV
H.TRPZ
RV1803
V.P.OUT-
rv:=PiN7
~
V-PIN-V
____ J
PULSE
WIDTH
Q.P.-
- 48-
IK DET
R.G.8 R.G.B V90I
0761- 0763
PICTURE TUBE
IKDET
1
1
0781-0783
Hl,H2,G2 HV,FV
__ J
----------
V PIN DRVl,2
01804,1805
IC 1801 +5VREG
+12v--0--+5v
BUFF \. 2
0\802,1803
Vee OUT 1,2
01807, 1800
__ j
~-
L~
VM
V.M. G OP-t
OP-
VM OUT 1,2
,__...,....,__,
0966, 967
VM OUT
0963 ,965
------ -----
GNO
VM
OP+
OP-

Related product manuals