EasyManua.ls Logo

Sony Trinitron PVM-2950QM - UJ Board; Uaboard

Sony Trinitron PVM-2950QM
104 pages
Print Icon
To Next Page IconTo Next Page
To Next Page IconTo Next Page
To Previous Page IconTo Previous Page
To Previous Page IconTo Previous Page
Loading...
JID4 <r
...-W.--OR103
I '" 1s
:RN
r,:··-·
J10si
2
) +
cl~
1
BIOi
16V R!IIOE5B2
--·910:r-.
RB10ESB2
8103
R!IIOE5B2
8104
RBIOESB2
!1107
RBIOESBZ
!1117
R!IIOESBZ
i ($.:g:=:T---' ,__ ___ :;:::.,._.....,.....J
[_ ___ _
r·-
i
J113;
! (o»--.---.---,1--4-----~
R142
1,8k
:CHIP
R143
390
:CHIP
3
14
15
16
17
18
6
7
8
9
15
16
17
18
I
VI .OUT
VI .OUT
Cl.OUT
5-SWI
V2.0UT
E
YZ.OUT
E
CZ.OUT
S-5'w'2
E
RGB1/Z
RGB1/Z
CN101
ISP
BLK
:HINGE-5
TO UT BOARll
CN201
CN103
--2P---
WHT
-,S-MICR0
I TO UT BOARll
CN206
R-Y/R
Y/G
E
B-Y/B
E
EXT.H
EXT.V
+SV
LI.OUT
RI.OUT
E
LZ.OUT
AZ.OUT
L3.0UT
R3.0UT
R3.0UT
CN\02
IBP
BLK
:HJNGE-5
TO UT BOARll
I
CN202
UJ I
--- ~NPUTJ I
8-55321 B<U/C>-UJ.
- 89-
4 .
- - . ·----- ---· .. --------·-- ..
A
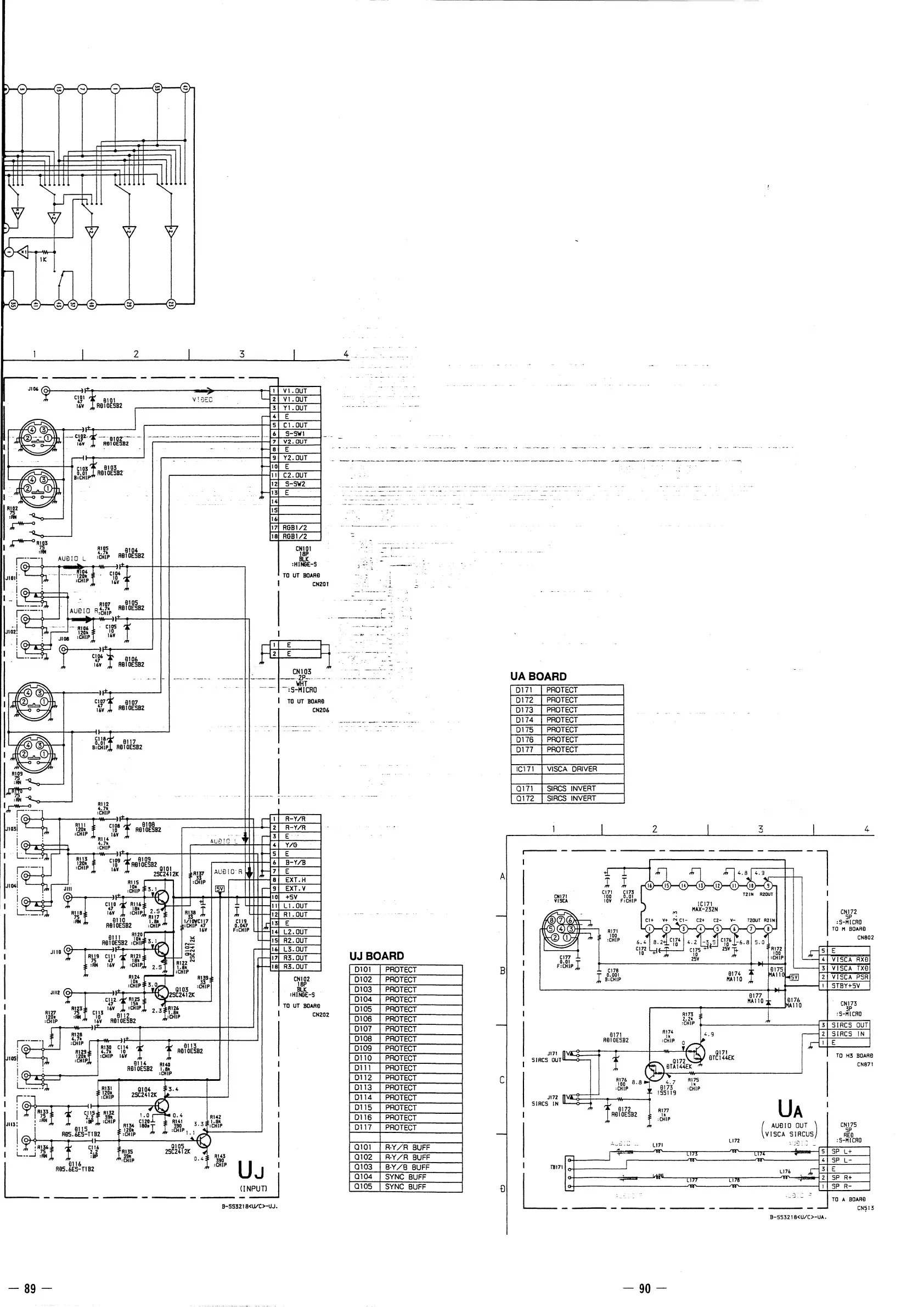
UJ BOARD
D1O1
PROTECT
B
D1O2
PROTECT
D1O3
PROTECT
D1O4
PROTECT
D1O5 PROTECT
D1O6
PROTECT
D1O7
PROTECT
D1OB PROTECT
D109
PROTECT
D11O
PROTECT
D111
PROTECT
D112
PROTECT
C
D113 PROTECT
D114
PROTECT
D115
PROTECT
D116
PROTECT
D117
PROTECT
0101
R-Y/R BUFF
0102
R-Y/R BUFF
0103
B·Y /8 BUFF
0104
SYNC BUFF
0105
SYNC BUFF
fl
UABOARD
D171 PROTECT
D172 PROTECT
D173
PROTECT
D174 PROTECT
D175 PROTECT
D176 PROTECT
D177
PROTECT
IC171
VISCA DRIVER
0171 SIRCS INVERT
0172
SIRCS INVERT
2
3
4
l
.L
l I
CJ71 C173
CN17I
IOO
0.01
VISCA 10V
F:CHIP
CNl72
SP
:S•MICRO
R171
TO M BOAR.fl
100
CN802
:CHIP
5
E
cm
4
VISCA RXO
F~cfllp I
VISCA TXO
Cl78
I tct
0
1~
2
VISCA PSR
1
STBY+SV
8177
6176
HAI 10
MAI 10
CNl73
l
3P
R173
:S·MICRO
2,2k
SIRCS OUT
:CHIP
8171
4, g
SIRCS IN
Rat OESB2
1
E
Q\71
TO H3 BOAA8
J171
BTCl44EK
SIACS OUT
CN871
A11la6 8.8
•CHIP
J172
SIRCS IN
LIA
( AUOIO OUT )
CN175
SP
VISCA SIRCUS
Rm
ll72
:5-MICRO
,.;.~:-.:'...,
L171
5
SP L+
4
SP
L-
f817I
3
E
L_
2 SP R+
1
SP
R-
- '.J -
TO A BOARll
CN~l 3
B-55321 B<U/C>-UA.
- 90-

Related product manuals