EasyManua.ls Logo

Sony Trinitron PVM-2950QM - Page 46

Sony Trinitron PVM-2950QM
104 pages
Print Icon
To Next Page IconTo Next Page
To Next Page IconTo Next Page
To Previous Page IconTo Previous Page
To Previous Page IconTo Previous Page
Loading...
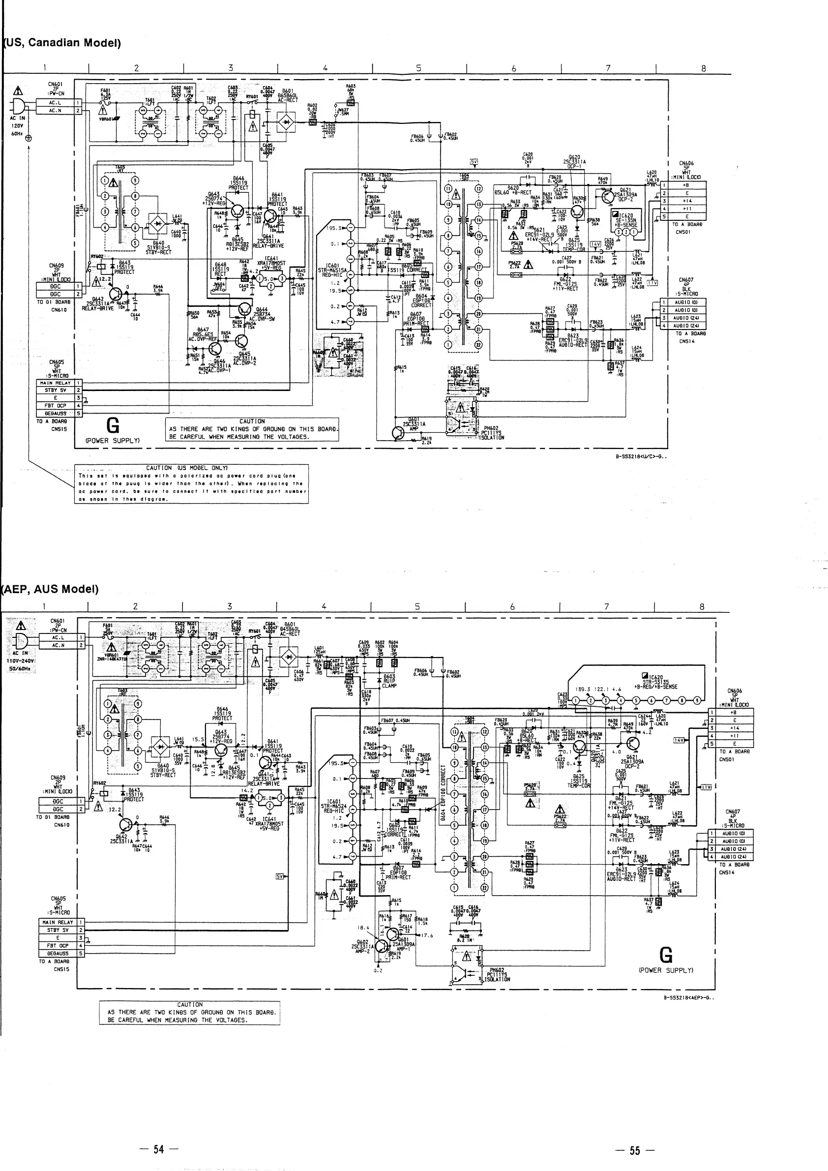
US, Canadian Model)
CN601
2P
,P\1-CN
AC.L
AC.N
CN609
2P
\/HT
,HNI
llGC
TO GI BOARS
CN610
CN605
SP
\/HT
,S-HICRO
MAIN RELAY 1
STBY SV 2
E 3
C/,4-I
10
8640
SIVBI0-5
STBY-RECT
RW.
3.9k
FBT OCP 41-----------+-------------------'
OEGAUSS-· 5 -----------~
TO A BOARS G ~--------~C~A-U~T~l~O~N--------~
CNSIS AS THERE ARE T'wO ICINllS OF GROUNll ON THIS BOARll
<POWER SUPPL Yl
BE CAREFUL WHEN MEASURING THE VOLTAGES.
CAUTION QJS MOllEL ONL Yl
This sat Is equipped wlttl a polartzad ac power cord pluQ (one
Diode ot tne puuq Is wider than the other). w'han raploclnQ the
oc power cord. be sure to connect It with spaclfl1d part nu11bar
as sheen In thas d I og
ra
AEP, AUS Model)
50/i,OH,
CN601
2P
,P\1-CN
AC.L
AC.N
CN609
Jl'T
,HIN! ILOCKl
llGC
llGC
TO Gl BOARS
CN610
CN605
SP
\/HT
,S-HICRO
MAIN RELAY
STBY SV
E
FBT OCP
OEGAUSS
TO A BOARO
CN515
1
2
3
4
5
2
R646
3.9k
CAUTION
AS THERE ARE TWO KINllS OF GROUNll ON THIS BOARll.
BE CAREFUL WHEN ME A SUR I NG THE VOLT AGES.
- 54-
sv
4
----- ----
s
FB606
0.4SUH
s
FB606
0.4SUH
FB602
0. 45UH
FB602
0.451.JH
. PH602
- PCl11YS
3 ISOLA TI ON
6
6
C620
0.001
2,v
8
Rt.28
7
7
CN606
SP
\/HT
,MINI
IL
CKl
+8
E
+14
+II
8
TO A BOARD
CNSOI
CN607
4P
BLK
, 5-HICRO
AUSIO IOI
AUOIO 10)
3 AUOIO 1241
}.i7sHll,';l-+-o-,M-._.f=:f.=:: ..... __ ~,....u
4 AUOIO 1241
TO A BOARO
CN5l4
1.36
I~•
:RS
'
R637
4.7
,.
,RS
L624"
15.-H
:LHl.08
_ _J
B-55321 B<U/C>-& . .
7
(;j1C620
STR-53135
+8-REG/+B-SENSE
R637'
4.7
IV
:RS
8
G I
COWER 5UPP:_J
B-5532 I B<AEP>-& ••
- 55 -
CN606
SP
\/HT
,HIN! ILOCKl
+B
+14
+I 1
TO A BOARO
CN501
CN607
4P
BLK
,S-HICRO
AUl110 10)
AUIJIO IO)
AUQIO 124)
TO A BOARS
CN514

Related product manuals