EasyManua.ls Logo

Sony VPL-CX61 - C (1;15)

Sony VPL-CX61
110 pages
Print Icon
To Next Page IconTo Next Page
To Next Page IconTo Next Page
To Previous Page IconTo Previous Page
To Previous Page IconTo Previous Page
Loading...
6-8
VPL-CX61/CX63
6-8
2
3
4
5
ABCDEFGH
1
C (1/15)C (1/15)
HN1B01FU-TE85R
Q103
RES_SW
100
RB102
1
2
3
4
5
6
7
8
0
RB100
1
2
3
4
5
6
7
8
I2C_400K
10:1G
D1 G2 S2
D2G1S1
SSM6N15FU(TE85R)
Q100
POWER_CONV
3.3V-2
JL110
I2C_100K
4:10B;5:8A;
7:7A
D1 G2 S2
D2G1S1
SSM6N15FU(TE85R)
Q104
LEVEL_CONV
HN1D03FU-TE85R
D102
OR
JL101
JL103
JL111
JL104
D1 G2 S2
D2G1S1
SSM6N15FU(TE85R)
Q101
LEVEL_CONV
5V-2
TP101
XX
100
RB101
1
2
3
4
5
6
7
8
1SS355
D100
OR
1SS355
D101
OR
DTC114EUA-T106
Q102
LEBEL_CONV_INV
SW_CPU
15:1D
CON_PANE
CPU
54
321
S-80928CNMC-G8Y-T2
IC100
RESET
OUT
VDD
VSS
NC
CD
3.3V-0
JL100
100
RB103
1
2
3
4
5
6
7
8
JL107
8765
4321
BR24L64F-WE2
IC103
EEP_ROM
A0
A1
A2
VSS SDA
SCL
WP
VCC
TP102
RES
XX
TP100
CLK
JL133
TP110
HS
XX
TP111
VS
XX
JL134
JL135
JL141
A9V
DAN202UT106
D103
OR
JL142
JL143
JL144
123456789
10 11 12 13 14 15 16 17 18 19 20 21 22 23 24 25 26 27 28 29 30 31 32 33 34 35 36
37
38
39
40
41
42
43
44
45
46
47
48
49
50
51
52
53
54
55
56
57
58
59
60
61
62
63
64
65
66
67
68
69
70
71
72
737475767778798081828384858687888990919293949596979899
100101102103104105106107108
109
110
111
112
113
114
115
116
117
118
119
120
121
122
123
124
125
126
127
128
129
130
131
132
133
134
135
136
137
138
139
140
141
142
143
144
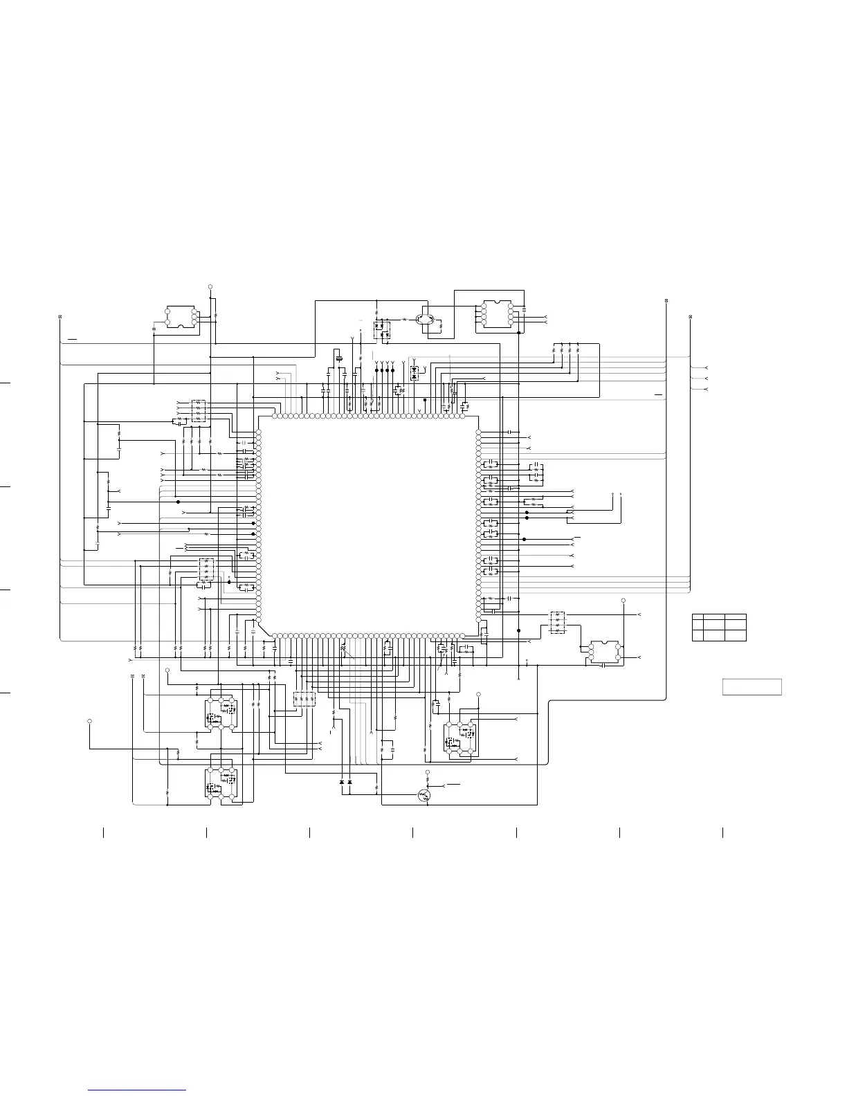
HD64F2378BVFQ35V
IC102
MAIN_CPU
MD2
VSS
P80/IRQ0-B
VCC
PC0/A0
PC1/A1
PC2/A2
PC3/A3
PC4/A4
VSS
PC5/A5
PC6/A6
MON_OUT
PB0/A8
PB1/A9
PB2/A10
PB3/A11
VSS
PB4/A12
PB5/A13
PB6/A14
PB7/A15
PA0/A16
PA1/A17
VSS
PA2/A18
PA3/A19
PA4/A20/IRQ4-A
PA5/A21/IRQ5-A
PA6/A22/IRQ6-A
PA7/A23/IRQ7-A
EMLE
P81/TXD3
P82/IRQ2-B
PH0
PH1
PH2/IRQ6-B
PH3/IRQ7-B
WDTOVFN
NMI
VCC
P10/P08/TIOCA0
P11/P09/TIOCB0
P12/PO10/TIOCC0/TCLKA
P13/PO11/TIOCD0/TCLKB
P14/PO12/TIOCA1
P15/PO13/TIOCB1/TCLKC
P16/PO14/TIOCA2/EDRAK2
P17/PO15/TIOCB2/TCLKD/EDRAK3
VSS
P20/PO0/TIOCA3/IRQ8-B
P21/PO1/TIOCB3/IRQ9-B
P22/PO2/TIOCC3/IRQ10-B
P23/PO3/TIOCD3/TXD4/IRQ11-B
P24/PO4/TIOCA4/RXD4/IRQ12-B
P25/PO5/TIOCB4/IRQ13-B
P26/PO6/TIOCA5/IRQ14-B
P27/PO7/TIOCB5/IRQ15-B
P83/IRQ3-B/RXD3
P84/IRQ4-B
P85/IRQ5-B/SCK3
DCTL
PE0/D0
PE1/D1
PE2/D2
PE3/D3
PE4/D4
PE5/D5
PE6/D6
VSS
PE7/D7
VCC
PD0/D8
PD1/D9
PD2/D10
PD3/D11
PD4/D12
PD5/D13
PD6/D14
PD7/D15
P60/TMR10/DREQ0-B/IRQ8-A
61/TMRI1/DREQ1-B/IRQ9-A
62/TMCI0-B/IRQ10-A
F0/WAIT
F1/IRQ14-A/UCAS/DQMU
F2/IRQ15-A/LCAS/DQML
F3/LWR
F4/HWR
F5/RD
PF6/AS
PLLVCC
RES
PLLVSS
PF7/
Ø
VSS
XTAL
EXTAL
VCC
RTCVCC
N.C
N.C
RTCGND
STBY
P63/TMCI1/TEND1-B/IRQ11-A
P64/TMO0/DACK0-B/IRQ12-A
P65/TMO1/DACK1-B/IRQ13-A
PG0/CS0
PG1/CS1
PG2
PG3
AVCC
VREF
P40/AN0
P41/AN1
P42/AN2
P43/AN3
P44/AN4
P45/AN5
P46/AN6/DA0
P47/AN7/DA1
P90/AN8
P91/AN9
P92/AN10
P93/AN11
P94/AN12/DA2
P95/AN13/DA3
P96/AN14/DA4
P97/AN15/DA5
AVSS
PG4/BREQO
PG5/BACK
PG6/BREQ
P50/TXD2/IRQ0-A
P51/RXD2/IRQ0-A
P52/SCK2/IRQ2-A
P53/ADTRG/IRQ3-A
P35/SCK1/SCL0
P34/SCK0/SCK4/SDA0
P33/RXD1/SCL1
P32/RXD0/1RRXD/SDA1
P31/TXD1
P30/TXDO/IRTXD
MD0
MD1
54
321
SN74AHCT1G08DCKR
IC104
LEVEL_CONV
A
B
GND
Y
VCC
5V-1
5V-1
XX
R115
1/16W
CHIP
100
R151
XX
C138
POS_DET
5:9G
1/16W
CHIP
10k
R194
XX
R187
1/16W
CHIP
10k
R122
1/16W
CHIP
100
R116
KEY4
11A;3D;2:5A
H_POL
7:12F
TILT_Y
2:3C
ENC1
5:3C
1/16W
CHIP
10k
R105
1/16W
CHIP
100
R164
1/16W
CHIP
2.2k
R134
16V
0.01
B
C103
1/16W
CHIP
10k
R127
CNT_PLS
5:3C
1/16W
CHIP
2.2k
R133
1005
10V0.1
B
C151
KEY0
11A;3C;2:5A
1/16W
CHIP
100
R125
1005
10V
0.1
B
C119
PDRV_SDAT
11:1D
KEY3
11A;3D;2:5A
1/16W
CHIP
4.7k
R114
XX
C145
XX
C142
1/16W
RN-CP
4.7k
R101
*R149
XX
1/16W
CHIP
47k
R123
XX
C124
1/16W
CHIP
10k
R117
1/16W
CHIP
100
R118
PW_DVS
9:12C;10:1A
10V
0.1
B
C116
XX
R193
RXD_MS
5:2C
KEY0
11A;11B;2:5A
XX
C139
XX
C144
XX
C150
1/16W
CHIP
47k
R129
SCL_100K_2
3:6G;4:6F
KEY3
11A;11B;2:5A
1/16W
CHIP
R166
10k
XX
C132
1/16W
CHIP
10k
R143
1/16W
CHIP
R172
33k
XX
C128
1/16W
CHIP
4.7k
R107
10V
0.1
B
C147
1/16W
CHIP
47k
R124
R136
XX
1/16W
CHIP
10k
R153
1/16W
CHIP
10k
R158
PSAVE_FCONT
2:2E
SP_MUTE
4:9D
AU_MUTE
6B
XX
R199
1005
10V
0.1
B
C120
KEY4
11A;11B;2:5A
SIGCH_FLAG
9:7E
1/16W
RN-CP
4.7k
R104
VS
5:4B;8:5H
INTERLACE
8:3H;9:5D
SDA_100K_2
3:7H;4:6F
SCL_E
8A
1/16W
CHIP
4.7k
R109
MS_EN
5:2C
1005
10V
0.1
B
C121
1005
10V
0.1
B
C122
1/16W
CHIP
100
R120
PDRV_SENB
11:1D
XX
C130
XX
R190
PDRV_SCLK
11:1C
10V
0.1
B
C117
PC_ DTV
7:12G
MENU_STATUS
5:2C
XX
C146
1/16W
CHIP
10k
R112
SDA_E
8A
1/16W
CHIP
100
R165
SW1
3:8F;3:9C
10k
*R141
SW3
5:4B
XX
R145
XX
R191
1/16W
CHIP
220
R140
10V
0.1
B
C112
V_POL
7:12F
16V
0.01
B
C111
XX
R188
XX
C133
50V
10p
CH
C108
50V
10p
CH
C110
10V
0.1
B
C109
10V
0.1
B
C102
AU_MUTE
6H
10V
0.1
B
C107
XX
R185
HS
5:3A;8:5H
XX
C127
PIC_MUTE
9:4E
1/16W
CHIP
10
R139
ENC2
5:3C
XX
R196
1/16W
CHIP
R147
10k
PW_OSD_EN
9:4E;10:2F
1/16W
CHIP
10k
R138
MS_RESET
5:2C
1/16W
CHIP
10k
R157
1/16W
CHIP
10k
R119
1/16W
CHIP
10k
R146
XX
R198
ENC0
5:3C
1005
10V
0.1
B
C153
XX
R189
1/16W
CHIP
10k
R184
PWFMBSY
9:6D
1/16W
CHIP
2.2k
R130
1/16W
CHIP
47k
R142
1/16W
CHIP
47k
R150
10V
10
B
C105
TXD_MS
5:2C
10V
0.1
B
C118
1/16W
CHIP
100
R154
MON_OUT_EN
6:5D
XX
C137
10V
0.1
B
C100
DDC_SW1
4:6G
1/16W
CHIP
10k
R110
XX
R156
1/16W
RN-CP
4.7k
R103
XX
R102
IPOS
5:4G
1/16W
CHIP
R173
33k
LAMP_TYPE
2:11E
1/16W
CHIP
10k
R195
XX
C149
XX
C152
1/16W
CHIP
1k
R160
1005
10V
0.1
B
C115
XX
C143
SCL_E
5H
SDA_E
5H
1/16W
CHIP
10k
R148
DDC_SW0
3:7H
10V
0.1
B
C148
1/16W
CHIP
10k
R177
XX
C135
1/16W
CHIP
10k
R180
R168
1/16W
CHIP
100
1/16W
CHIP
4.7k
R113
XX
C136
10V
0.1
B
C101
XX
C131
1/16W
CHIP
100
R162
XX
C129
1/16W
CHIP
10k
R181
1/16W
CHIP
10k
R182
1/16W
CHIP
100
R126
XX
C141
TILT_X
2:3C
10V
0.1
B
C114
1/16W
CHIP
10k
R169
10V
0.1
B
C113
1/16W
CHIP
100
R121
1/16W
CHIP
10k
R183
1/16W
CHIP
10k
R161
BRD_ST
5:2C
DDC_WE
3:6G;4:6E
IRIS_CAUTION
5:3G
CHIP
0
R135
1005
10V
0.1
B
C123
1/16W
CHIP
10k
R111
XX
R155
XX
R192
MS_SW
5:2C
XX
C134
XX
C140
XX
C125
1/16W
CHIP
R137
10k
10V
0.1
B
C106
XX
R197
1/16W
CHIP
R106
10k
1/16W
CHIP
2.2k
R131
PANEL_TEMP
11:7E
SIRCS
2:7D;5:2C;14:6D
XX
R144
1/16W
CHIP
10k
R186
XX
C126
WLESS_ON
5:2C
1/16W
CHIP
10k
R108
POWER_PROT
LAMP_COVER
FAN_CONT1
FAN_CONT2
FAN_CONT3
LAMP_ON
LAMP_POWER
SCL_400K
SDA_400K
SDA_100K_1
SCL_100K_1SCL_100K_1
PW_WRT
TXD_RSCP
RXD_RSW
POWER_LED
TEMP_LED
LAMP_LED
PSAVE_LED
LED_CONT
POWER_ON
KEY0
KEY4
NF_ON
NR_ON
KEY3
LAMP_TEMP_TH
EXIT_TEMP_TH
LAMP_PROT
ECO_ON
MD2
FILT_COVER
FAN_PROT
RXD_PW
TXD_PW
CPU_RES
PANEL TEMP
MAIN CPU
16.384MHz
X100
R141
R149 NO
MOUNT
NO
MOUNT
10k
SMD
1005
10k
SMD
1005
VPL-CX63 VPL-CX61