EasyManua.ls Logo

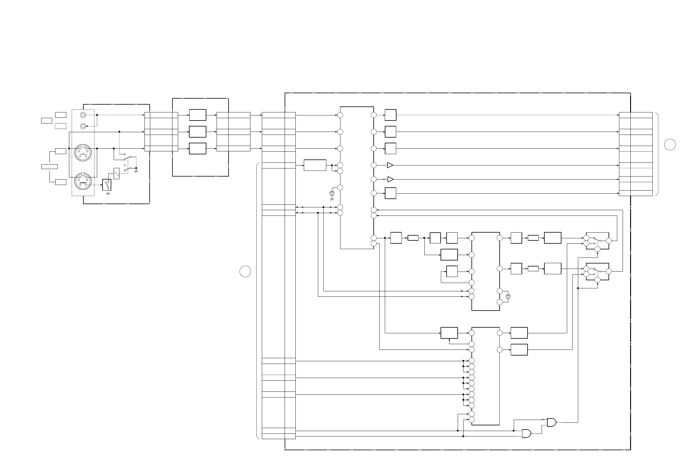
Sony VPL-FX51 - 5 Block Diagrams; Ba, Bb (1;3), Qb (1;2)

Sony VPL-FX51
130 pages
Print Icon
To Next Page IconTo Next Page
To Next Page IconTo Next Page
To Previous Page IconTo Previous Page
To Previous Page IconTo Previous Page
Loading...
5-1
VPL-FX51
5-1
BA, BB (1/3), QB (1/2)BA, BB (1/3), QB (1/2)
QB
(1/2)
S VIDEO
J2101
CN2100
1 CVBS
3 S-Y
5 S-C
VIDEO
1
3
5
IC4000
COLOR DECODER
CVBS/Y1
1
CVBS/Y2
44
C2
43
SDA
14
SCL
13
XTAL
38
X4000
16,2MHz
23
Cr OUT
V BUFF
Q3014
BA
IN
OUT
IN
OUT
BB
(1/3)
CN3001
y BUFF
Q3015
C BUFF
Q3016
CN3002
(1/3)
AB6 C-Y
AB4 YIN
AB2 CIN
CN4000
(1/2)
AB6C-Y
AB4YIN
AB2CIN
BUFF
Q4000
22
Cb OUT
BUFF
Q4001
21
Y OUT
BUFF
Q4002
53
IC4001
9
HS
26
IC4001
4
VS
10
SCP
BUFF
Q4004
BUFF
Q4003,4005
41
CVBS/Y3
19
Y1
AMP
Q4002
FL4006
BPF
BUFF
Q4023
BUFF
4019-4021
AY IN
88
CS IN
76
IC4007
3D COMB FILTER
84AY OUT
3
CVBS OUT
BUFF
Q4024
45
FSC OUT
FSC1
52
BUFF
Q4032
FSC0
50
SDA
60
SCL
59
47XI
48
XO
X4001
20MHz
AMP
Q4025
FL4007
BPF
BUFF
4026-4031
1
3
7
2
IC4002
83AC OUT
AMP
Q4030
FL4008
BPF
BUFF
4034-4039
1
3
7
2
IC4003
7
COMB
5
COMB Y
V IN
15
IC4005
3D LINE COMB
6Y OUT
BUFF
4011-4014
AMP
4006-4010
FBT
14
D7
33
FSC
45
C7
25
C3
29
D6
34
C6
26
C2
30
D5
35
C5
27
C1
31
PAL/NTSC
47
N/M
46
8
C OUT
BUFF
4015-4018
6
5
3
2
1
7
IC4004
IC4004
A11SDA
B10SCL
A8VEH1
B8VEH2
A9VEH3
B9NTPL
A10N/M
CN4000
(2/2)
AB16 V R-Y
AB18 V B-Y
AB20 V Y
B
BB BOARD
CN3002(3/3)
A
BB BOARD
CN3002(2/3)
A14 15K HS
B14 15K VS
A22 SCP
Q2104
RY2100
A12RGB SYNC
Section 5
Block Diagrams

Related product manuals