EasyManua.ls Logo

Sony VPL-FX51 - Frame Schematic Diagram; Frame

Sony VPL-FX51
130 pages
Print Icon
To Next Page IconTo Next Page
To Next Page IconTo Next Page
To Previous Page IconTo Previous Page
To Previous Page IconTo Previous Page
Loading...
6-2
VPL-FX51
6-2
2
3
4
5
ABCDEFGH
1
FrameFrame
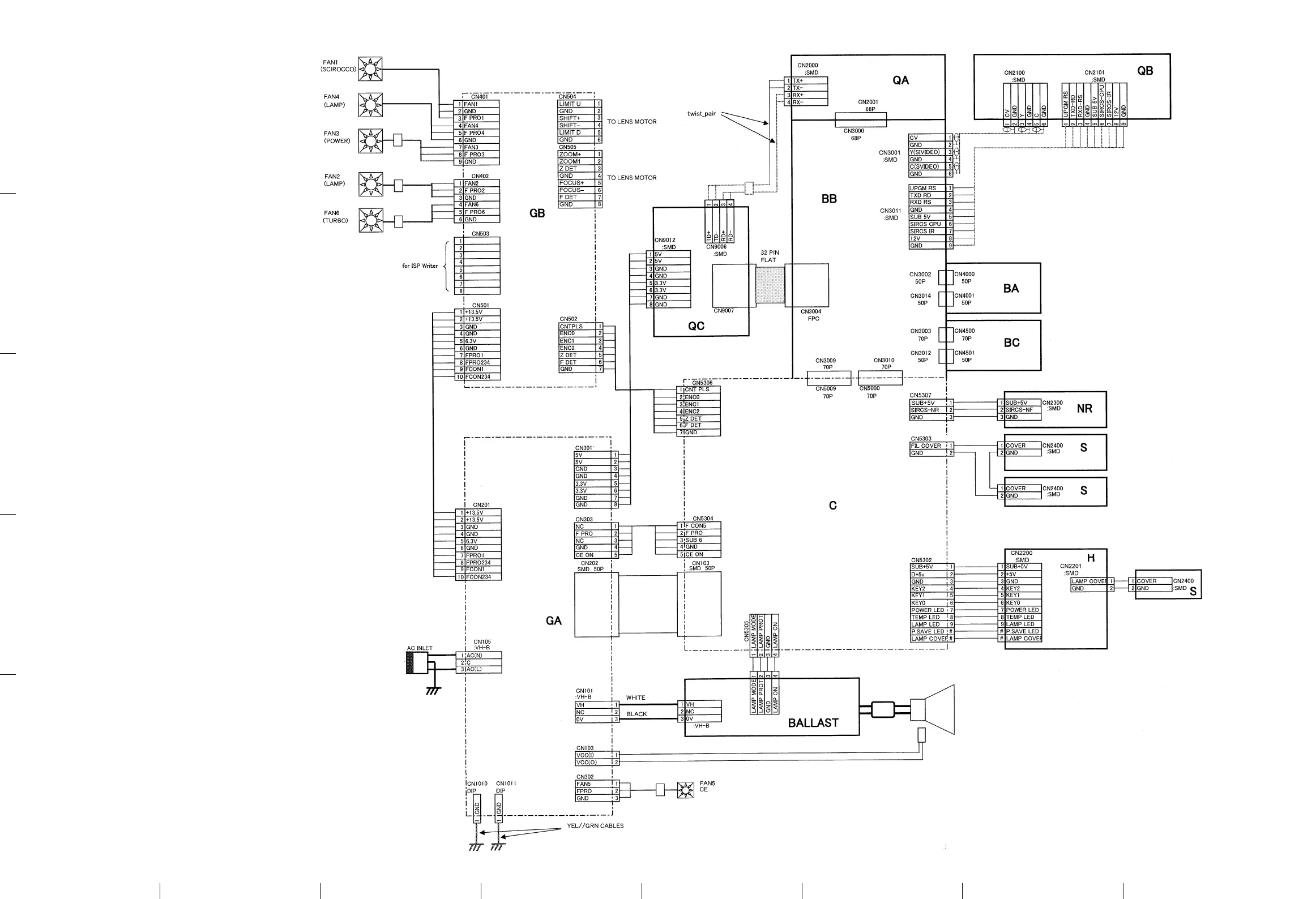
6-1. Frame Schematic Diagram

Related product manuals