EasyManua.ls Logo

Sony VPL-FX51 - Page 84

Sony VPL-FX51
130 pages
Print Icon
To Next Page IconTo Next Page
To Next Page IconTo Next Page
To Previous Page IconTo Previous Page
To Previous Page IconTo Previous Page
Loading...
6-4
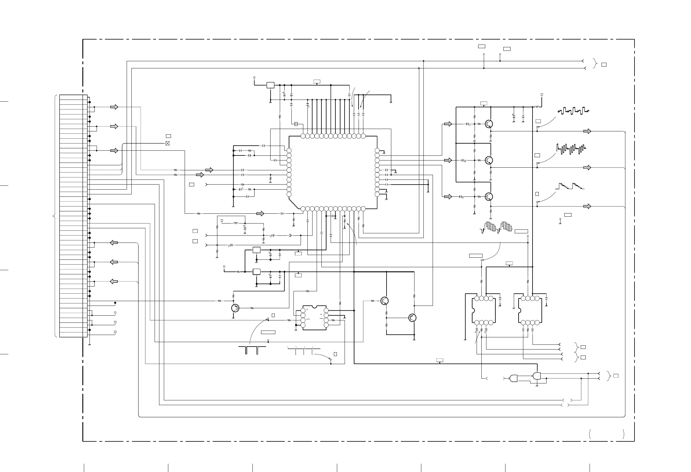
VPL-FX51
6-4
2
3
4
5
ABCDEFGH
1
BA (1/3)BA (1/3)
B25
A25
B24
A24
B23
A23
B22
A22
B21
A21
B20
A20
B19
A19
B18
A18
B17
A17
B16
A16
B15
A15
B14
A14
B13
A13
B12
A12
B11
A11
B10
A10
B9
A9
B8
A8
B7
A7
B6
A6
B5
A5
B4
A4
B3
A3
B2
A2
B1
A1
8765
4 3 2 1
8 7 6 5
4321
8 7 6 5
4321
EMI
EMI
EMI
48
47
46
45
44
43
42
41
40
39
38 37 36 35 34 33 32 31 30 29 28 27 26 25
24
23
22
21
20
19
18
17
16
15
1413121110987654321
R4025
C4023
R4013
C4015
CN4000
C4008
C4024
C4035
C4033
C4000
R4023
IC4000
C4014
C4021
R4015
L4001
C4038
C4037
C4036
C4034
C4030
C4028
C4016
C4013
C4011
C4003
C4002
IC4001
R4034
R4031
R4004
R4009
R4018
FB4004
R4172
R4173
C4141
Q4004
R4036
TP4014TP4013
X4000
R4042
R4041
R4040
R4039
R4038
R4032
R4030
R4029
R4028R4027
R4026
R4024
R4022
R4016
R4007
R4002
IC4004(2/2)
IC4004(1/2)
TP4008
TP4007
TP4006
C4042
C4041
C4040
C4039
IC4003
IC4002
Q4005
R4035
R4033
Q4003
FL4002
TP4005
FL4001
TP4004
C4032
C4031
C4029
TP4003
R4021
C4027
R4020
C4026
R4019
R4017
Q4002
C4022
TP4002
R4014
C4020
TP4001
C4019
R4012
C4018
R4011
C4017
R4010
TP4000
R4008
Q4001
R4006
C4012
R4005
R4003
Q4000
C4010
C4009
R4001
R4000
C4007
C4006
C4005
C4004
L4000
C4001
FL4000
:CHIP1/16W47k
B:CHIP
0.022
:CHIP0
:AL-CP
16V
47
WHT
50P
:AL-CP
16V
39
:AL-CP
16V
47
:AL-CP
10V
56
:AL-CP
10V
56
:AL-CP
10V
56
:CHIP
1/16W
47k
COLOR DECODER
CXA2123AQ-T6
B:CHIP
25V
0.1
B:CHIP25V0.1
:CHIP1/16W3.9k
:CHIP10µH
B:CHIP
0.01
B:CHIP
0.01
B:CHIP
0.01
B:CHIP
0.01
B:CHIP
0.01
B:CHIP
0.01
B:CHIP0.01
B:CHIP
0.01
B:CHIP
0.01
CH:CHIP
10p
B:CHIP
0.01
BUFF
TC7WH240FU
:CHIP
1/16W
1k
:CHIP
1/16W
1k
:CHIP
1/16W
1k
:CHIP
1/16W
1k
:CHIP
1/16W
1k
BK2125HM601
:RN-CP
1/16W
13k
:CHIP
1/16W
15k
:AL-CP
16V
100
BUFF
2SA1037K
:CHIP
1/16W
2.2k
16.2MHz
:CHIP
1/16W
47
:CHIP
1/16W
47
:CHIP
1/16W
100
:CHIP
1/16W
47
:CHIP
1/16W
47
:CHIP
1/16W
100
:CHIP
1/16W
100
:CHIP
1/16W
100
:CHIP
1/16W
47
:CHIP
1/16W
47
:CHIP
0
:CHIP
1/16W
100
:CHIP
1/16W
100
:CHIP
1/16W
47
:CHIP
1/16W
47
:CHIP
1/16W
47
:CHIP
1/16W
47
:CHIP
1/16W
47
:RN-CP
1/16W
7.5k
:CHIP
1/16W
680k
:CHIP
1/16W
100
:CHIP
1/16W
47k
:CHIP
1/16W
47k
:CHIP
1/16W
680k
:CHIP
1/16W
100
:CHIP
1/16W
100
:CHIP
1/16W
47k
:RN-CP
1/16W
27k
:CHIP
1/16W
47k
:CHIP
1/16W
47k
:CHIP
1/16W
47k
:RN-CP
1/16W
1k
:AL-CP
16V
10
:AL-CP
16V
47
TC7W00F
:AL-CP
16V
47
:AL-CP
16V
10
:AL-CP
16V
10
B:CHIP
16V
1
B:CHIP
16V
1
B:CHIP
16V
1
B:CHIP16V4.7
B:CHIP
16V
4.7
B:CHIP16V1
B:CHIP
16V
0.47
B:CHIP
25V
0.1
B:CHIP25V0.1
B:CHIP25V0.1
B:CHIP
25V
0.1
:AL-CP
50V
2.2
BUFF
2SC2412K
2SA1037AK
B:CHIP50V0.22
TC7W00F
B:CHIP
25V
0.1
:CHIP
10µH
BUFF
2SC2412K
BUFF
2SC2412K
BUFF
2SC2412K
B:CHIP
25V
0.1
B:CHIP
25V
0.1
C SW
NJM2533M
Y SW
NJM2533M
:AL-CP
16V
10
EMI
EMI
EMI
NTSC/OTHER
N/M
NTPL
Y/CV-NT
Y/CV-PAL
9V
5V
9V
3.3V
5V
9V
5V
-5V
N/M
NTPL
VEH
SDA
SCL
FSC
Y-PAL
C-PAL
Y-NT
C-NT
4
8
7
2
1
3
6
5
V.Y
V.B-Y
V.R-Y
V.R-Y
V.B-Y
V.Y
VEH3
VEH2
VEH1
P2
B-SS1740-BA-P1
SWITCH
COLOR DEC.,
(1/3)
BA
TO BB BOARD(3/10) CN3002
Y1
Y2
G
P2
SCL
SDA
A-5V
A.3.3V
RGBSYNC
P3
P3
P2
P2
P2
V
H
A9V
A.3.3V
GND
A5V
A5V
SCP
GND
GND
V.Y
V.Y
GND
GND
V.B-Y
V.B-Y
GND
GND
V.R-Y
V.R-Y
GND
GND
15KVS
15KHZ
RGB SYNC
SDA
SCL
N/M
NTPL
VEH3
VEH2
VEH1
GND
C-V
C-V
YIN
CIN
YIN
CIN
GND
GND
GND
GND
GND
GND
GND
GND
GND
GND
GND
GND
P3
A2
VCC
G
GND
A1
ADD(8EH)
FSC OUT
Y
CB
CR
COMB Y
COMB C
YS/YM
R2
APL FIL
YS3
SDA
SCL
D-VDD
Xtal
BPH-Fil
G2
B2
Y/C Vcc
Y2
Cb2
Cr2
Y/C GND
R1
G1
B1
YS1
Cr out
Cb out
Y OUT
Y1
Cb1
Cr1
SYNC-GND
SYNC-Vcc
Y FOR SYNC
SCP
HS
D-GND
COMB C/FORCED S
COMB Y
VS
CVBS OUT(2VPpp)
SYNC IN
CVBS/Y1
C1
AFC.Fi
COMB SYS
CVBS/Y2
C2
CVBS/Y3
APC-Fil
C3
+5V
+9V
+9V
+5V
+5V
+5V
Y
B-Y
R-Y
Y
B-Y
R-Y
Y
B-Y
R-Y
VIDEO
Y
C
VIDEO
Y
C
7.0Vp-p(V)
TP4008 [V]
6.3Vp-p(H)
TP4007 [H]
1.4Vp-p(H)
TP4005 [COMBY]
0.4Vp-p(H)
TP4002 [CR
0.5Vp-p(H)
TP4001 [CB]
1.0Vp-p(H)
TP4000 [Y]

Related product manuals