EasyManua.ls Logo

Splendide WD2000S - WDC6200 CEE; WDC5200 (Comb-O-Matic 6200; Comb-O-Matic 5200)

Splendide WD2000S
72 pages
Print Icon
To Next Page IconTo Next Page
To Next Page IconTo Next Page
To Previous Page IconTo Previous Page
To Previous Page IconTo Previous Page
Loading...
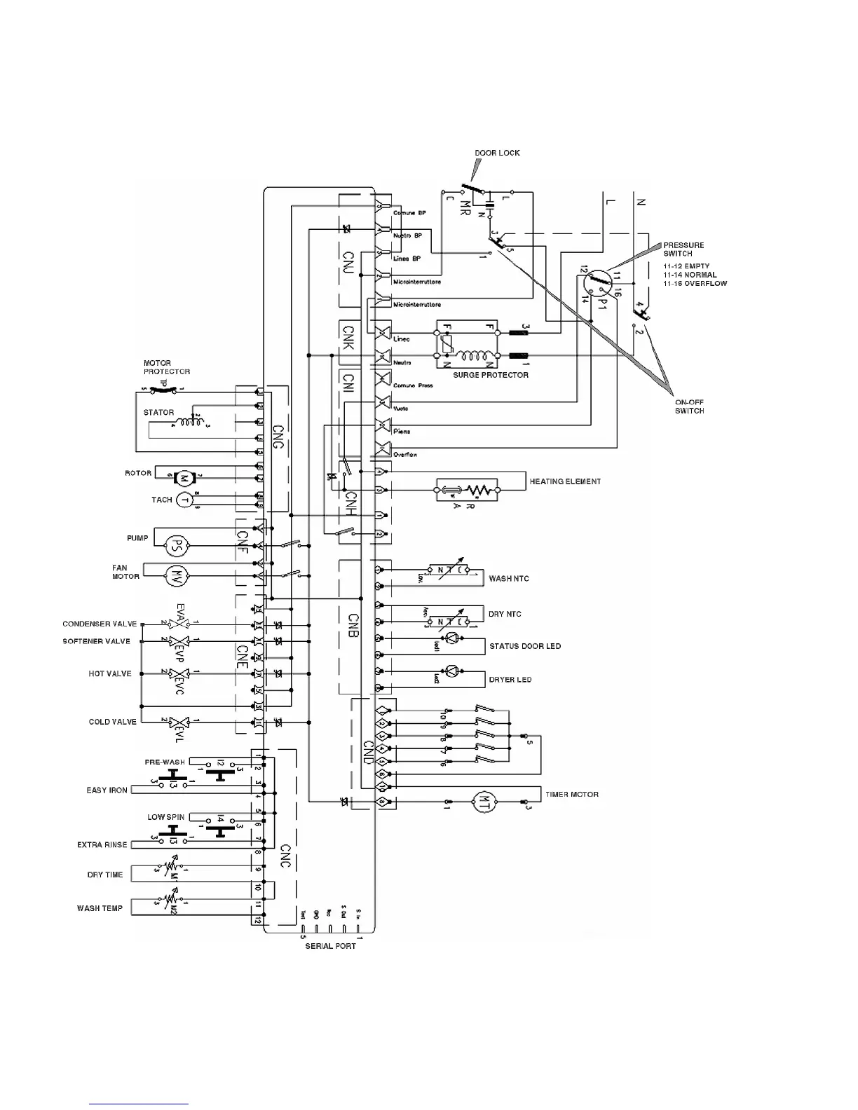
Wiring Diagrams

WDC

CEE / WDC

Comb-o-matic 6200 / Comb-o-matic 5200 Front-Loading Automatic Washer-Dryer with Condenser (Ventless) Drying System

Table of Contents

Other manuals for Splendide WD2000S

Related product manuals