EasyManua.ls Logo

SPX FLOW Deltech FLEX Series - Air and Refrigerant Flow Schematic

SPX FLOW Deltech FLEX Series
24 pages
Print Icon
To Next Page IconTo Next Page
To Next Page IconTo Next Page
To Previous Page IconTo Previous Page
To Previous Page IconTo Previous Page
Loading...
16
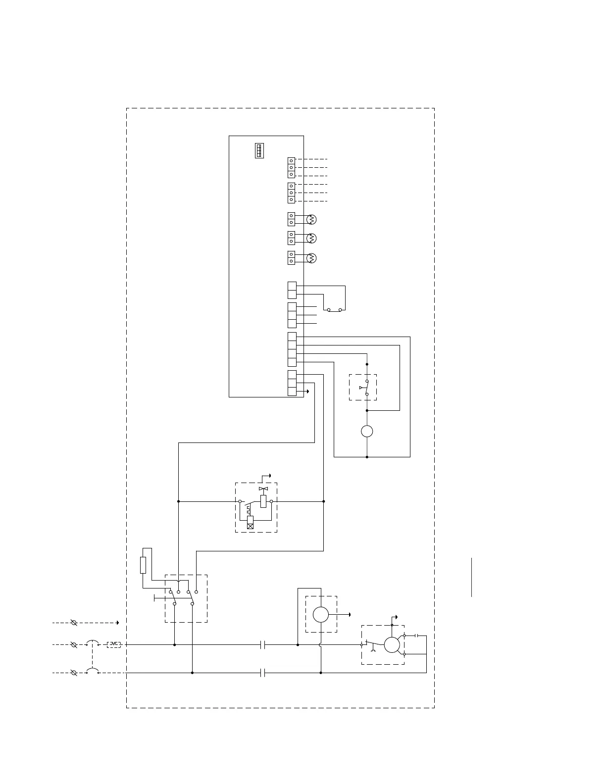
DRAWINGS: ELECTRICAL SCHEMATIC
Figure 6B
Models: DFX 1.5, DFX 2.1, DFX 4.1 (230V/1Ph/60Hz)
NL E
Customer's installation
CH
230V/1PH/60Hz
MC1
S1
S
R
CR
M1
C
S2
L1
N1
S0
F0
(16A)
M2
SOL.
S3
1
DIP SW
2 3 4
AC IN1
COMP1
ALARM1
DRAIN
COM.
N.O.
N.C.
COMONR1 S1FG S2 R2 COM ON COM RBRA
TS1 TS2
DRAIN
TRAP1
MC1
8 9 10 8
N1 L1
PCB
TS3 RS232 RS485
RS232 RX
GND
RS232 TX
RS485 +
GND
RS485 -
LEGEND
M1: Refrigerant Compressor
M2: Fan Motor
MC1: Magnetic Contactor
CR: Running Capacitor
CH: Crankcase Heater
S1: Switch “On-Off”
S2: Overload Protector
S3: High Pressure Switch
TS1: Temperature Sensor 1
TS2: Temperature Sensor 2
TS3: Temperature Sensor 3
SOL: No Loss Drain Valve
PCB: Control Board
S0: Main Switch (Customer’s installation)
F0: Main Fuse (Customers installation)

Related product manuals