EasyManua.ls Logo

Stephill SSD10000S - Page 36

Stephill SSD10000S
38 pages
Print Icon
To Next Page IconTo Next Page
To Next Page IconTo Next Page
To Previous Page IconTo Previous Page
To Previous Page IconTo Previous Page
Loading...
Phone 01933 677911
Fax 01933 677916
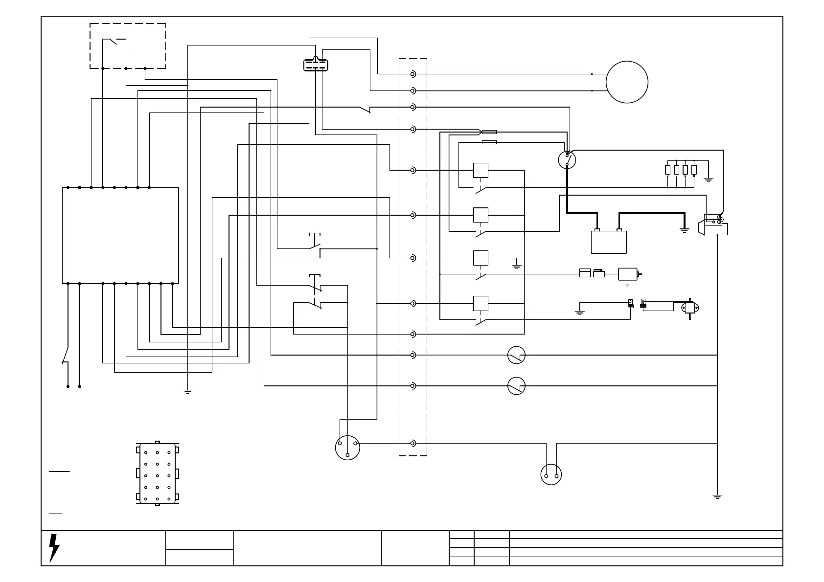
STEPHILL GENERATORS
Drawing Number
SW16062
Drawn
R Golding
Last Number Used
31
Issue Date Revision
Description
Kubota D722 DSE 3110 Stop Timer -
SSD10000S
15 WAY CONNECTOR
18
29
4
25
17
All cable except battery cable to be 1.5mm White unless stated.
Note
1 = Cable numbers
(1) = Terminal numbers
R1 = 60A Relay
R2 - R4 = 30A Relay
Legend
(10)
(7)
(4)
(1)
(12)(11)
(8) (9)
(5)
(2)
(6)
(3)
LOOM CONNECTOR
CABLE ENTRY VIEW
FUEL GAUGE
18
(12)
1
18
3
17
(6)
16
(7)
29
(8)
FUEL PUMP PRIME
2 3
3 3
(5)
4
(9)
(2)
5
2A RE-SET
2
25
(11)
19
19
25
(1)
16
TEMP SWITCH
17 1
OIL SWITCH
16 1
FUEL LIFT PUMP
Red
24
1
Black
1
BATTERY ISOLATOR
2.5mm
2.5mm
6mm
26
R3
6
19
1
31
5
20
23
R2
4
19
29
R1
5
29
+
29
25mm
25
SWITCH
40A
60A
19
23
25
25
6mm
4mm
2.5mm
-
STARTER MOTOR
25mm
20
26
GLOW PLUG
CHARGE ALTERNATOR
OIL PRESSURE
EMERGENCY STOP
TEMP SWITCH
DEEP SEA 3110
A/C Supply
1A RE-SET
8
13
14
15
17
16
12
11
1.5mm BLUE
1.5mm BROWN 9
10
BATTERY +VE
BATTERY -VE
FUEL SOLENOID
12345679 8
START SOLENOID
REMOTE START
REMOTE START
13 1 -VE
2 +VE
2
PRE HEAT
1
EMERGENCY STOP
12 1
29 1
1
1
1
1
2.5mm
2.5mm
6mm
GLOW PLUGS
START SOLENOID
STOP SOLENOID
STOP SOLENOID
31
1.5mm
R4
3
19
29
24
29
RUN SOLENOID
19
3
66
(10)
DYNAMO
7
3
Blue
Blue
1
19
21
22
REGULATOR
21
22
(3) (1) (2)
FUEL LEVEL SENDER
18 1
New drawing - JD
29/10/21
A
22 22
(13)
21 21
(14)
(13) (15)(14)
CHARGE
1
3
STOP SOLENOID

Table of Contents

Other manuals for Stephill SSD10000S

Related product manuals