EasyManua.ls Logo

Stephill SSD6000 - DSE 3110 Manual Start and Load Application; DSE 3110 Manual Stop and Emergency Stop; DSE 3110 Remote and Automatic Operation

Stephill SSD6000
21 pages
Print Icon
To Next Page IconTo Next Page
To Next Page IconTo Next Page
To Previous Page IconTo Previous Page
To Previous Page IconTo Previous Page
Loading...
New drawing.
Revision
STEPHILL GENERATORS
Drawn
R Golding
Drawing Number
SW 12072
Phone 01933 677911
Fax 01933 677916
Description
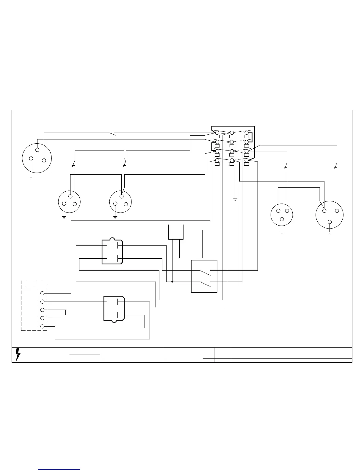
SE6000D NSM Dual voltage wiring
diagram 115V CTE / 230V Neutral bonded
& Single pole Re-Sets.
A
Issue
28/01/13
Date
Last Number Used
N/A
2.5mm Blue
2.5mm Brown
L
1.5mm Brown
1.5mm Black
115V 16A SOCKET
HRM
E
20A MCB
115V 16A SOCKET
L
E
L
2.5mm Blue
N
N
115V 32A SOCKET
E
N
2.5mm Brown
2.5mm Blue
C/0 SWITCH
115 0 230
2B
1
6B
4B
5
3
8B
7
2A
6A
4A
8A
230V 16A SOCKET
E
N
L
4.0mm Brown
Viewed from cable inlet
2.5mm Black
2.5mm Blue
2.5mm Brown
2.5mm Red
4mm Blue
E
N
L
230V 32A SOCKET
BLUE
BROWN
RED
BLACK
Viewed from cable inlet
4.0mm Blue
2.5mm green/yellow
2.5mm Black
30A Re-Set
16A Re-Set
30A Re-Set 4mm Brown
2.5 Brown
16A Re-Set 2.5 Brown
16A Re-Set 2.5 Brown
4mm Brown
2.5mm Brown
2.5mm Blue
2.5mm Brown
NSM
Note
Links 4B - 6B & 4A - 8A are internal
GREEN
THIS IS NOT AN EARTH WIRE - 110V CENTRE TAP
Socket connector
Plug connector
2.5mm Blue
2.5mm Brown
2.5mm Red
2.5mm Black
2.5mm Red
2.5mm Black
2.5mm Brown
2.5mm Blue

Other manuals for Stephill SSD6000

Related product manuals