EasyManua.ls Logo

Sterisil AC+ System - Standard Installation

Default Icon
17 pages
Print Icon
To Next Page IconTo Next Page
To Next Page IconTo Next Page
To Previous Page IconTo Previous Page
To Previous Page IconTo Previous Page
Loading...
4
835.2
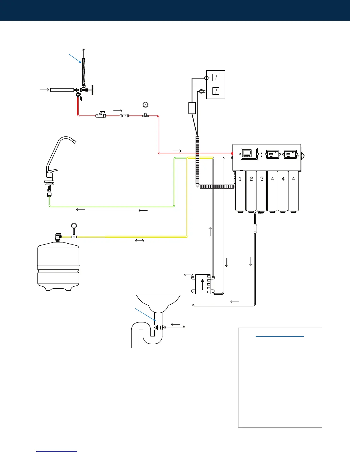
Standard Installation
RESERVE
WATER
STERISIL® AC+ SYSTEM
SINK WATER
SUPPLY
1/4” LINE
3/8” LINE
1/4” LINE
1/4” LINE
1/4” LINE
SINK
DRAIN
B Autoclave W/disc
C 7/16” - 1/4“ UNS
D 1/4” Quick connect fitting
E Municipal coldwater feed
F 3/8” tank valve
G Inline ball valve
H UV Ballast & electrical plug
I Permeate pump
J Reserve water tank
K Drain saddle valve
L 1/4” Pressure gauge
M 3/8” Pressure gauge
N Single check valve (SCV)
PLAN NOTES
D
B
C
E
F
G
H
I
J
K
L
M
N
N