EasyManua.ls Logo

STINAR PS-813B/E - Page 42

STINAR PS-813B/E
70 pages
Print Icon
To Next Page IconTo Next Page
To Next Page IconTo Next Page
To Previous Page IconTo Previous Page
To Previous Page IconTo Previous Page
Loading...
Passenger Stairway PS-813B/E Boeing | 42
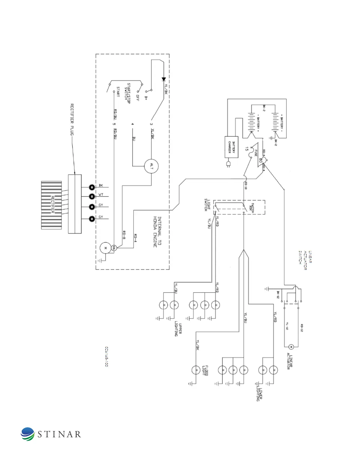
FIG 1.1.4 | ELECTRICAL SCHEMATIC

Table of Contents