EasyManua.ls Logo

Stinger ELEV8 - AM;FM Radio Operation; Tuning and Station Presets; Radio Feature Indicators

Stinger ELEV8
12 pages
Print Icon
To Next Page IconTo Next Page
To Next Page IconTo Next Page
To Previous Page IconTo Previous Page
To Previous Page IconTo Previous Page
Loading...
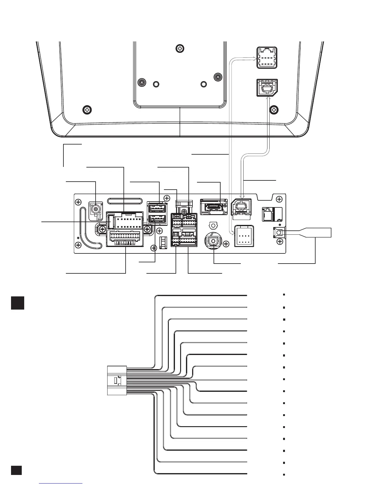
Connect radio power and
speaker connections to a vehicle
specific harness (sold separately)
referencing diagram at right.
WIRING & CONNECTIONS
16 Pin Power / Speaker Harness
8
Display Cable
Multi Camera
USB1 CP/AA
1
Power / Speaker
GPS Antenna
2
LVDS Cable
HDMI Input
USB2
SWI
AV In/Out - Rear Camera Microphone
SiriusXM Tuner
Radio Antenna
TOSLINK
Green/Black Rear Left Speaker -
Green Rear Left Speaker +
Purple/Black Rear Right Speaker -
Purple Rear Right Speaker +
White/Black Front Left Speaker -
White Front Left Speaker +
Grey/Black Front Right Speaker -
Grey Front Right Speaker +
Green/White Reverse Trigger +
Pink Parking Brake -
Orange Illumination
3
+
Yellow Battery 12V +
Blue Power Antenna +
Blue/White Amp Remote +
Red Accessory 12V +
Black Ground -
3
Illumination wire must be connected for
Day/Night and Auto Dimming to work.
2
GPS Antenna must be installed for accurate
operation of CarPlay, Android Auto & internal
Navigation.
1
The top USB1 must be used for CarPlay
and Android Auto.
15 Amp Fuse

Other manuals for Stinger ELEV8

Related product manuals