EasyManua.ls Logo

STMicroelectronics STEVAL-IHP005V1 - Figure 4. User Interface Connector; Figure 5. Programming Connector JTAG Adapter

STMicroelectronics STEVAL-IHP005V1
57 pages
Print Icon
To Next Page IconTo Next Page
To Next Page IconTo Next Page
To Previous Page IconTo Previous Page
To Previous Page IconTo Previous Page
Loading...
Hardware description UM1619
8/56 DocID024383 Rev 1
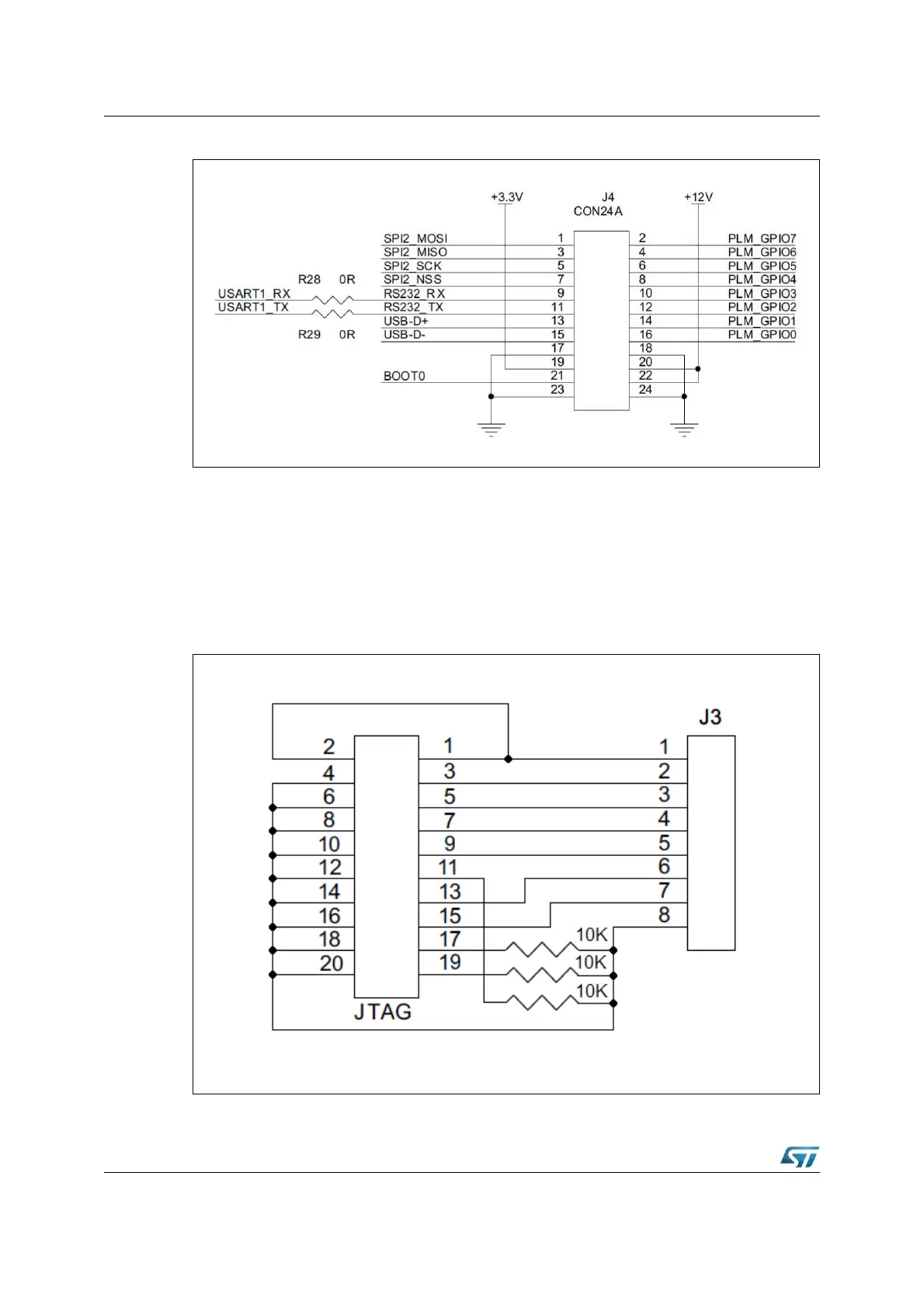
Figure 4. User interface connector
A three-color LED allows the signaling of some module operations, such as data
transmission and reception, programming phase, and so on. The user can also use these
LEDs for his own application needs by means of dedicated APIs.
Finally, a programming connector allows firmware download and debug, even if it is possible
to use the remote firmware update feature to remotely update the firmware using the PLM,
as described further in this user manual. If the IAR - JLINK/JTRACE is used for the firmware
downloading, a simple JTAG adapter is necessary. Figure 5 shows the adapter schematics.
Figure 5. Programming connector JTAG adapter

Table of Contents

Related product manuals