EasyManua.ls Logo

Strata CIX100-S - Internet Hub; RCA Jacks

Default Icon
248 pages
Print Icon
To Next Page IconTo Next Page
To Next Page IconTo Next Page
To Previous Page IconTo Previous Page
To Previous Page IconTo Previous Page
Loading...
Universal Slot Circuit Cards
Functional Block Diagrams
42 Strata CIX General Description 04/13
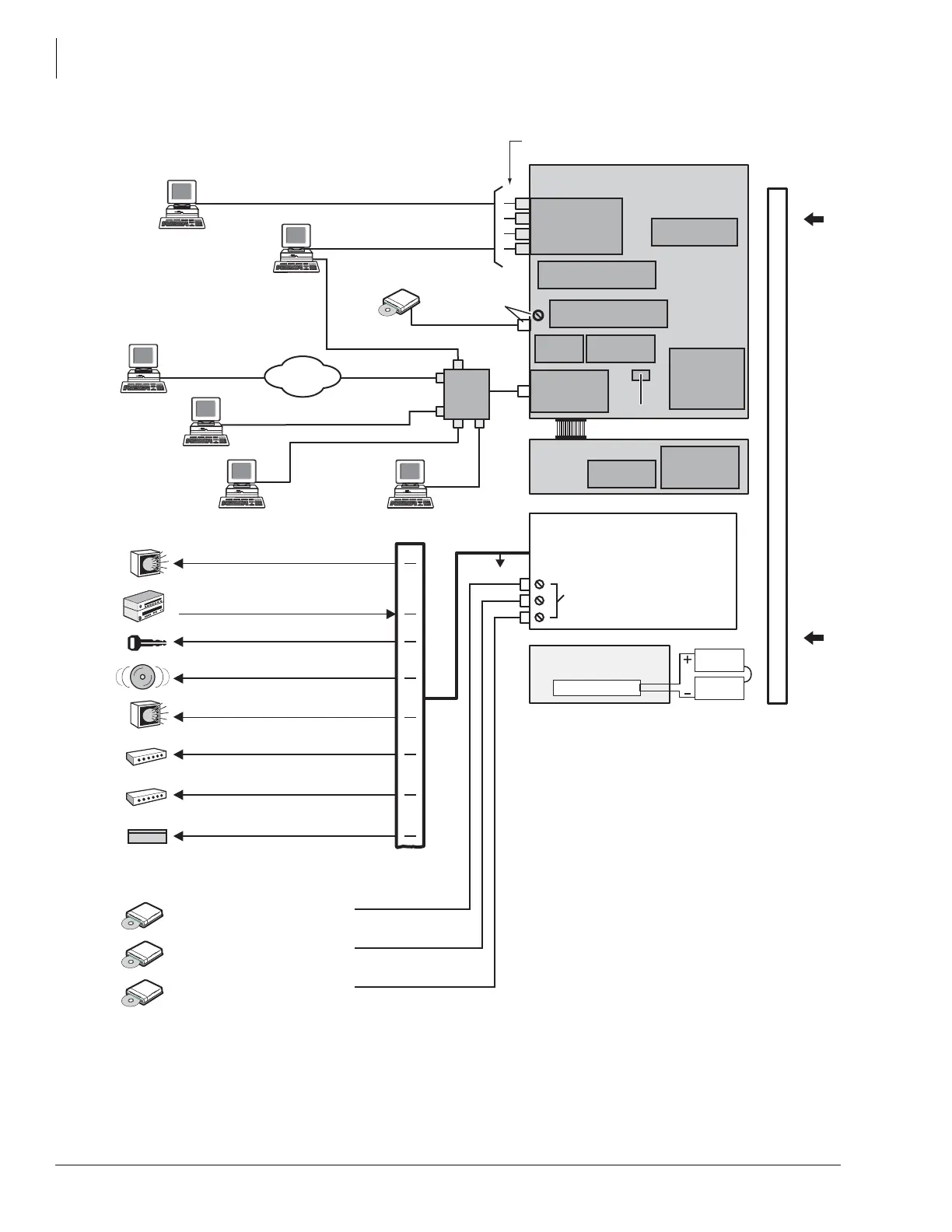
Figure 13 CIX670 and CIX1200 System Processor and Option Interface Circuit Cards
Data and Speech Highway
0013-cix40a
xCTU
Processor PCB
Interface PCB
Relay Contacts, Page Output
Music Source: External Zone Page
Background Music
Door Lock Control Relay
External Zone Page Relays (4 Zones)
External Page Amplifier (600 ohm Output)
Main Distribution
Frame (MDF)
Night Bell Control Relay
Battery Charger
12V
Battery
12V
Battery
(2 or 4 Batteries)
MOH/BGM Jack
+Volume Control
BPSU672
Cabinet
Power Supply
MOH/BGM
Volume Controls
Up to Four Programmable Serial (RS-232)
Port Modular Jacks Available
ACD
(CSTA)
SMDR
Call Accounting
Amplified Page Output (3 Watts)
Local CIX
Network eManager
IP Attendant Console
BGM Mute Control Relay
Night Control Relay
Notes
1. Optional.
2. Optional. See description of License Control
earlier in this chapter.
3. Optional one or two per system.
Music Source 1: Background Music
and/or Music-on-hold
Music Source 2: Background Music
and/or Music-on-hold
Music Source 3: Background Music
and/or Music-on-hold
2
AMDS
1
Remote
Maintenance Modem
BSIS
(Optional)
Conference
SW with PAD
Ethernet
Interface
DTMF/ABR
Receivers( Built-In )
BIOU
3
RJ45
Secure Digital
Maintenance
and
Customer
Database
License
Internet
MOH/BGM
RCA Jacks
xEXU
Processor PCB
Memory
Time Switch
DTMF/ABR
Receivers
( Built-In )
Hub
or
LAN
SMDI and Stratagy ES Integration
Toshiba Proprietary Soft Key LCD Link
Stratagy ES
Voice Mail
On this page, all equipment, except Stratagy ES,
connected to the system processor PCBs and
BIOU PCB is customer-supplied.
Memory Time Switch
Remote CIX
Network eManager PC

Table of Contents