EasyManua.ls Logo

Strong Super Trouper - Page 4

Strong Super Trouper
50 pages
Print Icon
To Next Page IconTo Next Page
To Next Page IconTo Next Page
To Previous Page IconTo Previous Page
To Previous Page IconTo Previous Page
Loading...
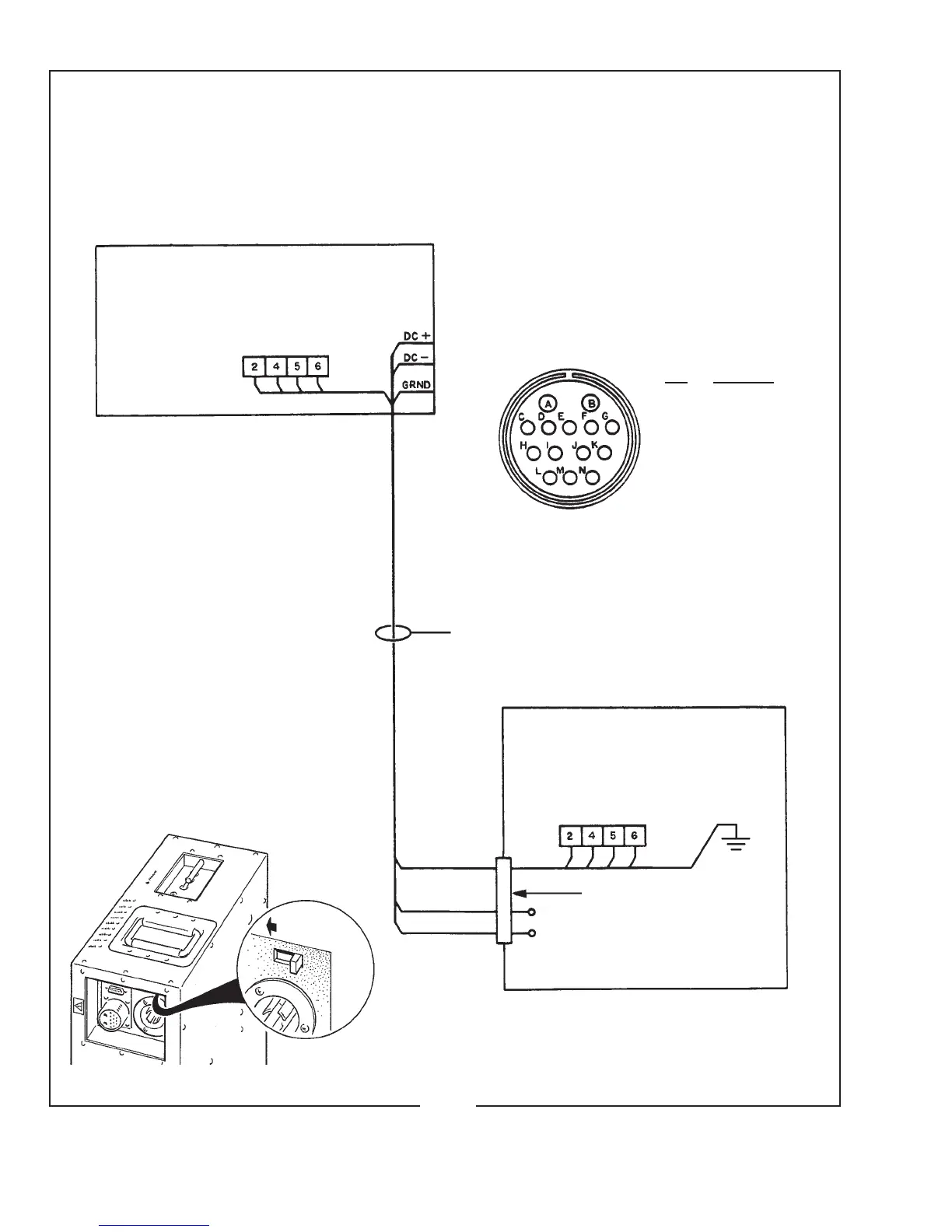
LAMPHOUSE - POWER SUPPLY
Interconnection Diagram
LAMPHOUSE
(Connections Pre-wired)
MS CONNECTOR
Pin Wire No.
A DC-
B DC+
C 2
E 4
F 5
G 6
M Grnd
Lamphouse
Cable Assembly
XENON
POWER
SUPPLY
MS Connector (pre-wired)
DC+
DC-
XST/002
SYSTEM MUST BE GROUNDED
All wiring must conform to local codes;
shield lamphouse cable in conduit if
required.
Check Slide Switch (below) on Power
Supply for correct “SPOT” position.
Slide to LEFT