EasyManua.ls Logo

Studio 54 Alexander 2/3 - Page 11

Studio 54 Alexander 2/3
24 pages
Print Icon
To Next Page IconTo Next Page
To Next Page IconTo Next Page
To Previous Page IconTo Previous Page
To Previous Page IconTo Previous Page
Loading...
11
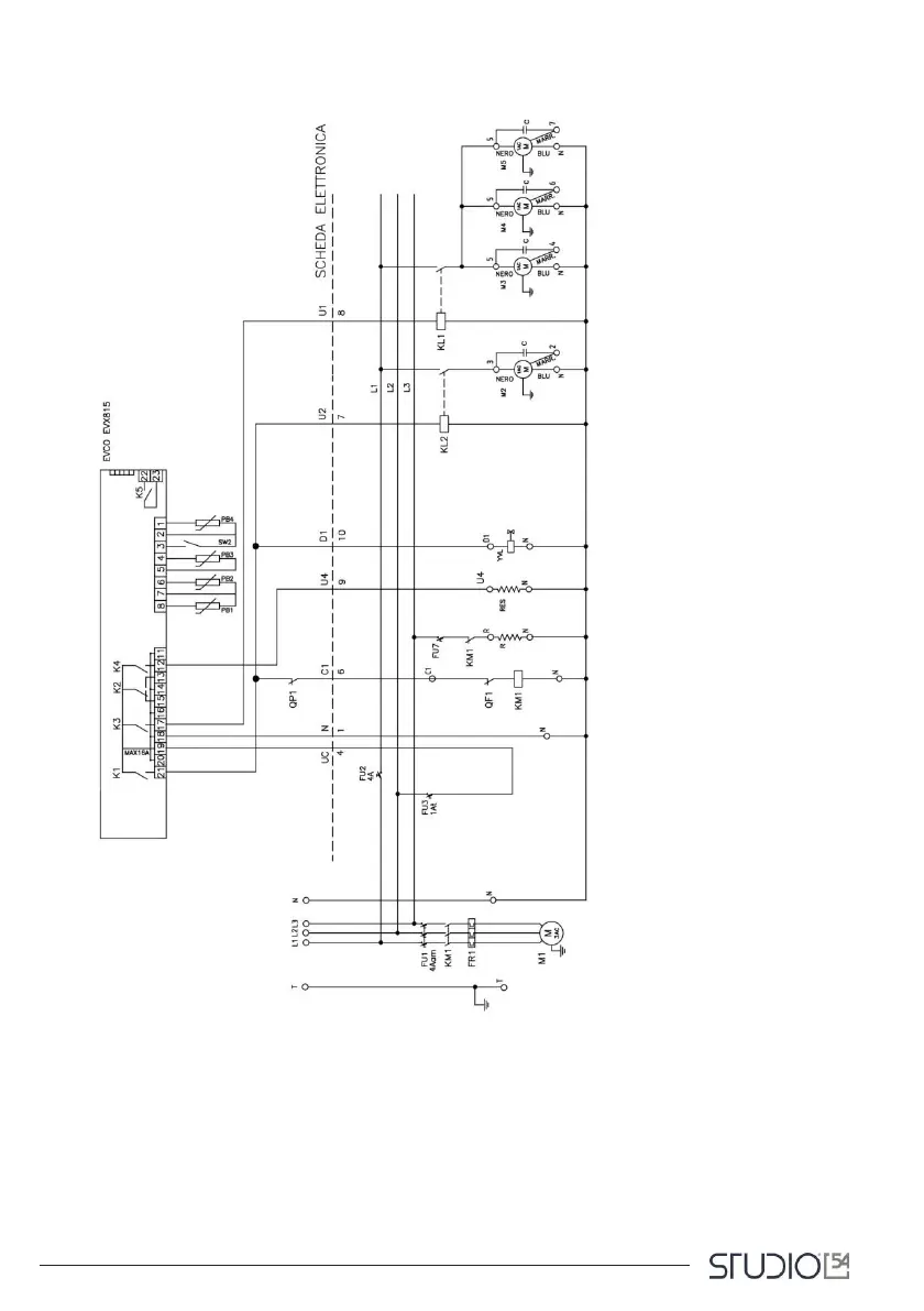
Alexander 15T
M1: Compressor
M2: Condenser fan
M3: Evaporator fan1
M4: Evaporator fan 2 - 3
YVL: Liquid solenoid
RES: Frame heating wire
R: Oil compressor heater
KM1: Compressor electromagnetic switch
FR1: Termical relay compressor
QF1: Nc thermic relay
FU1: Compressor fuse
FU2: L1 fuse
FU3: Fuse
FU7: Compressor heater fuse
KL1: Evaporator fan relay
KL2: Condenser fan relay
K1: Compressor relay
K2: Evaporator fan relay
K4: Frame heating wire relay
PB1: Cold room probe
PB2: Pin probe
PB3: Evaporator probe
PB4: Condensator probe
SW2: Door micro switch
QP1: Nc high pressure switch
C: Capacitor

Related product manuals