EasyManua.ls Logo

Studio 54 Alexander 2/3 - Page 9

Studio 54 Alexander 2/3
24 pages
Print Icon
To Next Page IconTo Next Page
To Next Page IconTo Next Page
To Previous Page IconTo Previous Page
To Previous Page IconTo Previous Page
Loading...
9
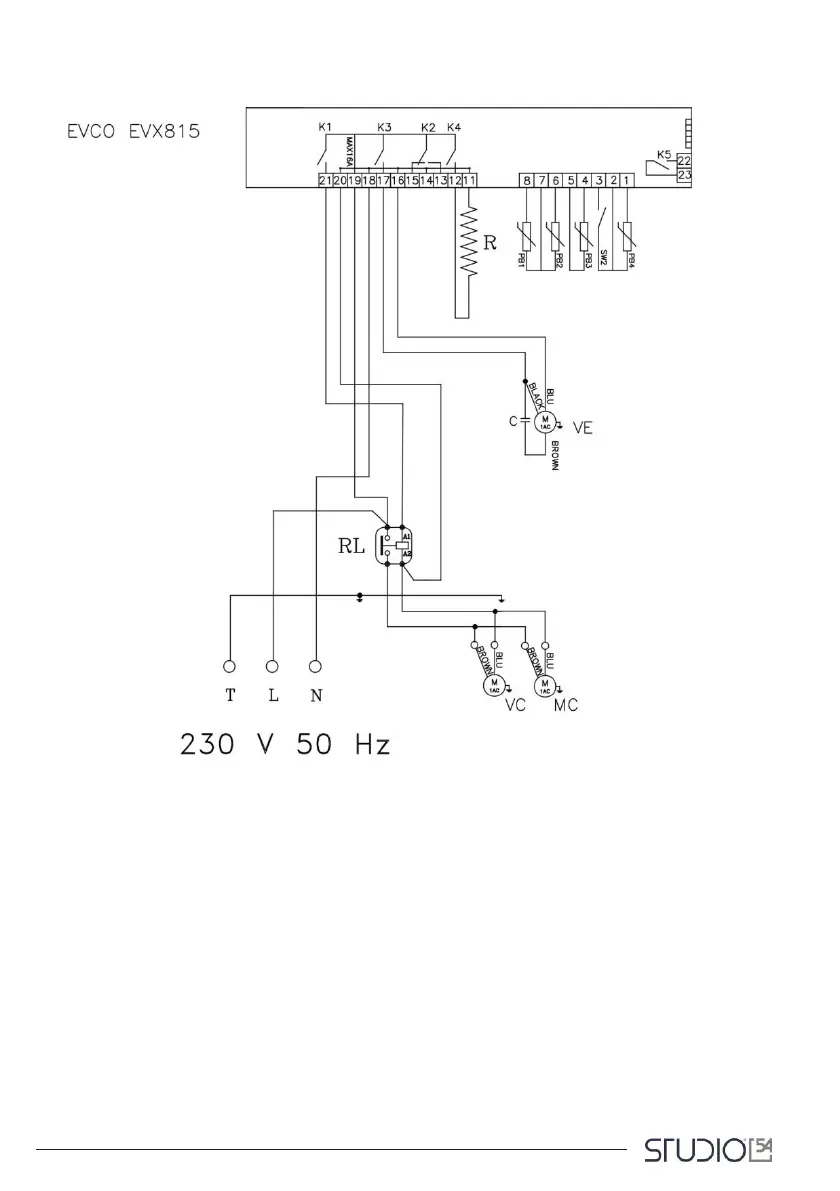
Alexander 5T
MC: Compressor
VC: Condenser fan
VE: Evaporator fan 1
RL: Relé 30A
C: Condenser 2mf
K1: Compressor relay
K2: Defrosting relay
K3: Evaporator fan relay
K4: Heating resistance relay
PB1: Pin probe
PB2: Cold room probe
PB3: Condensator probe
PB4: Evaporator probe
SW2: Door micro switch

Related product manuals