EasyManua.ls Logo

Stulz CyberOne EC DX - 1.7 AWS Operation

Stulz CyberOne EC DX
51 pages
Print Icon
To Next Page IconTo Next Page
To Next Page IconTo Next Page
To Previous Page IconTo Previous Page
To Previous Page IconTo Previous Page
Loading...
CyberOne EC DX IOM Manual
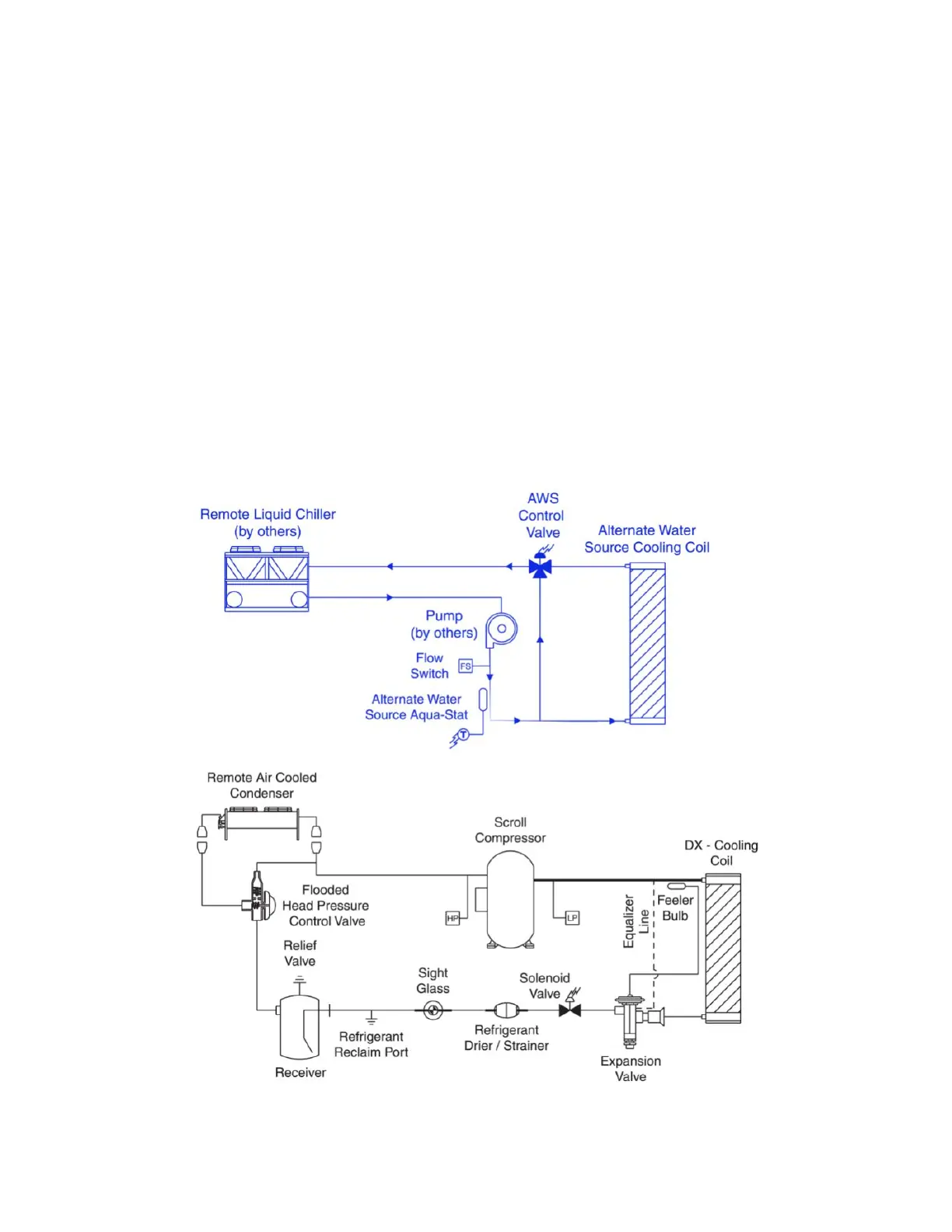
1.7 AWS Operation
An AWS system utilizes an independent chilled water source to provide coolant to an AWS cooling coil in the A/C
unit. If AWS cooling is unable to handle the load, the separate DX refrigeration circuit can be utilized to assist.
Similar to FC operation, when return air temperature rises to the AWS cut-in temperature setpoint, AWS
cooling activates provided the chilled water inlet temperature is 55 °F or cooler (adjustable).
If the return air temperature rises to the compressor cut-in set point, the compressor turns on and the AWS
control valve closes shutting off the flow of chilled water into the AWS cooling coil. AWS cooling remains disabled
and the compressor runs until the cut-out set point temperature is reached provided the minimum run time
expires.
If the chilled water inlet temperature is 55 °F or cooler, AWS cooling will resume if the return air temperature is
above the AWS cooling cut-in temperature set point.
If the chilled water temperature is above 55 °F, AWS cooling remains off. When the compressor cut-in set point is
reached, the compressor turns back on.
In the event of loss of water flow during AWS operation, the AWS control valve is closed and compressor
operation is activated.
Figure 4. Alternate Water Source Diagram
7

Table of Contents

Related product manuals