EasyManua.ls Logo

Stulz ENS Series - 9. Operation

Stulz ENS Series
110 pages
Print Icon
To Next Page IconTo Next Page
To Next Page IconTo Next Page
To Previous Page IconTo Previous Page
To Previous Page IconTo Previous Page
Loading...
© STULZ GmbH, Hamburg DE / 06-2016 / 1000687
-
53
-
STULZ UltraSonic -System for duct humidication ENS 14 A - 18 A- Installation
ENS 14 - 18 A
ACXV
50/60H
SW
F1
CL
R1
0V
XV
0V
48V
F2
HS
881NB
H1
G1
H2
G2
882NB
F3
HG1234
LWU
ETMASTE NS
CO TDWETMASTER
エットマスター株式会
122345612
CN1 CN3
CH
CN2
WD
TP
FS2 SV FS1
NB1 NB3 NB29
(23)
NB2 NB4 NB30
(24)
881NB 882NB
R2
0V
XV
0V
48V
ITEM
10
11
PAR NAMESYMBO
SW
F1~F3
CL
TR1・2
HS
81・882NB
NB1~30
CH
LWU
SV
ITE
12
13
14
15
PART NAMSYMBOL
FS1
FS2
TP
WD
SWITCH
FUSE
POWER SOURCE LAMP
TRANSFORME
80VA*2(ENS14ZR
00VA*2(ENS18ZR
HUMIDISTAT
MAIN ELAY
VARISTOR
ULTRASONIC NEBULIZER UNIT
RELAY LAT
PROTECTOR FOR ELECTRI CIRCUI
SOLENOI ALVE
FLOAT WITCH OR ATE SUPPLY
FLOAT WITCH OR OW WATE LEVEL
THERMOSTAT
WATER ETECTOR
EXAMPLE (WETMASTER STANDARD)
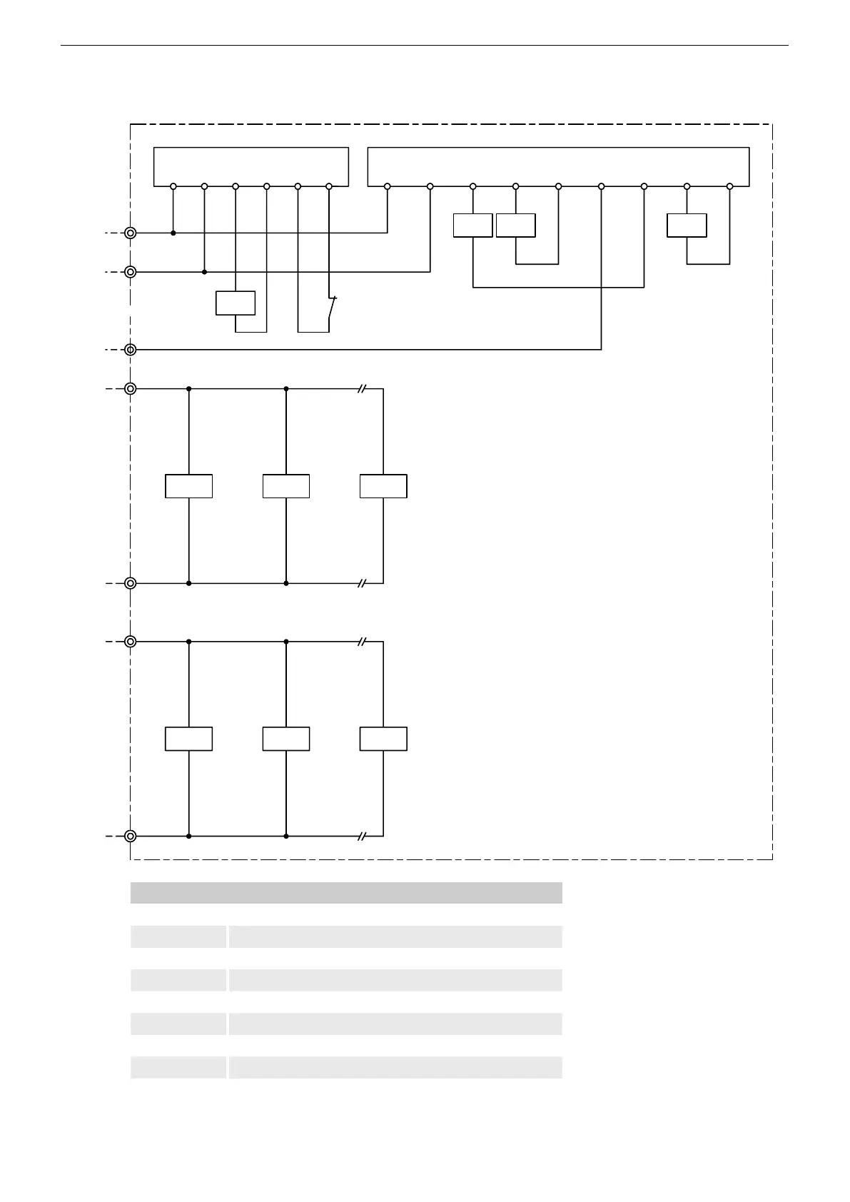
7.5.3. Internal wiring
Key
CH Relay panel
LWU Auxiliary relay
SV Solenoid valve
FS1 Float switch for water supply
FS2 Float switch for low water level
TP Thermostat
WD Leakage alarm
NB1...NBn UltraSonic nebulizer unit

Table of Contents

Related product manuals