EasyManua.ls Logo

Stulz Explorer WPA - Page 26

Stulz Explorer WPA
78 pages
Print Icon
To Next Page IconTo Next Page
To Next Page IconTo Next Page
To Previous Page IconTo Previous Page
To Previous Page IconTo Previous Page
Loading...
26 EN/06.2016/i01 © STULZ S.p.A. – all rights reserved
WPA EXPLORER ORIGINAL INSTRUCTIONS
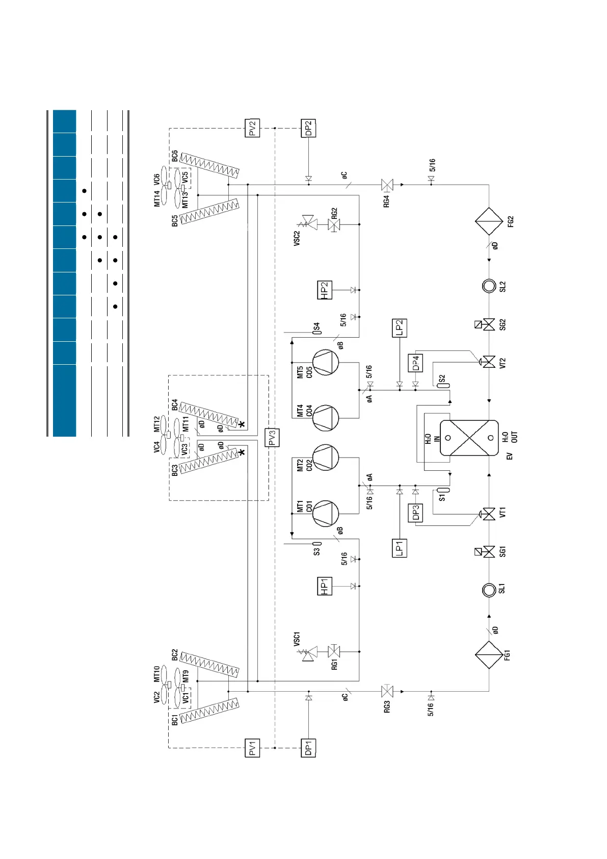
*
BC3 - BC4 present only on models:
100 low noise
110 all versions
120 all versions
140 all versions
Standard circuit diagram. Check MANUAL PART IIa for any changes.
WPA 060 070 080 090 100 110 120 140 160 180 200
Base
Low noise
Free cooling
Four compressors, three condensing modules

Table of Contents

Related product manuals