EasyManua.ls Logo

Stulz Explorer WPA - 4.5.2 Standard & Low Noise version

Stulz Explorer WPA
78 pages
Print Icon
To Next Page IconTo Next Page
To Next Page IconTo Next Page
To Previous Page IconTo Previous Page
To Previous Page IconTo Previous Page
Loading...
31 © STULZ S.p.A. – all rights reserved EN/06.2016/i01
WPA EXPLORER ORIGINAL INSTRUCTIONS
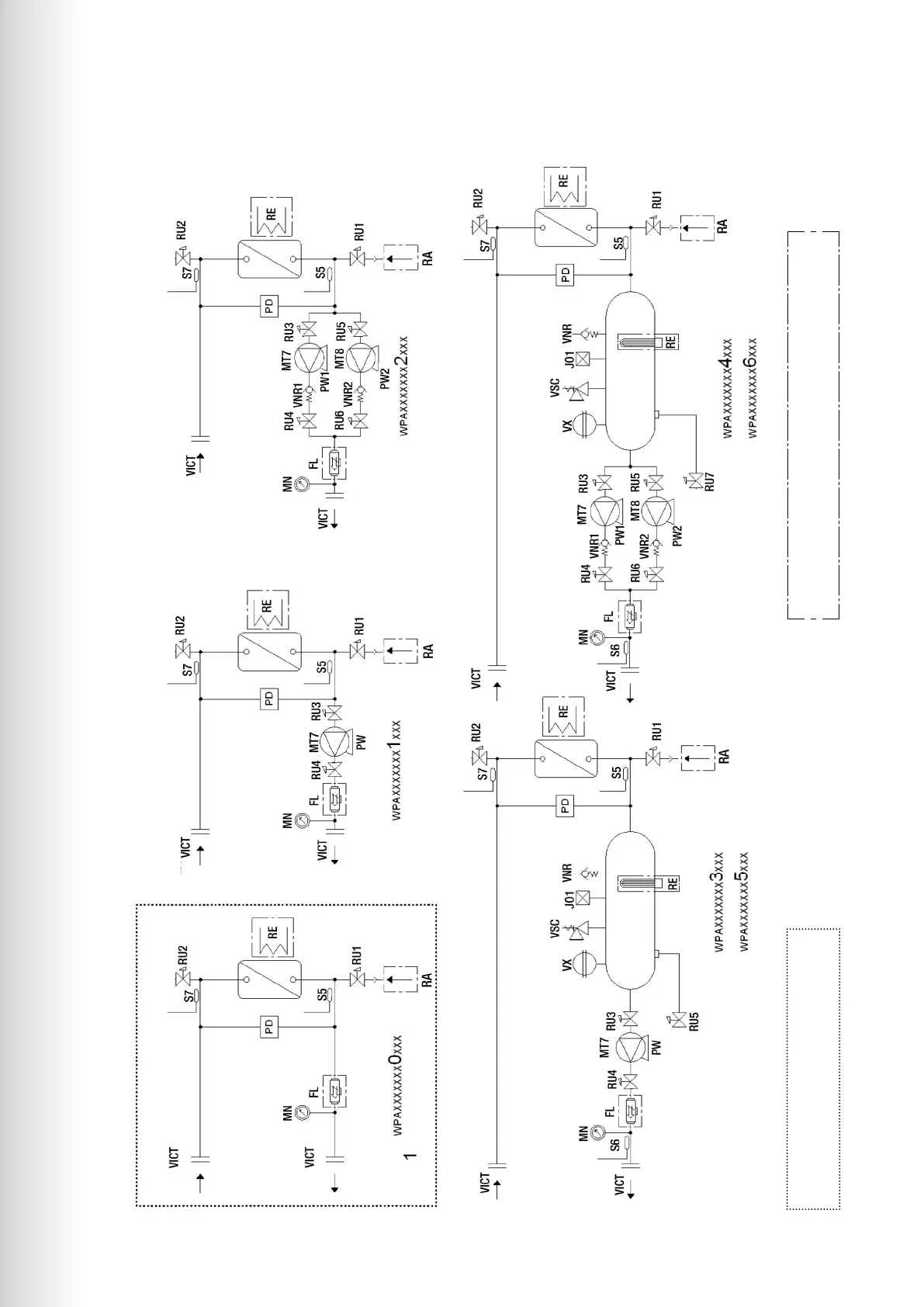
The WPA 160 - 180 - 200 models
were only available in configuration 1
FL, RA, RE are available as options.
FL is not available for WPA 160 - 180 - 200 models
Standard circuit diagram. Check MANUAL PART IIa for any changes.
4.5.2 Standard & Low Noise version

Table of Contents

Related product manuals