EasyManua.ls Logo

Stulz Explorer WPA - Page 27

Stulz Explorer WPA
78 pages
Print Icon
To Next Page IconTo Next Page
To Next Page IconTo Next Page
To Previous Page IconTo Previous Page
To Previous Page IconTo Previous Page
Loading...
27 © STULZ S.p.A. – all rights reserved EN/06.2016/i01
WPA EXPLORER ORIGINAL INSTRUCTIONS
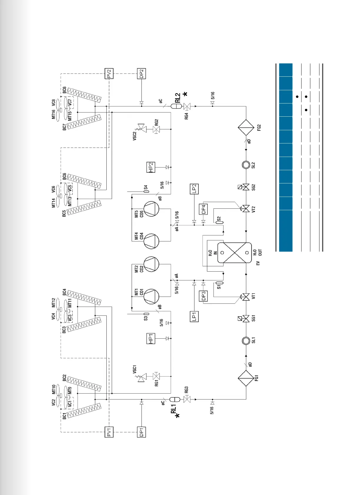
Four compressors, four condensing modules
Standard circuit diagram. Check MANUAL PART IIa for any changes.
WPA 060 070 080 090 100 110 120 140 160 180 200
Base
Low noise
Free cooling
*
RL1 - RL2 only present on models:
160 all versions.
The WPA160 model is equipped with
shell and tube evaporator (EV)

Table of Contents

Related product manuals