EasyManua.ls Logo

Stulz Explorer WPA - Page 28

Stulz Explorer WPA
78 pages
Print Icon
To Next Page IconTo Next Page
To Next Page IconTo Next Page
To Previous Page IconTo Previous Page
To Previous Page IconTo Previous Page
Loading...
28 EN/06.2016/i01 © STULZ S.p.A. – all rights reserved
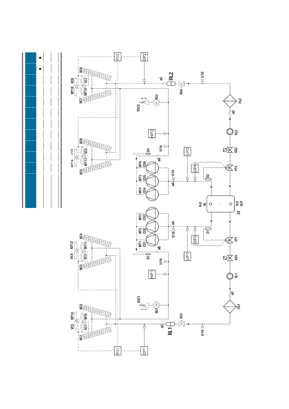
WPA EXPLORER ORIGINAL INSTRUCTIONS
Six compressors, four condensing modules
Shell and tube evaporator (EV)
Standard circuit diagram. Check MANUAL PART IIa for any changes.
WPA 060 070 080 090 100 110 120 140 160 180 200
Base
Low noise
Free cooling

Table of Contents

Related product manuals