EasyManua.ls Logo

Stulz ULTRASONIC - Page 22

Stulz ULTRASONIC
71 pages
Print Icon
To Next Page IconTo Next Page
To Next Page IconTo Next Page
To Previous Page IconTo Previous Page
To Previous Page IconTo Previous Page
Loading...
22
Copyright STULZ GmbH 02/1997
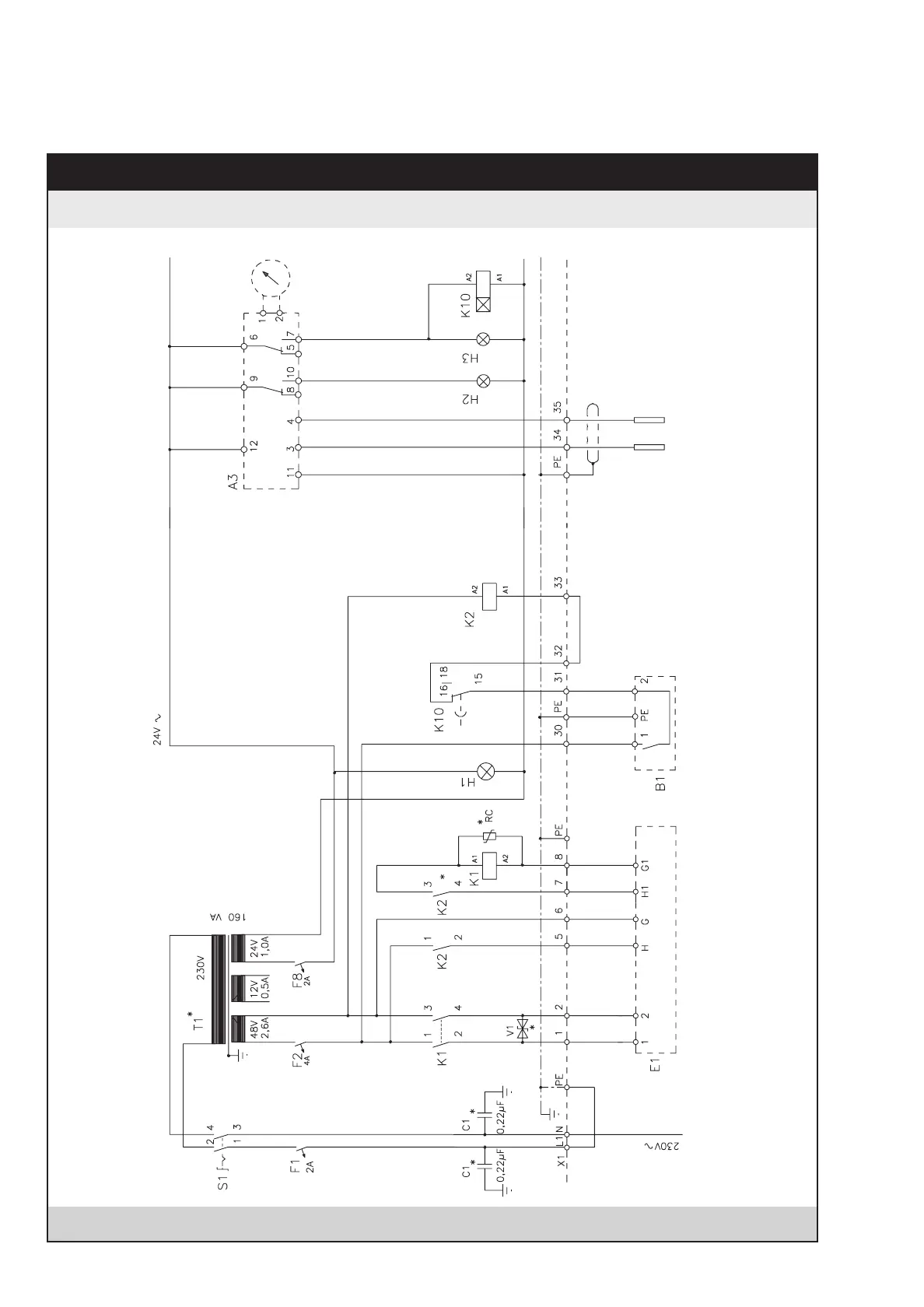
ULTRASONIC
Control Box with Hygrostat and Conductimeter
Hygrostat
Humidifier
Ultrasonic - ENS 1200
Ultrasonic - ENS 2400
ENS 1200 - 2400 ON/OFF CONTROL
The parts supplied by STULZ
are identified with *.
Non screened cable max. 5m
Screened cable max. 20m
conductivity
sensor
Pre-alarm
5 µS
Alarm
20 µS
15-300s
conductimeter
E71T2.PM5 17.04.97, 16:4222

Related product manuals