EasyManua.ls Logo

Stulz ULTRASONIC - Page 23

Stulz ULTRASONIC
71 pages
Print Icon
To Next Page IconTo Next Page
To Next Page IconTo Next Page
To Previous Page IconTo Previous Page
To Previous Page IconTo Previous Page
Loading...
23
Copyright STULZ GmbH 02/1997
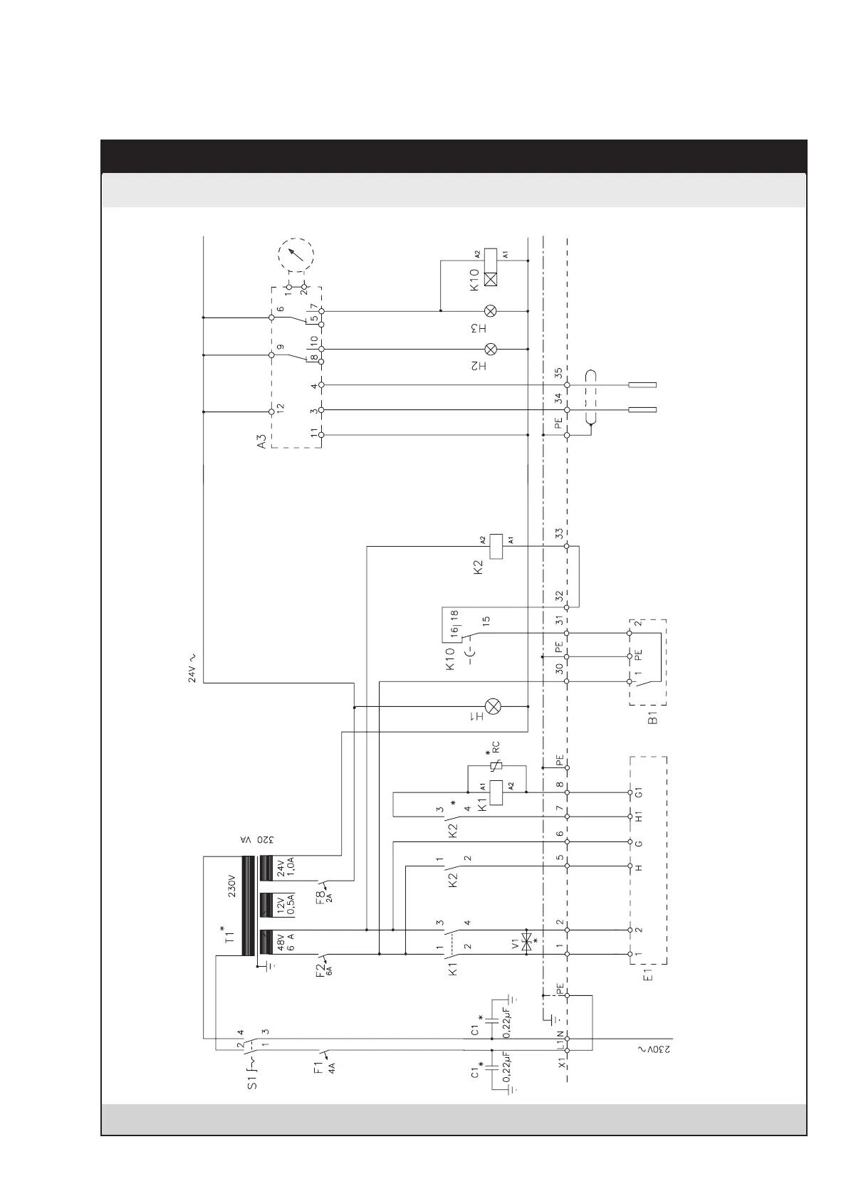
ULTRASONIC
Control Box with Hygrostat and Conductimeter
Hygrostat
Ultrasonic - ENS 3600
Ultrasonic - ENS 4800
Ultrasonic - ENS 6000
ENS 3600 - 6000 ON/OFF CONTROL
Humidifier
The parts supplied by STULZ
are identified with *.
Non screened cable max. 5m
Screened cable max. 20m
conductivity
sensor
Pre-alarm
5 µS
Alarm
20 µS
15-300s
conductimeter
E71T2.PM5 17.04.97, 10:4623

Related product manuals