EasyManua.ls Logo

Stulz ULTRASONIC - Page 29

Stulz ULTRASONIC
71 pages
Print Icon
To Next Page IconTo Next Page
To Next Page IconTo Next Page
To Previous Page IconTo Previous Page
To Previous Page IconTo Previous Page
Loading...
29
Copyright STULZ GmbH 02/1997
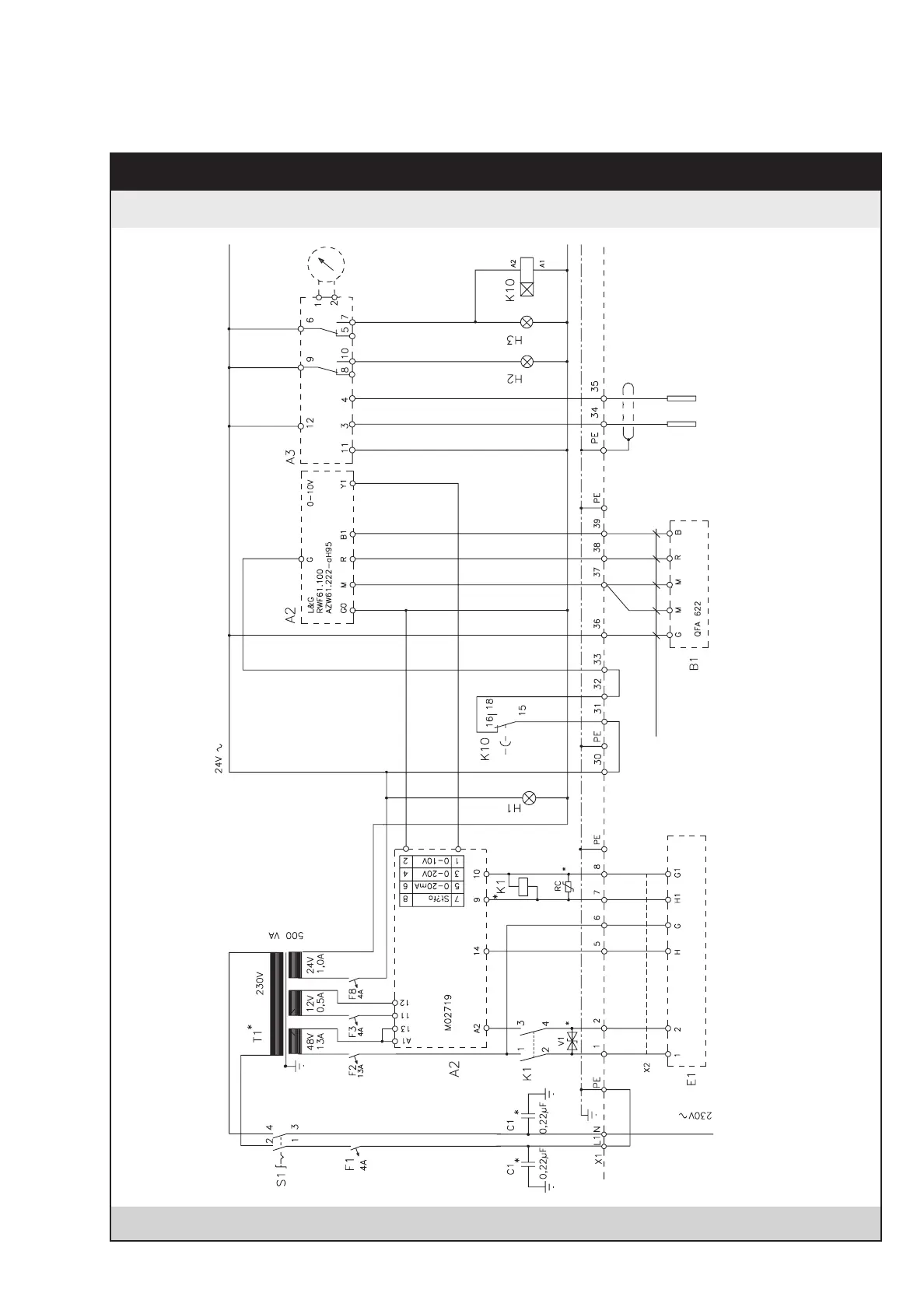
ULTRASONIC
Control Box with P-Adapter, Humidity Control and Conductimeter
Proportional-Adapter
ENS 7200 - 9600 PROPORTIONAL CONTROL
Ultrasonic - ENS 7200 Proportional
Ultrasonic - ENS 8400 Proportional
Ultrasonic - ENS 9600 Proportional
humidity sensor
line 0,6 sqmm max.120m
line 1,0 sqmm max.300m
The parts supplied by STULZ
are identified with *.
Non screened cable max. 5m
Screened cable max. 20m
conductivity
sensor
Pre-alarm
5 µS
Alarm
20 µS
15-300s
conductimeter
Humidifier
E71T2.PM5 17.04.97, 10:4629

Related product manuals