EasyManua.ls Logo

Stulz ULTRASONIC - Page 30

Stulz ULTRASONIC
71 pages
Print Icon
To Next Page IconTo Next Page
To Next Page IconTo Next Page
To Previous Page IconTo Previous Page
To Previous Page IconTo Previous Page
Loading...
30
Copyright STULZ GmbH 02/1997
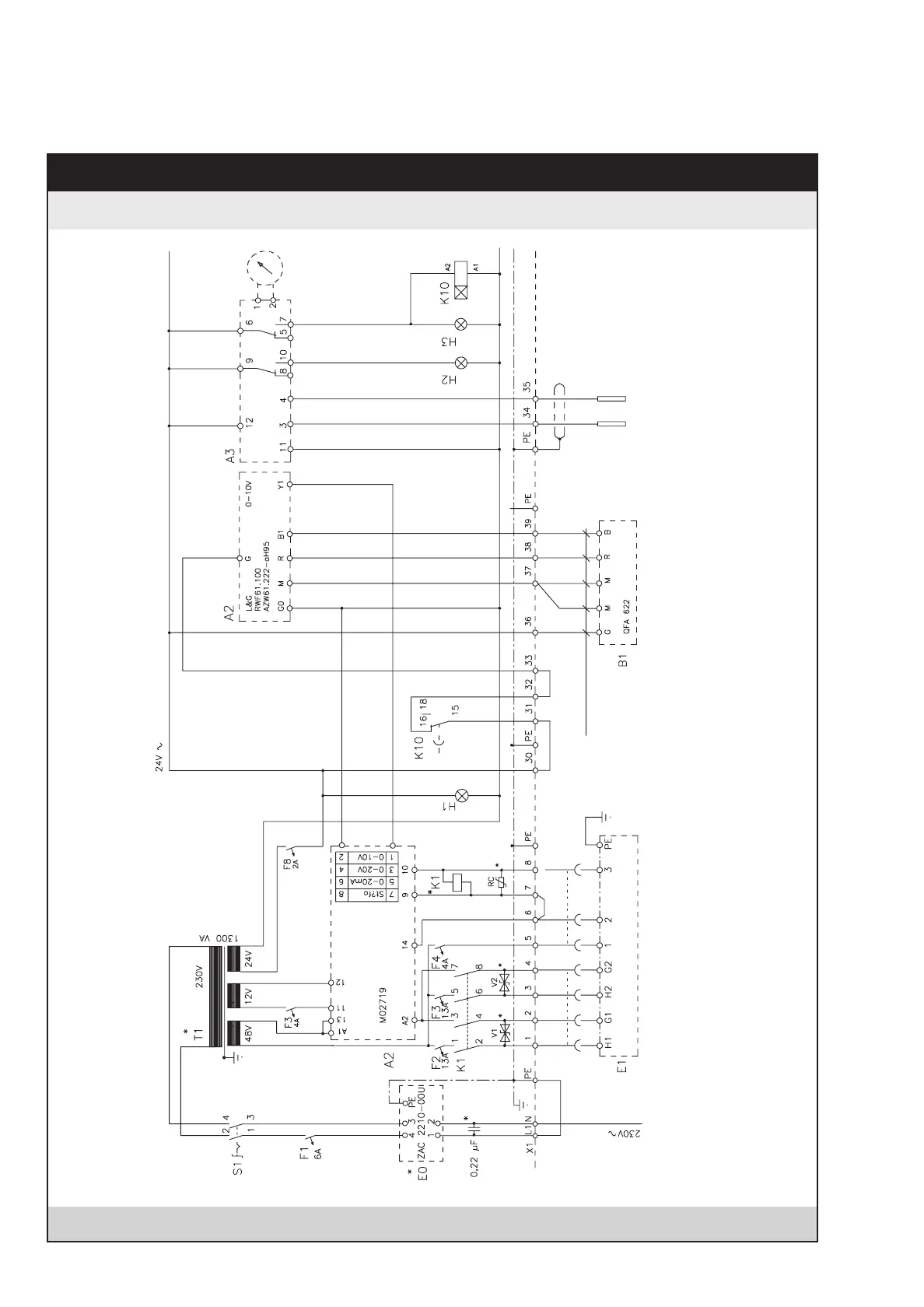
ULTRASONIC
Control Box with P-Adapter, Humidity Control and Conductimeter
ENS 14 - 18 PROPORTIONAL CONTROL
Ultrasonic - ENS 14 Proportional
Ultrasonic - ENS 18 Proportional
Proportional-Adapter
line 0,6 sqmm max.120m
line 1,0 sqmm max.300m
The parts supplied by STULZ
are identified with *.
Non screened cable max. 5m
Screened cable max. 20m
conductivity
sensor
Pre-alarm
5 µS
Alarm
20 µS
15-300s
humidity sensor
conductimeter
Humidifier
! ! ATTENTION ! !
Filter ZAC 2210-00U
and capacitator C1
following the CE-EMC
guidelines (enclosed
for EU)
E71T2.PM5 17.04.97, 10:4630

Related product manuals