EasyManua.ls Logo

Subaru 2003 Impreza - Page 80

Subaru 2003 Impreza
418 pages
Print Icon
To Next Page IconTo Next Page
To Next Page IconTo Next Page
To Previous Page IconTo Previous Page
To Previous Page IconTo Previous Page
Loading...
IMPREZA(NA) A1850BE-A (ENGLISH)
1
Seat, seatbelt and SRS airbags
1-45
CONTINUED
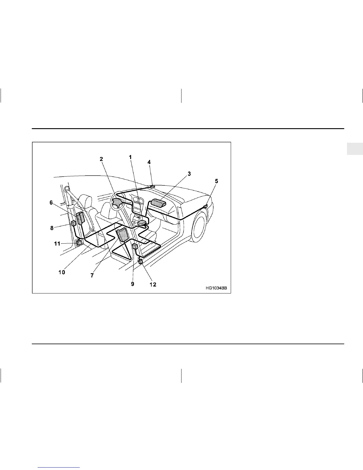
1) Airbag control module
(including impact sensors)
2) Airbag module (drivers side)
3) Airbag module (passengers
side)
4) Front sub sensor (left hand
side)
5) Front sub sensor (right hand
side)
6) Side airbag module
(drivers side if equipped)
7) Side airbag module
(passengers side if
equipped)
8) Side airbag sensor (drivers
side if equipped)
9) Side airbag sensor
(passengers side if
equipped)
10) Airbag wiring (yellow)
11) Seatbelt pretensioner (drivers
side)
12) Seatbelt pretensioner
(passengers side)

Table of Contents

Related product manuals