EasyManua.ls Logo

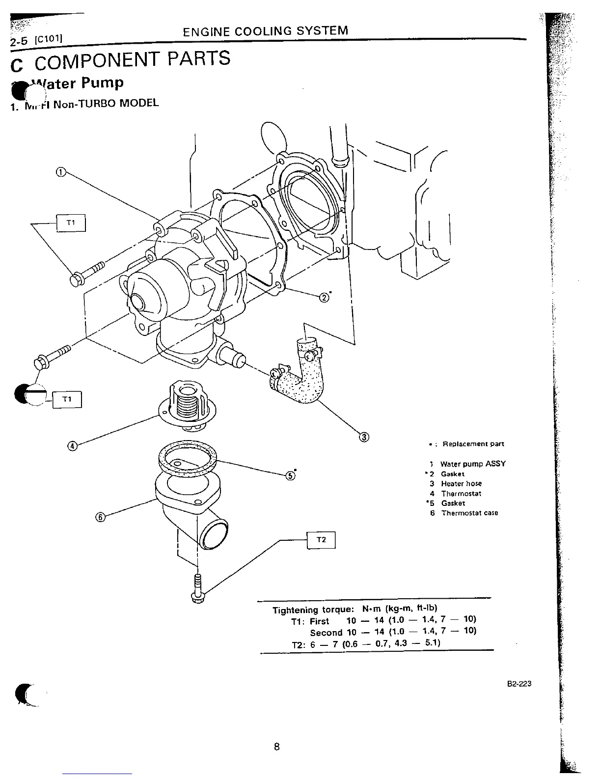
Subaru EJ22 - Engine Cooling System Component Parts; Water Pump View

Subaru EJ22
200 pages
Print Icon
To Next Page IconTo Next Page
To Next Page IconTo Next Page
To Previous Page IconTo Previous Page
To Previous Page IconTo Previous Page
Loading...

Table of Contents

Related product manuals