EasyManua.ls Logo

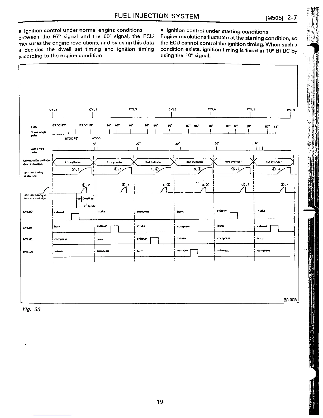
Subaru EJ22 - Ignition Control under Normal Engine Conditions; Ignition Control under Starting Conditions

Subaru EJ22
200 pages
Print Icon
To Next Page IconTo Next Page
To Next Page IconTo Next Page
To Previous Page IconTo Previous Page
To Previous Page IconTo Previous Page
Loading...

Table of Contents

Related product manuals